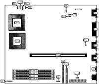
MOTHERBOARDS 486 (socket 2,3)

BUFFALO - DESTINY

BUFFALO PRODUCTS, INC.
486
486UV AT
32-bit system memory card, 32-bit local bus slot

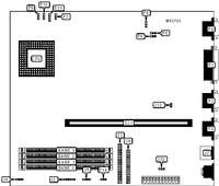
CACHE COMPUTERS, INC.
486
486 MODULAR EISA (Model 332/333)
Proprietary CPU module slot, auxiliary keyboard connector

CACHE COMPUTERS, INC.
486
CACHE 486 MINI (Model 348)
Auxiliary keyboard connector

CACHE COMPUTERS, INC.
486
CACHE 486-25/33 EISA (Model 321)
None

CACHE COMPUTERS, INC.
486
CACHE BAT 486 (Model 319)
Serial ports (2), parallel port, game port, bus mouse port, floppy drive interface, IDE interface, 32-bit external memory card slot

CACHE COMPUTERS, INC.
486
LYNX 486 WORKSTATION (Model 335)
Parallel port, IDE interface, serial ports (2). PS/2 bus mouse, floppy drive interface, VGA port, video option connector

CACHING TECH CORPORATION
486
BC3486F
PS/2 mouse port

CACHING TECH CORPORATION
486
BC3486F
PS/2 mouse port

CACHING TECH CORPORATION
486
ISA 3486
External keyboard

CAF TECHNOLOGY, INC.
486
C426 486DX-33 50/N426 486SX-20 25
None

CAF TECHNOLOGY, INC.
486
C727
None

CAF TECHNOLOGY, INC.
486
C747 (Ver. 002)
Floppy drive interface, game port, IDE interface, parallel port, serial port (2)

CAF TECHNOLOGY, INC.
486
CAF I421
None

CAF TECHNOLOGY, INC.
486
E426 EISA
None

CAF TECHNOLOGY, INC.
486
L418
32-bit OPTI local bus card slot

CAF TECHNOLOGY, INC.
486
N418
None

CALIBER COMPUTER
486
486 WB-U1
None

CALIBER COMPUTER
486
80486 EISA
None

CALIBER COMPUTER
486
80486-33A
32-bit external memory card slot

CALIBER COMPUTER
486
80486-50B
None

CALIBER COMPUTER
486
EISA-486 WB
None

CHAINTECH COMPUTER COMPANY, LTD
486
486SPM
Green PC connector, floppy drive interface, IDE interfaces (2), parallel port, serial ports (2), 32-bit PCI slots (3)

CHAINTECH COMPUTER COMPANY, LTD.
486
333UC/340UC/333UCB/340UCB
None

CHAINTECH COMPUTER COMPANY, LTD.
486
416SX/420SX/425SX/433SC/450SC
None

CHAINTECH COMPUTER COMPANY, LTD.
486
420SXB/425SXB/433SCB/450SCB
None

CHAINTECH COMPUTER COMPANY, LTD.
486
425UXL/433UXL/425UCL/433UCL
32-bit VESA local bus slots (2)

CHAINTECH COMPUTER COMPANY, LTD.
486
486ICP
32-bit PCI local bus slots (3), special slot (1)

CHAINTECH COMPUTER COMPANY, LTD.
486
486SCSL/486SCSI
32-bit VESA local bus slots (2) (486SCSL only)

CHAINTECH COMPUTER COMPANY, LTD.
486
4SLD.3
32-bit VESA local bus slots (3), green PC connector

CHAINTECH COMPUTER COMPANY, LTD.
486
4SPM.3/4SPM5.1
32-bit PCI slots (3), floppy drive interface, game port, green PC connector, IDE interfaces (2), parallel port, serial ports (2)

CHAINTECH COMPUTER COMPANY, LTD.
486
4SPM.3/4SPM5.1
32-bit PCI slots (3), floppy drive interface, game port, green PC connector, IDE interfaces (2), parallel port, serial ports (2)

CHAINTECH COMPUTER COMPANY, LTD.
486
4SPM5.2
32-bit PCI slots (3), floppy drive interface, green PC connector, IDE interfaces (2), parallel port, serial ports (2)

CHAINTECH COMPUTER COMPANY, LTD.
486
4ULD.1
32-bit VESA local bus slots (3), green PC connector

CHAINTECH COMPUTER COMPANY, LTD.
486
VESA MAINBOARD SIS 486 (REV. 2)
32-bit VESA local bus slots (3), green PC connector

CHICONY, INC.
486
CH-471A
32-bit VESA local bus slots (3), green PC connector

CHICONY, INC.
486
CH-471A (VER. 3)
32-bit VESA local bus slots (3), green PC connectors (2)

CHICONY, INC.
486
CH-471B
32-bit VESA local bus slots (2), floppy drive interface, game port, green PC connector, IDE interfaces (2), parallel port, serial ports (2)

CHICONY, INC.
486
CH-486
None

CHICONY, INC.
486
CH-486-33/50 L
None

CHICONY, INC.
486
CH-486-33/50P
32-bit VESA local bus slots (2)

CHICONY, INC.
486
CH-486-33A
None

CHICONY, INC.
486
CH-48633C
None

CHICONY, INC.
486
CH-486DLC-33/40H(L)
None

CHICONY, INC.
486
CH-486S-16/20/25/33H, CH-486-25/33H
None

CHICONY, INC.
486
CH-486S-20B/25, CH-486-33G, CH-486-50G
None

CHICONY, INC.
486
CH-491E
32-bit VESA local bus slots (3)

CHICONY, INC.
486
CK-491K
32-bit VESA local bus slots (3)

CLUB AMERICAN TECHNOLOGIES, INC.
486
EAGLE 400 SERIES
32-bit external memory card slot

CLUB AMERICAN TECHNOLOGIES, INC.
486
FALCON 400 SERIES
32-bit external CPU/NPU card slot

CLUB AMERICAN TECHNOLOGIES, INC.
486
FALCON 400 SERIES
32-bit external CPU/NPU card slot

CLUB AMERICAN TECHNOLOGIES, INC.
486
FALCON 400 SERIES REVISION D
32-bit external CPU/NPU card slot

CLUB AMERICAN TECHNOLOGIES, INC.
486
FALCON 450 EISA SERIES (REV. B)
32-bit external CPU/NPU card slot, 32-bit external video card slot

CLUB AMERICAN TECHNOLOGIES, INC.
486
FALCON 450 EISA SERIES (REVISION C)
32-bit external CPU/NPU card slot

COMPAQ COMPUTER CORPORATION
486
DESKPRO 450/466/4100
Parallel port, PS/2 mouse port, serial port, VGA feature connector, VGA port, ethernet port, AUI port, external cache interface, video memory interface

COMPAQ COMPUTER CORPORATION
486
DeskPro 486/25 (Model 001532)
32-bit system memory card slot, floppy drive interfaces (2)

COMPAQ COMPUTER CORPORATION
486
DESKPRO 486/33L DESKPRO 386/33L
System processor card slot, proprietary system memory card, VGA port, parallel port, serial ports (2), bus mouse port, IDE interface, 3.5 and 5.25 inch floppy drive interface

COMPAQ COMPUTER CORPORATION
486
DeskPro 486/50L (Model 001987)
32-bit system memory card slot

COMPAQ COMPUTER CORPORATION
486
DESKPRO XE 486
External cache card, floppy drive interface, IDE interface, parallel port, PS/2 mouse port, serial port, VGA port

COMPAQ COMPUTER CORPORATION
486
DESKPRO XL 450/466/560/566/590
External CPU card, 32-bit PCI bus slots (2), floppy drive interface, game port, IDE interface, parallel port, SCSI port, audio signal interface, PS/2 mouse port, serial ports (2), CD-ROM interface, audio ports (2), speaker/microphone port

COMPAQ COMPUTER CORPORATION
486
DeskPro/M Family
System processor card slot, proprietary system memory card

COMPAQ COMPUTER CORPORATION
486
PRESARIO 400 SERIES
Riser card, floppy drive interface, game port, IDE interface, parallel port, PS/2 mouse port, serial port

COMPAQ COMPUTER CORPORATION
486
PRESARIO 500 SERIES
Game port, parallel port, PS/2 mouse port, serial port, microphone port, headphone port, line in port, line out port, modem port, telephone port, VESA feature connector

COMPAQ COMPUTER CORPORATION
486
PRESARIO 600 SERIES
Riser card slot, floppy drive interface, IDE interface, VGA port, serial ports (2), parallel port, PS/2 mouse port

COMPAQ COMPUTER CORPORATION
486
PRESARIO 600 SERIES (486 WITH 4MB)
Riser card slot, floppy drive interface, IDE interface, VGA port, serial ports (2), parallel port, PS/2 mouse port

COMPAQ COMPUTER CORPORATION
486
PRESARIO 600 SERIES (486-BASED MODELS)
IDE interface, riser card slot, floppy drive interface, parallel port, PS/2 mouse port, serial ports (2), VGA port

COMPAQ COMPUTER CORPORATION
486
PRESARIO 700/900 SERIES
External cache card, game port, parallel port, PS/2 mouse port, serial ports (2), VGA feature connector, line in port, line out port, microphone port, VGA port, CD-ROM line in, TV board line in

COMPAQ COMPUTER CORPORATION
486
PRESARIO 800
External cache card slot, floppy drive interface, IDE interface, parallel port, PS/2 mouse port, serial port, VGA feature connector, VGA port

[no image]COMPAQ COMPUTER CORPORATION
486
PROLIANT 1000R
Unidentified

[no image]COMPAQ COMPUTER CORPORATION
486
PROLIANT 2000
Unidentified

[no image]COMPAQ COMPUTER CORPORATION
486
PROLIANT 4000
Unidentified

COMPAQ COMPUTER CORPORATION
486
ProLinea 4/33
Bus mouse, floppy drive interface, IDE interface, parallel port, serial ports (2), VGA port

COMPAQ COMPUTER CORPORATION
486
PROLINEA MT
External cache card slot, floppy drive interface, IDE interface, parallel port, PS/2 mouse port, serial port, VGA feature connector, VGA port

COMPAQ COMPUTER CORPORATION
486
SYSTEMPRO 386/33, SYSTEMPRO 486/33
System processor card slot, system processor card/Proprietary expansion card slot, 32-bit system memory card, 32-bit external memory card, VGA port, parallel port, serial port, bus mouse port, IDE interface, floppy drive interface

COMPAQ COMPUTER CORPORATION
486
SYSTEMPRO 486/33E
System processor card slot, proprietary system memory card

COMPAQ COMPUTER CORPORATION
486
SYSTEMPRO/LT
System processor card slot, proprietary system memory card

COMPUADD, INC.
486
486 ISA HP SX/DX
Floppy drive interface, IDE interface

COMPUDYNE
486
ALL-IN-ONE MULTI-CPU SYSTEM BOARD
32-bit VESA local bus slot, floppy drive interface, game interface, IDE interface, parallel port, serial ports (2)

COMPUDYNE
486
UTD 4700 ALL IN ONE
32-bit VESA local bus slot, floppy drive interface, game interface, IDE interface, parallel port, serial ports (2)

COMPUDYNE
486
UTD 4700ZIF ALL IN ONE
32-bit VESA local bus slot, serial ports (2), game interface, parallel port, floppy drive interface, IDE interface

COMPUDYNE
486
UTD 4800AIO EISA VESA ZIF
32-bit VESA local bus slot, floppy drive interface, IDE interface, parallel port, serial ports (2)

COMPUTREND SYSTEMS, INC.
486
ALI 486 NONCACHE
Auxiliary keyboard connector

COMPUTREND SYSTEMS, INC.
486
CONTAQ SINGLE CHIP 486 (MS-4123 Ver. 1.1)
32-bit VESA card slots (2), auxiliary keyboard connector

COMPUTREND SYSTEMS, INC.
486
CONTAQ SINGLE CHIP 486 (MS-4125)
32-bit VESA local bus slots (2)

COMPUTREND SYSTEMS, INC.
486
CONTAQ-386
Auxiliary keyboard connector

COMPUTREND SYSTEMS, INC.
486
CONTAQ-386 (MS-3124)
None

COMPUTREND SYSTEMS, INC.
486
CONTAQ-486
None

COMPUTREND SYSTEMS, INC.
486
PCI486 AL2
32-bit PCI slots (3), floppy drive interface, green PC connector, IDE interfaces (2), parallel port, serial ports (2)

COMPUTREND SYSTEMS, INC.
486
PREMIO PCI 486AL3
32-bit PCI slots (3), floppy drive interface, green PC connector, IDE interfaces (2), parallel port, serial ports (2)

COMPUTREND SYSTEMS, INC.
486
VLB S14 (SIS486)
Floppy drive interface, game interface, green PC connector, IDE interface, parallel port, PS/2 mouse port, serial ports (2), VGA feature connector, VGA port, riser slot

COMPUTREND SYSTEMS, INC.
486
VLB486 AL5 (ALI-486G)
32-bit VESA local bus slots (3), green PC connector

CONCORD OFFICE AUTOMATION INDUSTRIAL (HK) LTD.
486
COA-921
32-bit PCI slots (3), floppy drive interface, green PC connector, IDE interfaces (2), parallel port, serial ports (2)

CORE PACIFIC ELECTRONICS, INC.
486
486 MAINBOARD
None

CORE PACIFIC ELECTRONICS, INC.
486
80486-33
None

CORE PACIFIC ELECTRONICS, INC.
486
80486-33
None

CREATIVE ELECTRONIC, INC.
486
PowerUser 3820
32-bit external CPU card slot, bus mouse port, floppy drive interface, game port, IDE interface, parallel port, serial port (2), SVGA port

CSS LABORATORIES, INC.
486
MAXSYS 462, 4/100 VL
32-bit VESA local bus slot, CPU slot, floppy drive interface, IDE interface, parallel port, auxiliary parallel port, serial ports (2), auxiliary serial ports (2), auxiliary keyboard connectors (2)

CSS LABORATORIES, INC.
486
MAXSYS 486MTE/VL
CPU module slot, 32-bit VESA local bus slot (1), floppy drive interface, IDE interface, parallel port, serial ports (2)

CSS LABORATORIES, INC.
486
MB-4864
32-bit PCI slots (3), floppy drive interface, IDE interfaces (2), parallel port, PS/2 mouse interface, serial ports (2)

CSS LABORATORIES, INC.
486
MINIMAX/LITTLE MAX 486
Floppy drive interface, IDE interface, parallel port, serial ports (2)

CSS LABORATORIES, INC.
486
MS-4861
Floppy drive interface, IDE interfaces (2), parallel port, serial ports (2), VGA port, PC/104 connectors (2)

CSS LABORATORIES, INC.
486
PB-10903
32-bit PCI slots (3), CPU slot, PS/2 mouse interface, IR connectors (2)

CSS LABORATORIES, INC.
486
PREFERRED 433GA
32-bit external CPU/NPU card slot, 32-bit local video card slot, auxiliary keyboard, floppy interface, IDE interface,

CSS LABORATORIES, INC.
486
PREFERRED 433GE (Rev. B)
32-bit external memory card slot, 32-bit external cache card slot

CSS LABORATORIES, INC.
486
PREFERRED 462 PCI/VL ESP, MB-4862
32-bit VESA local bus slots (2), 32-bit PCI slots (3)

CSS LABORATORIES, INC.
486
PREFERRED 486 GA/VL ESP
32-bit VESA local bus slots (2)

CSS LABORATORIES, INC.
486
PREFERRED 486 MGE/VL
CPU module slot, 32-bit VESA local bus slots (2)

DASH COMPUTER, INC.
486
486 VL3 CACHE (MV035E)
32-bit VESA local bus slots (3), green PC connector

DASH COMPUTER, INC.
486
486WB WRITEBACK-CACHE SYSTEM BOARD
32-bit external memory card slot

DASH COMPUTER, INC.
486
DC 486 EISA
None

DASH COMPUTER, INC.
486
DC-420
32-bit VESA local bus slot, 32-bit PCI slots (3), floppy drive interface, green PC connector, IDE interfaces (2), parallel port, serial ports (2), cache slot

DASH COMPUTER, INC.
486
DC-486SX 25/33/50
32-bit external memory card slot

DASH COMPUTER, INC.
486
DC3486 VESA
32-bit VESA card slot (2)

DASH COMPUTER, INC.
486
DC3486 VESA
32-bit VESA card slot (2)

DASH COMPUTER, INC.
486
GREEN FUNCTION VL-BUS (MV035)
32-bit VESA local bus slots (3), green PC connector

DATAEXPERT CORPORATION
486
AIO4044
Floppy drive interface, IDE interface, parallel port, PS/2 mouse port, serial ports (2), VGA feature connector, VGA port, riser slot

DATAEXPERT CORPORATION
486
AIO4045
Ethernet 10Base5 connector, floppy drive interface, green PC connector, IDE interface, parallel port, serial ports (2), VGA port, riser slot

DATAEXPERT CORPORATION
486
ALI-1429G(EXP4049)
32-bit VESA local bus slots (3)

DATAEXPERT CORPORATION
486
EISA 486WB
None

DATAEXPERT CORPORATION
486
EXP3406
32-bit VESA local bus slots (2)

DATAEXPERT CORPORATION
486
EXP4044
32-bit VESA local bus slots (3), green PC connector

DATAEXPERT CORPORATION
486
EXP4045
32-bit VESA local bus slots (3), green PC connector

DATAEXPERT CORPORATION
486
EXP4349
32-bit VESA local bus slots (3), green PC connector

DATAEXPERT CORPORATION
486
EXP8049
32-bit PCI slots (4), floppy drive interface, green PC connector, IDE interface, parallel port, PS/2 mouse interface, serial ports (2), wake on modem connector

DATAEXPERT CORPORATION
486
EXP8449
32-bit PCI slots (3), floppy drive interface, green PC connector, IDE interfaces (2), parallel port, PS/2 mouse port, serial ports (2)

DATAEXPERT CORPORATION
486
EXP8C49
32-bit PCI slots (3), floppy drive interface, green PC connector, IDE interfaces (2), parallel port, PS/2 mouse port, serial ports (2)

DATAEXPERT CORPORATION
486
HINT-3/486WB
32-bit VESA local bus slots (2)

DATAEXPERT CORPORATION
486
OPTI-486WB
None

DATAEXPERT CORPORATION
486
OPTI-495SX
32-bit VESA local bus slot

DATAEXPERT CORPORATION
486
OPTI-495SX-2VL
32-bit VESA local bus slots (2)

DATAEXPERT CORPORATION
486
OPTI-495WB
None

DATAEXPERT CORPORATION
486
OPTI-495WB Ver 2.0
None

DATAEXPERT CORPORATION
486
OPTI-495XLC 3/486WB CACHE
32-bit VESA local bus slots (2)

DATAEXPERT CORPORATION
486
OPTI-495XLC 3/486WB CACHE
32-bit VESA local bus slots (2)

DATAEXPERT CORPORATION
486
TERMINATOR 5-VL
32-bit VESA local bus slots (2), floppy drive interface, IDE interface,

DATAEXPERT CORPORATION/VISION TECHNOLOGIES
486
486WB CACHE/ESP486 (VER. 1)
32-bit VESA local bus slots (3)

DATAEXPERT CORPORATION/VISION TECHNOLOGIES
486
486WB CACHE/ESP486 (VER. 1)
32-bit VESA local bus slots (3)

DATAVAN INTERNATIONAL CORPORATION
486
DTV-05C
Floppy drive interface, IDE interface, parallel port, serial ports (2), VGA feature connector, VGA port

DD & TT ENTERPRISE USA COMPANY
486
DT ESCORT SYSTEM BOARD B
Floppy drive interface, IDE interface parallel port,

DD & TT ENTERPRISE USA COMPANY
486
DT-423S4L (Revision C2 and earlier)
None

DD & TT ENTERPRISE USA COMPANY
486
DT-LB134 (36-BIT SIMM VERSION)
PS/2 mouse, 32-bit VESA local bus slot

DD & TT ENTERPRISE USA COMPANY
486
DT-LB134 (9-BIT SIMM VERSION)
PS/2 mouse, 32-bit VESA local bus slot

DD & TT ENTERPRISE USA COMPANY
486
DT-LB2AL
Floppy drive interface, game port, IDE interface, parallel port,

DEICO ELECTRONICS, INC.
486
486-ISA
Floppy drive interface, IDE interface, parallel port, serial ports (2)

DEICO ELECTRONICS, INC.
486
486DSX
Parallel port, serial ports (2), floppy drive interface, IDE interface

DEICO ELECTRONICS, INC.
486
PREDATOR I
Floppy drive interface, IDE interface, parallel port, PS/2 mouse port, serial ports (2)

DEICO ELECTRONICS, INC.
486
PREDATOR II
Floppy drive interface, IDE interface, parallel port, PS/2 mouse port

DEICO ELECTRONICS, INC.
486
PREDATOR-S
PS/2 mouse port

DEICO ELECTRONICS, INC.
486
PREDATOR-Z
Floppy drive interface, IDE interface, parallel port, PS/2 mouse port, serial ports (2)

DELL COMPUTER CORPORATION
486
4000/XE SERIES
External cache card, floppy drive interface,

DELL COMPUTER CORPORATION
486
486/MT
32-bit VESA local bus slots (2), floppy drive interface, IDE interface, parallel port, PS/2 mouse port, serial ports (2), VGA feature connector, VGA port

DELL COMPUTER CORPORATION
486
4XX/M, 4XXS/M
Floppy drive interface, IDE interface, parallel port, PS/2 mouse port, serial ports (2), VGA feature connector, VGA port

DELL COMPUTER CORPORATION
486
4XX/ME, 4XXS/ME
Floppy drive interface, IDE interface, parallel port, PS/2 mouse port, serial ports (2), VGA feature connector, VGA port

DELL COMPUTER CORPORATION
486
DGX-2 PROCESSOR BOARD
VGA feature connector, VGA port

DELL COMPUTER CORPORATION
486
DIMENSION 486SX/25, 486DX/33, 486DX2/50
Floppy drive interface, IDE interface, bus mouse port

DELL COMPUTER CORPORATION
486
DIMENSION XPS XX MDT, XPS XX FS
32-bit VESA local bus slots (2), floppy drive interface, IDE interface, parallel port, PS/2 mouse port, serial ports (2)

DELL COMPUTER CORPORATION
486
DIMENSION XPS XXX
32-bit VESA local bus slots (2), floppy drive interface, IDE interface (2), parallel port, PS/2 mouse port, serial ports (2)

DELL COMPUTER CORPORATION
486
DIMENSION XPS XXX MDT II
32-bit VESA local bus slots (2), floppy drive interface, IDE interfaces (2), parallel port, PS/2 mouse port, serial ports (2)

DELL COMPUTER CORPORATION
486
DIMENSION XPS XXXV
32-bit VESA local bus slots (2), floppy drive interface, IDE interface, parallel port, PS/2 mouse port, serial ports (2)

DELL COMPUTER CORPORATION
486
MIDSIZE 486 ISA/VL SYSTEMS
32-bit VESA local bus slot, floppy drive interface, IDE interface, parallel port, PS/2 mouse port, serial ports (2), feature connector, VGA port, riser slot

DELL COMPUTER CORPORATION
486
OMNIPLEX 4XX/ME
Floppy drive interface, IDE interface, parallel port, PS/2 mouse port, serial ports (2), feature connector, VGA port, riser slot, cache slot

DELL COMPUTER CORPORATION
486
POWEREDGE SP4XX
32-bit riser card, external cache card, floppy drive interface, IDE interface, parallel port, PS/2 mouse port, serial ports (2), VGA feature connector, VGA port

DELL COMPUTER CORPORATION
486
POWEREDGE XE 4XX
32-bit riser card, external cache card, floppy drive interface, IDE interface, parallel port, PS/2 mouse port, serial ports (2), VGA feature connector, VGA port

DELL COMPUTER CORPORATION
486
Precision 486SX/25, 486DX/33, 486DX2/50
Bus mouse port, floppy interface, IDE interface, parallel port, proprietary expansion module, serial ports (2), VGA port

DELL COMPUTER CORPORATION
486
Precision 486SX/25, Precision 486DX/33
None

DELL COMPUTER CORPORATION
486
SYSTEM 40XX/XE
Floppy drive interface, IDE interface, parallel port, PS/2 mouse port, serial ports (2), feature connector, VGA port, riser slot, cache slot

DELL COMPUTER CORPORATION
486
System 425E/433E
Parallel port, serial ports (2)

DELL COMPUTER CORPORATION
486
SYSTEM 425TE, SYSTEM 433TE
32-bit system memory card

DELL COMPUTER CORPORATION
486
System 433P
Bus mouse, cache card/shunt card slot, floppy interface, IDE interface, parallel port, riser card slot, serial ports (2), VGA port

DELL COMPUTER CORPORATION
486
SYSTEM 486/L
External cache card, floppy drive interface, IDE interface, parallel port, PS/2 mouse port, serial ports (2), VGA feature connector, VGA port

DELL COMPUTER CORPORATION
486
SYSTEM 486/T
Floppy drive interface, IDE interface, bus mouse port

DELL COMPUTER CORPORATION
486
System 486D
Bus mouse, floppy interface, IDE interface, parallel port, serial ports (2), VGA port

DELL COMPUTER CORPORATION
486
SYSTEM 486P
Bus mouse port, floppy interface, IDE interface, parallel port, riser card slot, serial ports (2), video upgrade socket, VGA port

DELL COMPUTER CORPORATION
486
SYSTEM 4XX/P NETPLEX
Bus mouse port, floppy drive interface, IDE interface, parallel port, riser card slot, serial ports (2), VGA feature connector, VGA port

DELL COMPUTER CORPORATION
486
System 4XXDE
32-bit external CPU card slot, bus mouse, floppy drive interface, IDE interface, status LCD, parallel port, serial ports (2), VGA port

DELL COMPUTER CORPORATION
486
SYSTEM 4XXSE
32-bit external CPU/NPU card slot, floppy drive interface, IDE interface, parallel port, serial ports (2), system status LCD, VGA port

DELL COMPUTER CORPORATION
486
SYSTEM V486/50/66 FS
Floppy drive interface, IDE interface, parallel interface, PS/2 mouse interface, serial ports (2), VGA feature connector

DELL COMPUTER CORPORATION
486
SYSTEM V486/50/66 MDT
Floppy drive interface, IDE interface, parallel port, serial ports (2)

DELL COMPUTER CORPORATION
486
SYSTEM V486/XX MDT
Floppy drive interface, IDE interface, parallel port, PS/2 mouse port,

DELL COMPUTER CORPORATION
486
SYSTEM V486/XX REV. 1

DELL COMPUTER CORPORATION
486
SYSTEM V486/XX SDT REV. 3
Floppy drive interface, IDE interface, parallel port, PS/2 mouse port, serial ports (2), VGA port

DELL COMPUTER CORPORATION
486
SYSTEM XPS 50/66 FS/MDT
32-bit VESA local bus slots (2), floppy drive interface, IDE interface, parallel port, PS/2 mouse port, serial ports (2)

DELL COMPUTER CORPORATION
486
SYSTEMS 4XX/L(V), 4XX/MX(V) OPTIPLEX
32-bit external cache card, 32-bit VESA local bus slot, floppy drive interface, IDE interface, parallel port, PS/2 mouse port, serial ports (2), VGA feature connector, VGA port

DELL COMPUTER CORPORATION
486
SYSTEMS 4XX/V & 4XX/DV
32-bit VESA local bus slots (2), floppy drive interface, IDE interface, parallel port, PS/2 mouse port, serial ports (2), VGA feature connector, VGA port

DELL COMPUTER CORPORATION
486
SYSTEMS 4XX/V, 4XXS/V, 4XX/DV, 4XXS/DV
32-bit VESA local bus slots (2), floppy drive interface, IDE interface, parallel port, PS/2 mouse port, serial ports (2), VGA feature connector, VGA port

DELL COMPUTER CORPORATION
486
V486DX/XX, XXS REV. 2

DELL COMPUTER CORPORATION
486
XPS 486 MIDSIZE
32-bit VESA local bus slots (2), floppy drive interface, IDE interface, parallel port, PS/2 mouse port, serial ports (2)

DELL COMPUTER CORPORATION
486
XPS 486 MIDSIZE VER. 2
32-bit VESA local bus slots (2), floppy drive interface, IDE interface, parallel port, PS/2 mouse port, serial ports (2)

DENSITRON COPRORATION
486
DPX-57
Ethernet 10BaseT connector, Ethernet AUI, floppy drive interface, game/MIDI port, green PC connector, IDE interface, SCSI interface, parallel port, PS/2 mouse interface, serial ports (2), VESA feature connector, VGA port, riser slot, flat panel conne

DESTINY COMPUTERS, INC.
486
486 ACE ADVANTAGE
None

DESTINY COMPUTERS, INC.
486
BLITZ 486 SLC-2
Floppy drive interface, IDE interface, parallel port, PS/2 mouse port, serial ports (2)