COMPAQ COMPUTER CORPORATION
SYSTEMPRO 386/33, SYSTEMPRO 486/33
Processor |
80386DX/80486DX |
Processor Speed |
33MHz |
Chip Set |
Intel |
Max. Onboard DRAM |
64MB (on system memory card Model 001370) |
Cache |
64/256KB (on external CPU card) |
BIOS |
Compaq |
Dimensions |
330mm x 218mm |
I/O Options |
System processor card slot, system processor card/Proprietary expansion card slot, 32-bit system memory card, 32-bit external memory card, VGA port, parallel port, serial port, bus mouse port, IDE interface, floppy drive interface |
NPU Options |
80387/3167 |
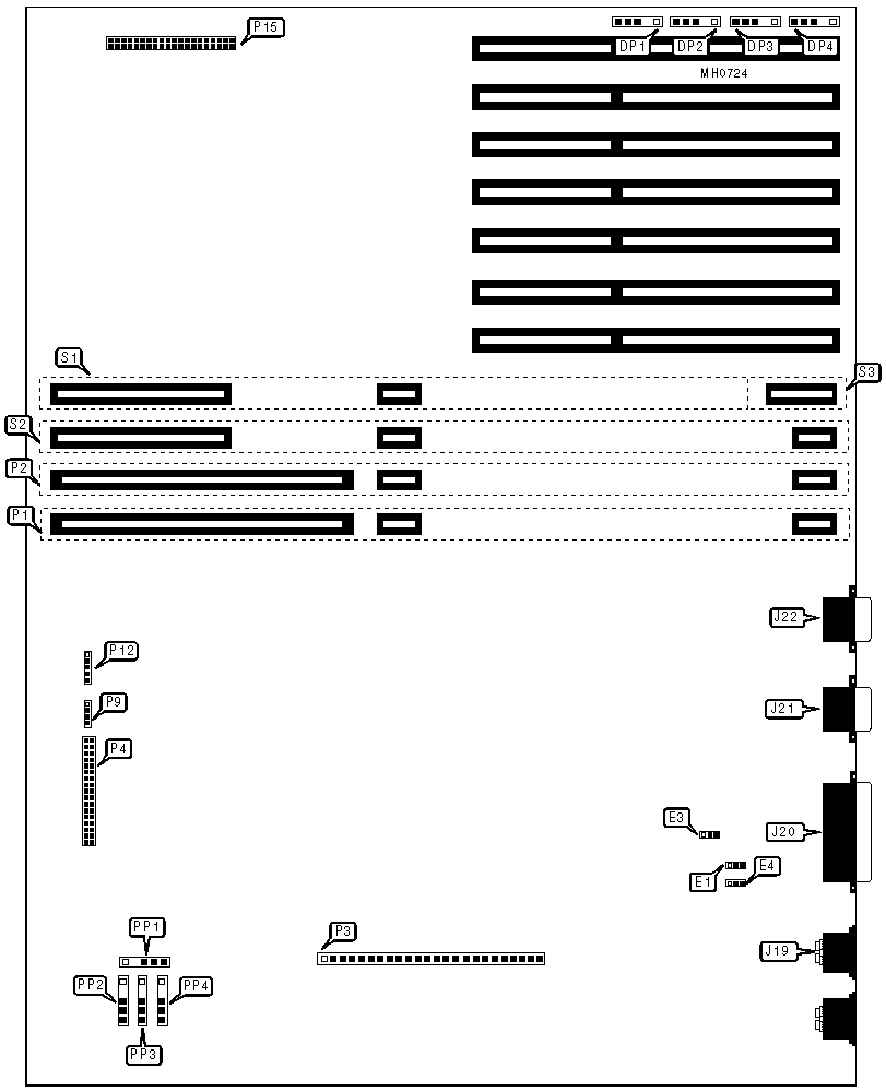
CONNECTIONS | |||
Purpose |
Location |
Purpose |
Location |
Drive power plugs |
DP1-DP4 |
Main power |
P3 |
Bus mouse port |
J19 |
Floppy drive interface |
P4 |
Parallel port |
J20 |
Fan power |
P12 |
Serial port |
J21 |
IDE interface |
P15 |
VGA port |
J22 |
Peripheral power plugs |
PP1-PP4 |
Proprietary system processor card |
P1 |
32-bit system memory card |
S1 |
System processor/external memory card |
P2 |
32-bit external memory card |
S2 |
Speaker |
P9 |
VGA pass through |
S3 |
USER CONFIGURABLE SETTINGS | |||
Function |
Jumper |
Position | |
» |
Password disabled |
E1 |
pins 1 & 2 closed |
Password enabled |
E1 |
pins 2 & 3 closed | |
» |
Factory configured - do not alter |
E2 |
N/A |
» |
Maintenance mode disabled |
E3 |
pins 2 & 3 closed |
Maintenance mode enabled |
E3 |
pins 1 & 2 closed | |
Onboard VGA controller enabled |
E4 |
pins 1 & 2 closed | |
Onboard VGA controller disabled |
E4 |
pins 2 & 3 closed |
SYSTEM MEMORY CARD (Model 001370)
CONNECTIONS | |
Purpose |
Location |
VGA pass through |
V1 |
DRAM CONFIGURATION | ||||
Size |
M0 |
M1 |
M2 |
M3 |
2MB |
2MB module |
NONE |
NONE |
NONE |
4MB |
2MB module |
2MB module |
NONE |
NONE |
6MB |
2MB module |
2MB module |
2MB module |
NONE |
8MB |
2MB module |
2MB module |
2MB module |
2MB module |
8MB |
8MB module (2 plug) |
----------------- |
NONE |
NONE |
8MB |
8MB module |
NONE |
NONE |
NONE |
10MB |
8MB module (2 plug) |
----------------- |
2MB module |
NONE |
10MB |
8MB module |
2MB module |
NONE |
NONE |
12MB |
8MB module (2 plug) |
----------------- |
2MB module |
2MB module |
12MB |
8MB module |
2MB module |
2MB module |
NONE |
14MB |
8MB module |
2MB module |
2MB module |
2MB module |
16MB |
8MB module (2 plug) |
----------------- |
8MB module (2 plug) |
----------------- |
16MB |
8MB module |
8MB module |
NONE |
NONE |
18MB |
8MB module |
8MB module |
2MB module |
NONE |
18MB |
8MB module (2 plug) |
----------------- |
8MB module |
2MB module |
20MB |
8MB module |
8MB module |
2MB module |
2MB module |
24MB |
8MB module (2 plug) |
----------------- |
8MB module |
8MB module |
24MB |
8MB module |
8MB module |
8MB module |
NONE |
26MB |
8MB module |
8MB module |
8MB module |
2MB module |
32MB |
8MB module |
8MB module |
8MB module |
8MB module |
32MB |
32MB module (2 plug) |
----------------- |
NONE |
NONE |
34MB |
32MB module (2 plug) |
----------------- |
2MB module |
NONE |
36MB |
32MB module (2 plug) |
----------------- |
2MB module |
2MB module |
40MB |
32MB module (2 plug) |
----------------- |
8MB module (2 plug) |
----------------- |
40MB |
32MB module (2 plug) |
----------------- |
8MB module |
NONE |
42MB |
32MB module (2 plug) |
----------------- |
8MB module |
2MB module |
48MB |
32MB module (2 plug) |
----------------- |
8MB module |
8MB module |
64MB |
32MB module (2 plug) |
----------------- |
32MB module (2 plug) |
----------------- |
Note:The system memory card uses proprietary memory modules, some require only one module space on the memory board, while others require two. In the cases where a double size module is used, the following space is marked with "-----------------", designating that space as occupied. |
DRAM CONFIGURATION | ||||||
Size |
M0 |
M1 |
M2 |
M3 |
M4 |
M5 |
2MB |
2MB |
NONE |
NONE |
NONE |
NONE |
NONE |
4MB |
2MB |
2MB |
NONE |
NONE |
NONE |
NONE |
6MB |
2MB |
2MB |
2MB |
NONE |
NONE |
NONE |
8MB |
2MB |
2MB |
2MB |
2MB |
NONE |
NONE |
8MB |
8MB |
NONE |
NONE |
NONE |
NONE |
NONE |
8MB |
8MB |
----------------- |
NONE |
NONE |
NONE |
NONE |
10MB |
2MB |
2MB |
2MB |
2MB |
2MB |
NONE |
10MB |
8MB |
2MB |
NONE |
NONE |
NONE |
NONE |
10MB |
8MB |
----------------- |
2MB |
NONE |
NONE |
NONE |
12MB |
2MB |
2MB |
2MB |
2MB |
2MB |
2MB |
12MB |
8MB |
2MB |
2MB |
NONE |
NONE |
NONE |
12MB |
8MB |
----------------- |
2MB |
2MB |
NONE |
NONE |
14MB |
8MB |
2MB |
2MB |
2MB |
NONE |
NONE |
14MB |
8MB |
----------------- |
2MB |
2MB |
2MB |
NONE |
16MB |
8MB |
2MB |
2MB |
2MB |
2MB |
NONE |
16MB |
8MB |
----------------- |
2MB |
2MB |
2MB |
2MB |
16MB |
8MB |
8MB |
NONE |
NONE |
NONE |
NONE |
16MB |
8MB |
----------------- |
8MB |
NONE |
NONE |
NONE |
16MB |
8MB |
----------------- |
8MB |
----------------- |
NONE |
NONE |
18MB |
8MB |
2MB |
2MB |
2MB |
2MB |
2MB |
18MB |
8MB |
8MB |
2MB |
NONE |
NONE |
NONE |
18MB |
8MB |
----------------- |
8MB |
2MB |
NONE |
NONE |
18MB |
8MB |
----------------- |
8MB |
----------------- |
2MB |
NONE |
20MB |
8MB |
8MB |
2MB |
2MB |
NONE |
NONE |
20MB |
8MB |
----------------- |
8MB |
2MB |
2MB |
NONE |
20MB |
8MB |
----------------- |
8MB |
----------------- |
2MB |
2MB |
22MB |
8MB |
8MB |
2MB |
2MB |
2MB |
NONE |
22MB |
8MB |
----------------- |
8MB |
2MB |
2MB |
2MB |
24MB |
8MB |
8MB |
2MB |
2MB |
2MB |
2MB |
24MB |
8MB |
8MB |
8MB |
NONE |
NONE |
NONE |
24MB |
8MB |
----------------- |
8MB |
----------------- |
8MB |
NONE |
24MB |
8MB |
----------------- |
8MB |
----------------- |
8MB |
NONE |
24MB |
8MB |
----------------- |
8MB |
8MB |
NONE |
NONE |
DRAM CONFIGURATION (CON’T) | ||||||
Size |
M0 |
M1 |
M2 |
M3 |
M4 |
M5 |
24MB |
8MB |
----------------- |
8MB |
----------------- |
8MB |
----------------- |
26MB |
8MB |
8MB |
8MB |
2MB |
NONE |
NONE |
26MB |
8MB |
----------------- |
8MB |
8MB |
2MB |
NONE |
26MB |
8MB |
----------------- |
8MB |
----------------- |
8MB |
2MB |
28MB |
8MB |
8MB |
8MB |
2MB |
2MB |
NONE |
28MB |
8MB |
----------------- |
8MB |
8MB |
2MB |
2MB |
30MB |
8MB |
8MB |
8MB |
2MB |
2MB |
2MB |
32MB |
8MB |
8MB |
8MB |
8MB |
NONE |
NONE |
32MB |
8MB |
----------------- |
8MB |
8MB |
8MB |
NONE |
32MB |
8MB |
----------------- |
8MB |
----------------- |
8MB |
8MB |
32MB |
32MB |
----------------- |
NONE |
NONE |
NONE |
NONE |
34MB |
8MB |
8MB |
8MB |
8MB |
2MB |
NONE |
34MB |
8MB |
----------------- |
8MB |
8MB |
8MB |
2MB |
34MB |
32MB |
----------------- |
2MB |
NONE |
NONE |
NONE |
36MB |
8MB |
8MB |
8MB |
8MB |
2MB |
2MB |
36MB |
32MB |
----------------- |
2MB |
2MB |
NONE |
NONE |
40MB |
8MB |
8MB |
8MB |
8MB |
8MB |
NONE |
40MB |
8MB |
----------------- |
8MB |
8MB |
8MB |
8MB |
40MB |
32MB |
----------------- |
2MB |
2MB |
2MB |
2MB |
40MB |
32MB |
----------------- |
8MB |
NONE |
NONE |
NONE |
40MB |
32MB |
----------------- |
8MB |
----------------- |
NONE |
NONE |
42MB |
8MB |
8MB |
8MB |
8MB |
8MB |
2MB |
42MB |
32MB |
----------------- |
8MB |
2MB |
NONE |
NONE |
42MB |
32MB |
----------------- |
8MB |
----------------- |
2MB |
NONE |
48MB |
8MB |
8MB |
8MB |
8MB |
8MB |
8MB |
48MB |
32MB |
----------------- |
8MB |
8MB |
NONE |
NONE |
48MB |
32MB |
----------------- |
8MB |
----------------- |
8MB |
----------------- |
50MB |
32MB |
----------------- |
8MB |
8MB |
2MB |
NONE |
50MB |
32MB |
----------------- |
8MB |
8MB |
----------------- |
2MB |
52MB |
32MB |
----------------- |
8MB |
8MB |
2MB |
2MB |
DRAM CONFIGURATION (CON’T) | ||||||
Size |
M0 |
M1 |
M2 |
M3 |
M4 |
M5 |
56MB |
32MB |
----------------- |
8MB |
8MB |
8MB |
NONE |
56MB |
32MB |
----------------- |
8MB |
----------------- |
8MB |
8MB |
58MB |
32MB |
----------------- |
8MB |
8MB |
8MB |
2MB |
64MB |
32MB |
----------------- |
8MB |
8MB |
8MB |
8MB |
64MB |
32MB |
----------------- |
32MB |
----------------- |
NONE |
NONE |
66MB |
32MB |
----------------- |
32MB |
----------------- |
2MB |
NONE |
68MB |
32MB |
----------------- |
32MB |
----------------- |
2MB |
2MB |
72MB |
32MB |
----------------- |
32MB |
----------------- |
8MB |
NONE |
72MB |
32MB |
----------------- |
32MB |
----------------- |
8MB |
----------------- |
74MB |
32MB |
----------------- |
32MB |
----------------- |
8MB |
2MB |
80MB |
32MB |
----------------- |
32MB |
----------------- |
8MB |
8MB |
96MB |
32MB |
----------------- |
32MB |
----------------- |
32MB |
----------------- |
Note:The system memory card uses proprietary memory modules, some require only one module space on the memory board, while others require two. In the cases where a double size module is used, the following space is marked with "-----------------", designating that space as occupied. |
PROCESSOR CARD (MODEL 001358)
CACHE CONFIGURATION | ||
Size |
Bank 0 |
TAG |
64KB |
(8) 8K x 8 |
(1) 4K x 8 |
256KB |
(8) 32K x 8 |
(1) 16K x 8 |
Note:System board layout is the artist's representation of what the system board might look like. All locations of components are unknown. |
CACHE CONFIGURATION | ||
Size |
Bank 0 |
TAG |
64KB |
(8) 8K x 8 |
(1) 4K x 8 |
256KB |
(8) 32K x 8 |
(1) 16K x 8 |
Note:System board layout is the artist's representation of what the system board might look like. All locations of components are unknown. |