COMPAQ COMPUTER CORPORATION
DESKPRO 486/33L DESKPRO 386/33L
Processor |
80306DX/80486DX |
Processor Speed |
33MHz |
Chip Set |
Intel |
Max. Onboard DRAM |
100MB (on system memory card) |
Cache |
None |
BIOS |
Compaq |
Dimensions |
330mm x 218mm |
I/O Options |
System processor card slot, proprietary system memory card, VGA port, parallel port, serial ports (2), bus mouse port, IDE interface, 3.5 and 5.25 inch floppy drive interface |
NPU Options |
None |
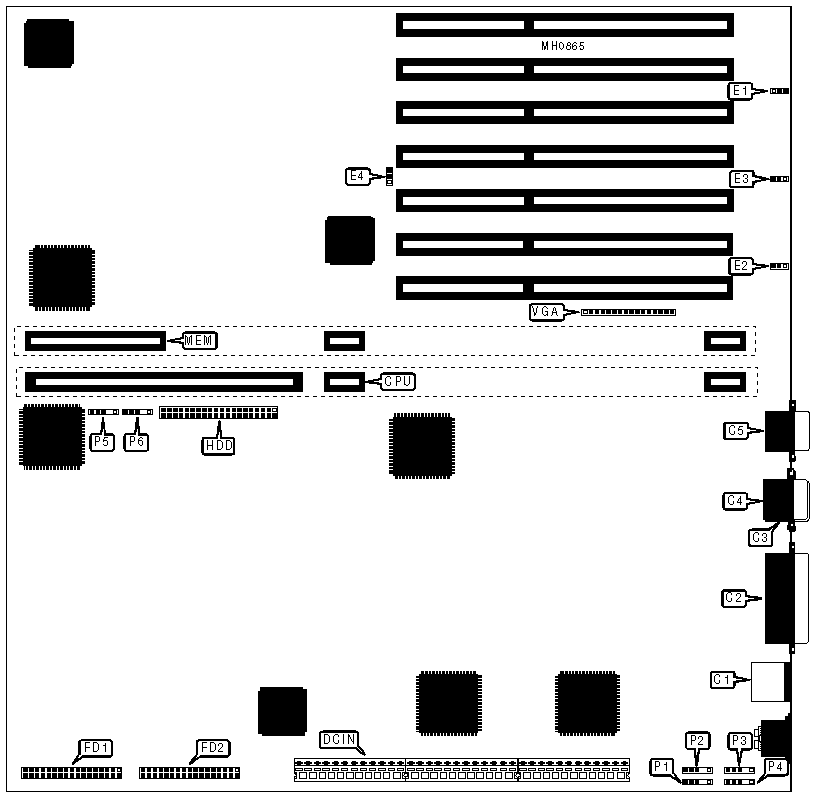
CONNECTIONS |
|||
Purpose |
Location |
Purpose |
Location |
Bus mouse port |
C1 |
3.5 inch floppy drive interface |
FD1 |
Parallel port |
C2 |
Floppy drive interface |
FD2 |
Serial port |
C3 |
IDE interface |
HDD |
VGA port |
C4 |
32-bit system memory card |
MEM |
Proprietary system processor card |
CPU |
Drive power plugs |
P1-P6 |
Main power |
DCIN |
VGA pass through |
VGA |
USER CONFIGURABLE SETTINGS |
|||
Function |
Jumper |
Position |
|
» |
Configuration enabled |
E1 |
pins 2 & 3 closed |
|
Configuration disabled (erased) |
E1 |
pins 1 & 2 closed |
» |
Password enabled |
E2 |
pins 2 & 3 closed |
|
Passowrd disabled |
E2 |
pins 1 & 2 closed |
» |
Onboard VGA controller enabled |
E3 |
pins 2 & 3 closed |
|
Onboard VGA controller disabled |
E3 |
pins 1 & 2 closed |
» |
Local bus hidden refresh enabled |
E4 |
pins 2 & 3 closed |
|
Local bus hidden refresh disabled |
E4 |
pins 1 & 2 closed |
Note:Not all jumpers are present on all board revisions. |
SYSTEM MEMORY CARD (Model 001370)
CONNECTIONS |
|
Purpose |
Location |
VGA pass through |
V1 |
DRAM CONFIGURATION |
||||
Size |
M0 |
M1 |
M2 |
M3 |
2MB |
2MB module |
NONE |
NONE |
NONE |
4MB |
2MB module |
2MB module |
NONE |
NONE |
6MB |
2MB module |
2MB module |
2MB module |
NONE |
8MB |
2MB module |
2MB module |
2MB module |
2MB module |
8MB |
8MB module (2 plug) |
----------------- |
NONE |
NONE |
8MB |
8MB module |
NONE |
NONE |
NONE |
10MB |
8MB module (2 plug) |
----------------- |
2MB module |
NONE |
10MB |
8MB module |
2MB module |
NONE |
NONE |
12MB |
8MB module (2 plug) |
----------------- |
2MB module |
2MB module |
12MB |
8MB module |
2MB module |
2MB module |
NONE |
14MB |
8MB module |
2MB module |
2MB module |
2MB module |
16MB |
8MB module (2 plug) |
----------------- |
8MB module (2 plug) |
----------------- |
16MB |
8MB module |
8MB module |
NONE |
NONE |
18MB |
8MB module |
8MB module |
2MB module |
NONE |
18MB |
8MB module (2 plug) |
----------------- |
8MB module |
2MB module |
20MB |
8MB module |
8MB module |
2MB module |
2MB module |
24MB |
8MB module (2 plug) |
----------------- |
8MB module |
8MB module |
24MB |
8MB module |
8MB module |
8MB module |
NONE |
26MB |
8MB module |
8MB module |
8MB module |
2MB module |
32MB |
8MB module |
8MB module |
8MB module |
8MB module |
32MB |
32MB module (2 plug) |
----------------- |
NONE |
NONE |
34MB |
32MB module (2 plug) |
----------------- |
2MB module |
NONE |
36MB |
32MB module (2 plug) |
----------------- |
2MB module |
2MB module |
40MB |
32MB module (2 plug) |
----------------- |
8MB module (2 plug) |
----------------- |
40MB |
32MB module (2 plug) |
----------------- |
8MB module |
NONE |
42MB |
32MB module (2 plug) |
----------------- |
8MB module |
2MB module |
48MB |
32MB module (2 plug) |
----------------- |
8MB module |
8MB module |
64MB |
32MB module (2 plug) |
----------------- |
32MB module (2 plug) |
----------------- |
Note: The system memory card uses proprietary memory modules, some require only one module space on the memory board, while others require two. In the cases where a double size module is used, the following space is marked with "-----------------", designating that space as occupied. |
DRAM CONFIGURATION |
||||||
Size |
M0 |
M1 |
M2 |
M3 |
M4 |
M5 |
6MB |
2MB |
NONE |
NONE |
NONE |
NONE |
NONE |
8MB |
2MB |
2MB |
NONE |
NONE |
NONE |
NONE |
10MB |
2MB |
2MB |
2MB |
NONE |
NONE |
NONE |
12MB |
2MB |
2MB |
2MB |
2MB |
NONE |
NONE |
12MB |
8MB |
NONE |
NONE |
NONE |
NONE |
NONE |
12MB |
8MB |
----------------- |
NONE |
NONE |
NONE |
NONE |
14MB |
2MB |
2MB |
2MB |
2MB |
2MB |
NONE |
14MB |
8MB |
2MB |
NONE |
NONE |
NONE |
NONE |
14MB |
8MB |
----------------- |
2MB |
NONE |
NONE |
NONE |
16MB |
2MB |
2MB |
2MB |
2MB |
2MB |
2MB |
16MB |
8MB |
2MB |
2MB |
NONE |
NONE |
NONE |
16MB |
8MB |
----------------- |
2MB |
2MB |
NONE |
NONE |
18MB |
8MB |
2MB |
2MB |
2MB |
NONE |
NONE |
18MB |
8MB |
----------------- |
2MB |
2MB |
2MB |
NONE |
20MB |
8MB |
2MB |
2MB |
2MB |
2MB |
NONE |
20MB |
8MB |
----------------- |
2MB |
2MB |
2MB |
2MB |
20MB |
8MB |
8MB |
NONE |
NONE |
NONE |
NONE |
20MB |
8MB |
----------------- |
8MB |
NONE |
NONE |
NONE |
20MB |
8MB |
----------------- |
8MB |
----------------- |
NONE |
NONE |
22MB |
8MB |
2MB |
2MB |
2MB |
2MB |
2MB |
22MB |
8MB |
8MB |
2MB |
NONE |
NONE |
NONE |
22MB |
8MB |
----------------- |
8MB |
2MB |
NONE |
NONE |
22MB |
8MB |
----------------- |
8MB |
----------------- |
2MB |
NONE |
24MB |
8MB |
8MB |
2MB |
2MB |
NONE |
NONE |
24MB |
8MB |
----------------- |
8MB |
2MB |
2MB |
NONE |
24MB |
8MB |
----------------- |
8MB |
----------------- |
2MB |
2MB |
26MB |
8MB |
8MB |
2MB |
2MB |
2MB |
NONE |
26MB |
8MB |
----------------- |
8MB |
2MB |
2MB |
2MB |
28MB |
8MB |
8MB |
2MB |
2MB |
2MB |
2MB |
28MB |
8MB |
8MB |
8MB |
NONE |
NONE |
NONE |
28MB |
8MB |
----------------- |
8MB |
8MB |
NONE |
NONE |
DRAM CONFIGURATION (CON'T) |
||||||
28MB |
8MB |
----------------- |
8MB |
----------------- |
8MB |
NONE |
28MB |
8MB |
----------------- |
8MB |
----------------- |
8MB |
----------------- |
30MB |
8MB |
8MB |
8MB |
2MB |
NONE |
NONE |
30MB |
8MB |
----------------- |
8MB |
8MB |
2MB |
NONE |
30MB |
8MB |
----------------- |
8MB |
----------------- |
8MB |
2MB |
32MB |
8MB |
8MB |
8MB |
2MB |
2MB |
NONE |
32MB |
8MB |
----------------- |
8MB |
8MB |
2MB |
2MB |
34MB |
8MB |
8MB |
8MB |
2MB |
2MB |
2MB |
36MB |
8MB |
8MB |
8MB |
8MB |
NONE |
NONE |
36MB |
8MB |
----------------- |
8MB |
8MB |
8MB |
NONE |
36MB |
8MB |
----------------- |
8MB |
----------------- |
8MB |
8MB |
36MB |
32MB |
----------------- |
NONE |
NONE |
NONE |
NONE |
38MB |
8MB |
8MB |
8MB |
8MB |
2MB |
NONE |
38MB |
8MB |
----------------- |
8MB |
8MB |
8MB |
2MB |
38MB |
32MB |
----------------- |
2MB |
NONE |
NONE |
NONE |
40MB |
8MB |
8MB |
8MB |
8MB |
2MB |
2MB |
40MB |
32MB |
----------------- |
2MB |
2MB |
NONE |
NONE |
44MB |
8MB |
8MB |
8MB |
8MB |
8MB |
NONE |
44MB |
8MB |
----------------- |
8MB |
8MB |
8MB |
8MB |
44MB |
32MB |
----------------- |
2MB |
2MB |
2MB |
2MB |
44MB |
32MB |
----------------- |
8MB |
NONE |
NONE |
NONE |
44MB |
32MB |
----------------- |
8MB |
----------------- |
NONE |
NONE |
46MB |
8MB |
8MB |
8MB |
8MB |
8MB |
2MB |
46MB |
32MB |
----------------- |
8MB |
2MB |
NONE |
NONE |
46MB |
32MB |
----------------- |
8MB |
----------------- |
2MB |
NONE |
DRAM CONFIGURATION (CON'T) |
||||||
52MB |
8MB |
8MB |
8MB |
8MB |
8MB |
8MB |
52MB |
32MB |
----------------- |
8MB |
8MB |
NONE |
NONE |
52MB |
32MB |
----------------- |
8MB |
----------------- |
8MB |
----------------- |
54MB |
32MB |
----------------- |
8MB |
8MB |
2MB |
NONE |
54MB |
32MB |
----------------- |
8MB |
8MB |
----------------- |
2MB |
56MB |
32MB |
----------------- |
8MB |
8MB |
2MB |
2MB |
60MB |
32MB |
----------------- |
8MB |
8MB |
8MB |
NONE |
60MB |
32MB |
----------------- |
8MB |
----------------- |
8MB |
8MB |
62MB |
32MB |
----------------- |
8MB |
8MB |
8MB |
2MB |
68MB |
32MB |
----------------- |
8MB |
8MB |
8MB |
8MB |
68MB |
32MB |
----------------- |
32MB |
----------------- |
NONE |
NONE |
70MB |
32MB |
----------------- |
32MB |
----------------- |
2MB |
NONE |
72MB |
32MB |
----------------- |
32MB |
----------------- |
2MB |
2MB |
76MB |
32MB |
----------------- |
32MB |
----------------- |
8MB |
NONE |
76MB |
32MB |
----------------- |
32MB |
----------------- |
8MB |
----------------- |
78MB |
32MB |
----------------- |
32MB |
----------------- |
8MB |
2MB |
84MB |
32MB |
----------------- |
32MB |
----------------- |
8MB |
8MB |
100MB |
32MB |
----------------- |
32MB |
----------------- |
32MB |
----------------- |
Note: The system memory card uses proprietary memory modules, some require only one module space on the memory board, while others require two. In the cases where a double size module is used, the following space is marked with "-----------------", designating that space as occupied. |