MOTHERBOARDS Pentium (socket 4,5,7)

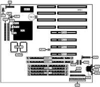
DASH - EFA

DASH COMPUTER, INC.
Pentium
586PCI/ISA CACHE (MP 058)
32-bit PCI slots (4), floppy drive interface, IDE interfaces (2), parallel port, PS/2 mouse port, serial ports (2), VRM connector, cache slot
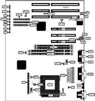
DASH COMPUTER, INC.
Pentium
DC-430VX
32-bit PCI slots (3), floppy drive interface, green PC connector, PS/2 mouse port, IDE interfaces (2), parallel port, serial ports (2), cache slot, VRM connector, USB connector
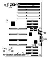
DATAEXPERT CORORATION
Pentium
TX430II
32-bit PCI slots (4), floppy drive interface, green PC connector, IDE interfaces (2), parallel port, PS/2 mouse interface, serial ports (2), IR connector, USB connector, ATX power connector
DATAEXPERT CORPORATION
Pentium
AIO8554
Floppy drive interface, green PC connector, IDE interfaces (2), parallel port, PS/2 mouse port, serial ports (2), VGA feature connector, VGA port, riser slot, wavetable connector, audio in – CD-ROMs (3), MIDI connector
DATAEXPERT CORPORATION
Pentium
ATX430
32-bit PCI slots (4), floppy drive interface, IDE interfaces (2), parallel port, PS/2 mouse port, serial ports (2), IR connector, USB connectors (2), ATX power connector
DATAEXPERT CORPORATION
Pentium
ATX431
32-bit PCI slots (4), floppy drive interface, IDE interfaces (2), parallel port, PS/2 mouse port, serial ports (2), IR connectors (2), USB connectors (2), ATX power connector
DATAEXPERT CORPORATION
Pentium
AVX430, ARISTO 5000
32-bit PCI slots (3), floppy drive interface, game/MIDI port, green PC connector, IDE interfaces (2), parallel port, PS/2 mouse port, serial ports (2), VGA port, cache slot, IR connector, USB connectors (2), ATX power connector, line in, line out, mi
DATAEXPERT CORPORATION
Pentium
EXP8051
32-bit PCI slots (4), green PC connector
DATAEXPERT CORPORATION
Pentium
EXP8054
32-bit PCI slots (3), floppy drive interface, game interface, IDE interfaces (2), parallel port, serial ports (2)
DATAEXPERT CORPORATION
Pentium
EXP8059P
32-bit PCI slots (4), green PC connector
DATAEXPERT CORPORATION
Pentium
EXP8561
32-bit PCI slots (4), floppy drive interface, IDE interfaces (2), parallel port, PS/2 mouse interface, serial ports (2), cache slot, USB connectors (2)
DATAEXPERT CORPORATION
Pentium
EXP8661
32-bit PCI slots (3), floppy drive interface, green PC connector, IDE interfaces (2), parallel port, PS/2 mouse interface, serial ports (2), cache slot, USB connectors (2)
DATAEXPERT CORPORATION
Pentium
EXP8851
32-bit PCI slots (4), green PC connector, VRM connector
DATAEXPERT CORPORATION
Pentium
EXP8J61
32-bit PCI slots (3), green PC connector, floppy drive interface, IDE interfaces (2), parallel port, PS/2 mouse interface, serial ports (2), IR connector, USB connectors (2)
DATAEXPERT CORPORATION
CX GX
GCT-MGX
32-bit PCI slots (3), floppy drive interface, game interface, green PC connector, IDE interfaces (2), parallel port, PS/2 mouse interface, serial ports (2), IR connector, ATX power connector, audio in – CD-ROMs (2)
DATAEXPERT CORPORATION
Cyrix GXM
MGX7520 (BABY AT)
32-bit PCI slots (2), floppy drive interface, game interface, green PC connector, IDE interfaces (2), parallel port, PS/2 mouse interface, serial ports (2), ATX power connector, MIDI/TV out connector, audio in - CD-ROMs (2), soft off power suppl
DATAEXPERT CORPORATION
Cyrix GXM
MGX7520 (SLIM)
Floppy drive interface, game interface, green PC connector, IDE interfaces (2), parallel port, PS/2 mouse port, serial ports (2), ATX power connector, MIDI/TV out connector, audio in - CD-ROMs (2), soft off power supply
DATAEXPERT CORPORATION
Pentium
MVP7598
32-bit PCI slots (3), floppy drive interface, IDE interfaces (2), parallel port, PS/2 mouse interface, serial ports (2), IR connector, USB connectors (2), ATX power connector, AGP slot, wake on LAN connector
DATAEXPERT CORPORATION
Pentium
TX430
32-bit PCI slots (4), floppy drive interface, green PC connector, IDE interfaces (2), parallel port, PS/2 mouse interface, serial ports (2), IR connector, USB connectors (2)
DATAEXPERT CORPORATION
Pentium
TX531
32-bit PCI slots (4), floppy drive interface, green PC connector, IDE interfaces (2), parallel port, PS/2 mouse port, serial ports (2), USB connector
DATAVAN INTERNATIONAL CORPORATION
Pentium
DTV-07C
Floppy drive interface, green PC connector, IDE interface, PS/2 mouse port, serial ports (2), VGA port, LCD panel connector
DAYTON MICRO
Pentium
P5510VX
32-bit PCI slots (4), floppy drive interface, green PC connector, IDE interfaces (2), parallel port, PS/2 mouse port, serial ports (2), cache slot, IR connector, VRM connector, USB connector
DELL COMPUTER CORPORATION
Pentium
DIMENSION PXXX
32-bit PCI slots (2), floppy drive interface, IDE interfaces (2), parallel port, PS/2 mouse port, serial port, VGA feature connector, VGA interface, ATX power connector
DELL COMPUTER CORPORATION
Pentium
DIMENSION PXXXS
32-bit PCI slots (4), floppy drive interface, IDE interfaces (2), parallel port, PS/2 mouse port, serial ports (2), cache slot, ATX power connector, line in, line out, microphone in, game/MIDI port, wavetable connector, CD-ROM audio in
DELL COMPUTER CORPORATION
Pentium
DIMENSION PXXXT
32-bit PCI slots (4), floppy drive interface, green PC connector, IDE interfaces (2), parallel port, PS/2 mouse port, serial ports (2), VESA feature connector, VGA interface, cache slot, IR connector, ATX power connector
DELL COMPUTER CORPORATION
Pentium
DIMENSION PXXXV
32-bit PCI slots (3), floppy drive interface, IDE interfaces (2), parallel port, PS/2 mouse port, serial ports (2), VESA feature connector, VGA port, cache slot, ATX power connector
DELL COMPUTER CORPORATION
Pentium
DIMENSION XPS MXXXS
32-bit PCI slots (4), floppy drive interface, IDE interfaces (2), parallel port, PS/2 mouse port, serial port, cache slot, USB connectors (2), ATX power connector, microphone in, line in, line out, CD-ROM audio in
DELL COMPUTER CORPORATION
Pentium
DIMENSION XPS PXXC MINITOWER
32-bit PCI slots (4), floppy drive interface, IDE interfaces (2), parallel port, PS/2 mouse port, serial ports (2), cache slot
DELL COMPUTER CORPORATION
Pentium
DIMENSION XPS PXXX
32-bit PCI local bus slots (3), floppy drive interface, IDE interface (2),
DELL COMPUTER CORPORATION
Pentium
DIMENSION XPS PXXXA/MXXXA
32-bit PCI slots (3), floppy drive interface, IDE interfaces (2), parallel port, PS/2 mouse port, serial port, VGA feature connector, VGA port, cache slot, USB connectors (2), ATX power connector
DELL COMPUTER CORPORATION
Pentium
DIMENSION XPS PXXXC
32-bit PCI slots (4), floppy drive interface, IDE interfaces (2), parallel port, PS/2 mouse port, serial ports (2), cache slot, ATX power connector
DELL COMPUTER CORPORATION
Pentium
DIMENSION XPS PXXXS (VER. 1)
32-bit PCI slots (4), floppy drive interface, game/MIDI port, IDE interfaces (2), parallel port, PS/2 mouse port, serial ports (2), cache slot, ATX power connector, line in, line out, microphone in, wavetable connector, audio in – CD-ROM
DELL COMPUTER CORPORATION
Pentium
DIMENSION XPS PXXXS (VER. 2)
32-bit PCI slots (4), floppy drive interface, game/MIDI port, IDE interfaces (2), parallel port, PS/2 mouse port, serial ports (2), ATX power connector, line in, line out, microphone in, wavetable connector, audio in – CD-ROM
DELL COMPUTER CORPORATION
Pentium
DTA
floppy drive interface, IDE interfaces (2), parallel port, PS/2 mouse port, serial ports (2), riser slots (2), VGA feature connector, VGA port
DELL COMPUTER CORPORATION
Pentium
OPTIPLEX 560/L
Floppy drive interface, IDE interface, parallel port, PS/2 mouse port, serial ports (2), feature connector, VGA port, riser slot
DELL COMPUTER CORPORATION
Pentium
OPTIPLEX DGX
Floppy drive interface, IDE interface, parallel port, PS/2 mouse port, serial ports (2), feature connector, VGA port, riser slot, cache slot
DELL COMPUTER CORPORATION
Pentium
OPTIPLEX GL, OPTIPLEX GL+
Ethernet 10BaseT connector, floppy drive interface, IDE interfaces (2), parallel port, PS/2 mouse port, serial ports (2), VGA feature connector, VGA port, riser slot, cache slot
DELL COMPUTER CORPORATION
Pentium
OPTIPLEX GM/GM+
Ethernet 10BaseT connector, floppy drive interface, IDE interfaces (2), parallel port, PS/2 mouse port, serial ports (2), VESA feature connector, VGA port, riser slot, cache slot, ATX power connector
DELL COMPUTER CORPORATION
Pentium
OPTIPLEX GMT, OPTIPLEX GMT+
Ethernet 10BaseT connector, floppy drive interface, IDE interfaces (2), parallel port, PS/2 mouse port, serial ports (2), VGA feature connector, VGA port, riser slot, cache slot
DELL COMPUTER CORPORATION
Pentium
OPTIPLEX GN, OPTIPLEX GN+
Ethernet 10BaseT connector, floppy drive interface, IDE interfaces (2), parallel port, PS/2 mouse port, serial ports (2), VGA port, riser slot,
DELL COMPUTER CORPORATION
Pentium
OPTIPLEX GS
Floppy drive interface, IDE interfaces (2), parallel port, PS/2 mouse port, serial ports (2), VGA port, riser slot, ATX power connector
DELL COMPUTER CORPORATION
Pentium
OPTIPLEX GS+
Ethernet 10Base T connector, floppy drive interface, IDE interfaces (2), parallel port, PS/2 mouse port, serial ports (2), VGA port, riser slot, ATX power connector
DELL COMPUTER CORPORATION
Pentium
OPTIPLEX GXI
Audio in-CD-ROM, floppy drive interface, IDE interfaces (2), parallel port, PS/2 mouse port, serial port, VGA port, riser slot, cache slot, USB connectors (2), ATX power connector, line in, line out, microphone in, NIC daughterboard slot
DELL COMPUTER CORPORATION
Pentium
OPTIPLEX GXL/GXM
Audio in-CD-ROM, Ethernet 10BaseT connector, floppy drive interface, IDE interfaces (2), parallel port, PS/2 mouse port, serial ports (2), VESA feature connector, VGA port, riser slot, cache slot, ATX power connector, line in, line out, microphone i
DELL COMPUTER CORPORATION
Pentium
OPTIPLEX GXMT
Ethernet 10BaseT connector, floppy drive interface, IDE interfaces (2), parallel port, PS/2 mouse port, serial ports (2), VGA feature connector, VGA port, riser slot, cache slot, line in, line out, microphone in, audio in – CD-ROM
DELL COMPUTER CORPORATION
Pentium
OPTIPLEX N
Ethernet 10BaseT connector, floppy drive interface, IDE interfaces (2), parallel port, PS/2 mouse port, serial ports (2), VGA port, riser slot,
DELL COMPUTER CORPORATION
Pentium
OPTIPLEX XL 575, 590, 5100, 5120, 5133
Floppy drive interface, IDE interfaces (2), parallel port, PS/2 mouse port, serial ports (2), feature connector, VGA port, riser slots (2)
DELL COMPUTER CORPORATION
Pentium
POWEREDGE SP 51XX-2
Floppy drive interface, IDE interface, SCSI interface, parallel port, PS/2 mouse port, serial ports (2), VESA feature connector, VGA port, riser slot, cache slot
DELL COMPUTER CORPORATION
Pentium
POWEREDGE SP 575-2
Floppy drive interface, IDE interface, parallel port, PS/2 mouse port, serial ports (2), VGA feature connector, VGA port, riser slot, cache slot, ATX power connector
DELL COMPUTER CORPORATION
Pentium
POWEREDGE SP 5XX-2
Floppy drive interface, IDE interface, parallel port, PS/2 mouse port, serial ports (2), VGA feature connector, VGA port, riser slot, cache slot, ATX power connector
DELL COMPUTER CORPORATION
Pentium
POWEREDGE SP 5XX/POWEREDGE XE 5XX/OMNIPLEX 5XX-ME
32-bit riser card, floppy drive interface, IDE interface, parallel port,
DELL COMPUTER CORPORATION
Pentium
POWEREDGE XE 51XX-2
Floppy drive interface, IDE interface, SCSI interface, parallel port, PS/2 mouse port, serial ports (2), VESA feature connector, VGA port, riser slot, cache slot
DELL COMPUTER CORPORATION
Pentium
POWEREDGE XE 51XX-2 (VER. 1)
Floppy drive interface, IDE interface, parallel port, PS/2 mouse port, serial ports (2), VESA feature connector, VGA port, riser slot, cache slot
DELL COMPUTER CORPORATION
Pentium
POWEREDGE XE 5XX-2
Floppy drive interface, IDE interface, parallel port, PS/2 mouse port, serial ports (2), VGA feature connector, VGA port, riser slot, cache slot, ATX power connector
DELL COMPUTER CORPORATION
Pentium
POWEREDGE XL 5133-4
External memory cards (2), 32-bit PCI slots (5), floppy drive interface, IDE interface, Ultra Wide SCSI interfaces (2), parallel port, PS/2 mouse port, serial ports (2), VGA port
DELL COMPUTER CORPORATION
Pentium
XE 5XX-2, SP5XX-2
Floppy drive interface, IDE interface, parallel port, PS/2 mouse port, serial ports (2), feature connector, VGA port, riser slot, cache slot
DELL COMPUTER CORPORATION
Pentium
XPS P60 FS/XPS P60 M
32-bit PCI local bus slots (3), floppy drive interface, IDE interface,
DELL COMPUTER CORPORATION
Pentium
XPS P90 MDT
32-bit PCI local bus slots (3), floppy drive interface, IDE interface,
DIAMOND FLOWER, INC.
Pentium
586IHX (REV. A+)
32-bit PCI slots (4), floppy drive interface, green PC connector, IDE interfaces (2), parallel port, PS/2 mouse port, serial ports (2), IR connector, USB connectors (2), ATX power connector
DIAMOND FLOWER, INC.
Pentium
586IPVG (REV. AD+)
32-bit PCI slots (4), floppy drive interface, green PC connector, IDE interfaces (2), parallel port, PS/2 mouse interface, serial ports (2), IR connector, USB connectors (2)
DIAMOND FLOWER, INC.
Pentium
586ITB (REV. A+)
32-bit PCI slots (4), floppy drive interface, green PC connector, IDE interfaces (2), parallel port, PS/2 mouse interface, serial ports (2), IR connector, USB connectors (2), ATX power connector
DIAMOND FLOWER, INC.
Pentium
586ITBD (REV. AD+)
32-bit PCI slots (4), floppy drive interface, green PC connector, IDE interfaces (2), parallel port, PS/2 mouse interface, serial ports (2), IR connector, USB connector, ATX power connector
DIAMOND FLOWER, INC.
Pentium
586ITOX (REV. B+)
32-bit PCI slots (2), floppy drive interface, green PC connector, IDE interfaces (2), parallel port, PS/2 mouse port, serial ports (2), VGA port, IR connector, USB connectors (2), ATX power connector
DIAMOND FLOWER, INC.
Pentium
586ITX (REV. A+)
32-bit PCI slots (4), floppy drive interface, green PC connector, IDE interfaces (2), parallel port, PS/2 mouse port, serial ports (2), IR connector, USB connectors (2), ATX power connector
DIAMOND FLOWER, INC.
Pentium
586ITXD (REV. A+)
32-bit PCI slots (4), floppy drive interface, green PC connector, IDE interfaces (2), parallel port, PS/2 mouse port, serial ports (2), IR connector, USB connectors (2), ATX power connector
DIAMOND FLOWER, INC.
Pentium
586IVX (REV. 2+)
32-bit PCI slots (4), floppy drive interface, green PC connector, IDE interfaces (2), parallel port, PS/2 mouse port, serial ports (2), IR connector, USB connectors (2), ATX power connector
DIAMOND FLOWER, INC.
Pentium
586IVX/S (REV. A+)
32-bit PCI slots (4), floppy drive interface, game/MIDI port, green PC connector, IDE interfaces (2), parallel port, PS/2 mouse port, serial ports (2), IR connector, USB connectors (2), ATX power connector, line in, line out, microphone in, wavetabl
DIAMOND FLOWER, INC.
Pentium
586IXTD (REV. C+)
32-bit PCI slots (4), floppy drive interface, green PC connector, IDE interfaces (2), parallel port, PS/2 mouse port, serial ports (2), IR connector, USB connectors (2), ATX power connector
DIAMOND FLOWER, INC.
Pentium
586IXTD (REV. D+)
32-bit PCI slots (4), floppy drive interface, green PC connector, IDE interfaces (2), parallel port, PS/2 mouse port, serial ports (2), IR connector, USB connectors (2), ATX power connector
DIAMOND FLOWER, INC.
Pentium
586OP
32-bit PCI slots (4), floppy drive interface, IDE interfaces (2), parallel port, PS/2 mouse interface, serial ports (2)
DIAMOND FLOWER, INC.
Pentium
586STC (REV. A+)
32-bit PCI slots (4), floppy drive interface, green PC connector, IDE interfaces (2), parallel port, PS/2 mouse interface, serial ports (2), IR connector
DIAMOND FLOWER, INC.
Pentium
586STC (REV. DC+)
32-bit PCI slots (4), floppy drive interface, green PC connector, IDE interfaces (2), parallel port, PS/2 mouse interface, serial ports (2), IR connector
DIAMOND FLOWER, INC.
Pentium
586STE (REV. A+)
32-bit PCI slots (4), floppy drive interface, green PC connector, IDE interfaces (2), parallel port, PS/2 mouse interface, serial ports (2)
DIAMOND FLOWER, INC.
Pentium
586STEG (REV. A+)
32-bit PCI slots (4), floppy drive interface, green PC connector, IDE interfaces (2), parallel port, PS/2 mouse interface, serial ports (2), IR connector, USB connector
DIAMOND FLOWER, INC.
Pentium
586TXD (REV. A+)
32-bit PCI slots (4), floppy drive interface, green PC connector, IDE interfaces (2), parallel port, PS/2 mouse interface, serial ports (2), IR connector, USB connectors (2), ATX power connector
DIAMOND FLOWER, INC.
Pentium
586VPM
32-bit PCI slots (4), floppy drive interface, green PC connector, IDE interfaces (2), parallel port, PS/2 mouse interface, serial ports (2), cache slot, IR connector, disk active connector
DIAMOND FLOWER, INC.
Pentium
586VXD (REV. CH1+)
32-bit PCI slots (4), floppy drive interface, green PC connector, IDE interface(2), parallel port, PS/2 mouse port, PS/2 mouse interface, serial ports (2), IR connector, USB connectors (2)
DIAMOND FLOWER, INC.
Pentium
C586VX (REV. A+), C586VX (REV. B+)
32-bit PCI slots (4), floppy drive interface, green PC connector, IDE interfaces (2), parallel port, PS/2 mouse interface, serial ports (2), IR connector
DIAMOND FLOWER, INC.
Pentium
C586VX (REV. C+)
32-bit PCI slots (4), floppy drive interface, green PC connector, IDE interfaces (2), parallel port, PS/2 mouse interface, serial ports (2), cache slot, IR connector, USB connectors (2)
DIAMOND FLOWER, INC.
Pentium
C586VXG (REV. AD+)
32-bit PCI slots (4), floppy drive interface, green PC connector, IDE interfaces (2), parallel port, PS/2 mouse interface, serial ports (2), IR connector, USB connectors (2)
DIAMOND FLOWER, INC.
Pentium
E586-ICP
32-bit PCI slots (4), IDE interface, PS/2 mouse interface
DIAMOND FLOWER, INC.
Pentium
E586-IPE
32-bit PCI slots (4), IDE interface, PS/2 mouse interface
DIAMOND FLOWER, INC.
Pentium
G56VPS PRO (REV. B+)
32-bit PCI slots (4), floppy drive interface, green PC connector, IDE interfaces (2), parallel port, PS/2 mouse interface, serial ports (2), IR connector
DIAMOND FLOWER, INC.
Pentium
G586IPB/E (REV. A+)
32-bit PCI slots (4), floppy drive interface, green PC connector, IDE interfaces (2), parallel port, PS/2 mouse interface, serial ports (2),
DIAMOND FLOWER, INC.
Pentium
G586IPC (REV. 0+)
32-bit PCI slots (4), floppy drive interface, green PC connector, IDE interfaces (2), parallel port, PS/2 mouse interface, serial ports (2), cache slot
DIAMOND FLOWER, INC.
Pentium
G586IPC (REV. D+)
32-bit PCI slots (4), floppy drive interface, game port, game interface, green PC connector, IDE interface, IDE interfaces (2), SCSI connector, parallel port, PS/2 mouse port, PS/2 mouse interface, serial ports (2), serial port, tape drive interface
DIAMOND FLOWER, INC.
Pentium
G586IPC (Rev. DF2+)
32-bit PCI slots (4), floppy drive interface, IDE interface (2), parallel port, serial ports (2), PS/2 mouse port, PS/2 or AT keyboard port/USB connectors (2) IR connector/green PC connector
DIAMOND FLOWER, INC.
Pentium
G586IPV (REV. A+)
32-bit PCI slots (4), floppy drive interface, green PC connector, IDE interfaces (2), parallel port, PS/2 mouse interface, serial ports (2), cache slot, IR connector
DIAMOND FLOWER, INC.
Pentium
G586IPV (REV. B+)
32-bit PCI slots (4), floppy drive interface, green PC connector, IDE interfaces (2), parallel port, PS/2 mouse interface, serial ports (2), cache slot, IR connector
DIAMOND FLOWER, INC.
Pentium
G586IPV (REV. C)
32-bit PCI slots (4), floppy drive interface, green PC connector, IDE interfaces (2), parallel port, PS/2 mouse interface, serial ports (2), cache slot, IR connector, USB connectors (2)
DIAMOND FLOWER, INC.
Pentium
G586IPV (REV. C+)
32-bit PCI slots (4), floppy drive interface, green PC connector, IDE interfaces (2), parallel port, PS/2 mouse interface, serial ports (2), cache slot, IR connector, USB connectors (2)
DIAMOND FLOWER, INC.
Pentium
G586IPV F (REV. A+ VER. 2.00)
DIAMOND FLOWER, INC.
Pentium
G586IPV/E (REV. B+)
32-bit PCI slots (4), floppy drive interface, green PC connector, IDE interfaces (2), parallel port, PS/2 mouse interface, serial ports (2)
DIAMOND FLOWER, INC.
Pentium
G586IPVF (REV. A+)
DIAMOND FLOWER, INC.
Pentium
G586OPA (REV. 0)
32-bit PCI slots (4), floppy drive interface, IDE interfaces (2), parallel port, PS/2 mouse interface, serial ports (2)
DIAMOND FLOWER, INC.
Pentium
G586OPA (REV. 0+)
32-bit PCI slots (4), floppy drive interface, IDE interfaces (2), parallel port, PS/2 mouse interface, serial ports (2)
DIAMOND FLOWER, INC.
Pentium
G586OPB (REV. 0+)
32-bit PCI slots (4), floppy drive interface, IDE interfaces (2), parallel port, PS/2 mouse interface, serial ports (2)
DIAMOND FLOWER, INC.
Pentium
G586SPA (REV. A+)
32-bit PCI slots (4), floppy drive interface, green PC connector, IDE interfaces (2), parallel port, PS/2 mouse interface, serial ports (2), IR connector
DIAMOND FLOWER, INC.
Pentium
G586SPB AIO (REV. A+)
32-bit PCI slots (3), floppy drive interface, green PC connector, IDE interfaces (2), parallel port, PS/2 mouse interface, serial ports (2), VGA feature connector, VGA interface, cache slot, IR connector
DIAMOND FLOWER, INC.
Pentium
G586VBP (REV. 0)
32-bit PCI slots (4), floppy drive interface, IDE interfaces (2), parallel port, PS/2 mouse interface, serial ports (2)
DIAMOND FLOWER, INC.
Pentium
G586VPA (REV. 0)
32-bit VESA local bus slot, 32-bit PCI slots (4), PS/2 mouse interface
DIAMOND FLOWER, INC.
Pentium
G586VPM (REV. A)
32-bit PCI slots (4), floppy drive interface, IDE interfaces (2), parallel port, PS/2 mouse interface, serial ports (2), cache slot
DIAMOND FLOWER, INC.
Pentium
G586VPM (REV. C+)
32-bit PCI slots (4), floppy drive interface, IDE interfaces (2), parallel port, PS/2 mouse interface, serial ports (2), cache slot
DIAMOND FLOWER, INC.
Pentium
G586VPM/C (REV. 0+), G586VPM/T (REV. C+)
32-bit PCI slots (4), floppy drive interface, green PC connector, IDE interfaces (2), parallel port, PS/2 mouse interface, serial ports (2)
DIAMOND FLOWER, INC.
Pentium
G586VX/E (REV. C+), G586IPV/E (REV. C+)
32-bit PCI slots (4, floppy drive interface, green PC connector, IDE interfaces (2), parallel port, PS/2 mouse port, serial ports (2), PS/2 mouse interface
DIAMOND FLOWER, INC.
Pentium
MBG586VPM2/R
32-bit PCI slots (4), floppy drive interface, green PC connector, IDE interface (2), parallel port, PS/2 mouse interface, serial ports (2)
DIAMOND FLOWER, INC.
Pentium
P5BTX/L (REV. A+)
32-bit PCI slots (4), floppy drive interface, green PC connector, IDE interfaces (2), parallel port, PS/2 mouse interface, serial ports (2), IR connector, USB connector
DIAMOND FLOWER, INC.
Pentium
P5BTX/L (REV. B+)
32-bit PCI slots (4), floppy drive interface, green PC connector, IDE interfaces (2), parallel port, PS/2 mouse interface, serial ports (2), IR connector, USB connectors (2)
DIAMOND FLOWER, INC.
Pentium
P5BV3 (REV.A+)
32-bit PCI slots (4), floppy drive interface, green PC connector, IDE interfaces (2), parallel port, PS/2 mouse port, serial ports (2), IR connector, USB connectors (2), ATX power connector, AGP slot,
DIAMOND FLOWER, INC.
Pentium
P5BV3+ (REV.A+)
32-bit PCI slots (4), floppy drive interface, green PC connector, IDE interfaces (2), parallel port, PS/2 mouse port, serial ports (2), IR connector, USB connectors (2), ATX power connector, AGP slot,
DIAMOND FLOWER, INC.
Pentium
P5BV3+ (REV.B+)
32-bit PCI slots (4), floppy drive interface, green PC connector, IDE interfaces (2), parallel port, PS/2 mouse port, serial ports (2), IR connector, USB connectors (2), ATX power connector, AGP slot,
DIAMOND FLOWER, INC.
Pentium
P5BVP (REV. A+)
32-bit PCI slots (4), floppy drive interface, green PC connector, IDE interfaces (2), parallel port, PS/2 mouse interface, serial ports (2), IR connector, USB connectors (2), ATX power connector
DIAMOND FLOWER, INC.
Pentium
P5XV3 (REV. A+)
32-bit PCI slots (4), floppy drive interface, green PC connector, IDE interfaces (2), parallel port, PS/2 mouse port, serial ports (2), IR connector, USB connectors (2), ATX power connector, AGP slot
DIAMOND FLOWER, INC.
Pentium
THE LEOPARD
32-bit PCI local bus slots (2), floppy drive interface,
DIGITAL EQUIPMENT CORPORATION
Pentium
CELEBRIS 560, CELEBRIS 575, CELEBRIS 590, CELEBRIS 590 FP, CELEBRIS 5100, CELEBRIS 5100 FP
Floppy drive interface, IDE interfaces (2), parallel port, PS/2 mouse port, serial ports (2), VGA feature connector, VGA port, riser slot, cache slot
DIGITAL EQUIPMENT CORPORATION
Pentium
CELEBRIS FX (VER. 2), VENTURIS FX (VER. 2)
DIGITAL EQUIPMENT CORPORATION
Pentium
CELEBRIS FX-2
Ethernet 10/100BaseT connector, parallel port, PS/2 mouse port, serial port, VGA feature connector, VGA port, VRM connector, USB connectors (2)
DIGITAL EQUIPMENT CORPORATION
Pentium
CELEBRIS GL
Ethernet 10Base5 connector, Ethernet 10BaseT connector, floppy drive interface, IDE interfaces (2), parallel port, PS/2 mouse port, VGA feature connector, VGA port, riser slot, cache slot, VRM connector, line in connector, speaker out connector, micr
DIGITAL EQUIPMENT CORPORATION
Pentium
DIGITAL SERVER 500
DIGITAL EQUIPMENT CORPORATION
Pentium
PC 3100
DIGITAL EQUIPMENT CORPORATION
Pentium
PC 5100
DIGITAL EQUIPMENT CORPORATION
Pentium
PC3010
Parallel port, PS/2 mouse port, serial ports (2), USB connectors (2)
DIGITAL EQUIPMENT CORPORATION
Pentium
PRIORIS HX MP
External memory cards (2), 32-bit PCI slots (6), floppy drive interface, parallel port, PS/2 mouse port, serial port, VGA port
DIGITAL EQUIPMENT CORPORATION
Pentium
PRIORIS XL 6000
32-bit PCI slots (3), Ethernet 10/100BaseT connector, floppy drive interface, Wide SCSI interface, parallel port, PS/2 mouse port, serial ports (2), VGA port, ATX power connector
DIGITAL EQUIPMENT CORPORATION
Pentium
STARION 200I, 300I
Floppy drive interface, IDE interfaces (2), parallel port, PS/2 mouse port, serial ports (2), VGA port, riser slot
DIGITAL EQUIPMENT CORPORATION
Pentium
STARION 400, 500
Floppy drive interface, IDE interface, parallel port, PS/2 mouse port, serial ports (2), VGA port, riser slot
DIGITAL EQUIPMENT CORPORATION
Pentium
STARION 400I, 500I, 600I, 700I, 800I, 900I
Floppy drive interface, IDE interfaces (2), parallel port, PS/2 mouse port, serial ports (2), VGA port, riser slot
DIGITAL EQUIPMENT CORPORATION
Pentium
STARION 700
Floppy drive interface, IDE interfaces (2), parallel port, PS/2 mouse port, serial ports (2), VGA port, riser slot
DIGITAL EQUIPMENT CORPORATION
Pentium
STARION 910, 915, 917, 920, 930, 932, 940, 942, 2001
Floppy drive interface, IDE interfaces (2), parallel port, PS/2 mouse port, serial port, VGA port, riser slot
DIGITAL EQUIPMENT CORPORATION
Pentium
VENTURIS 560
Floppy drive interface, IDE interfaces (2), parallel port, PS/2 mouse port, serial ports (2), VGA feature connector, VGA port, riser slot, cache slot
DIGITAL EQUIPMENT CORPORATION
Pentium
VENTURIS FX-2
Ethernet 10/100BaseT connector, parallel port, PS/2 mouse port, serial port, VGA feature connector, VGA port, VRM connector, USB connectors (2)
DIGITAL EQUIPMENT CORPORATION
Pentium
VENTURIS FXE
Floppy drive interface, IDE interfaces (2), game port (optional), PS/2 mouse port, serial ports (2), VGA feature connector, VGA port, cache slot, VRM connector, MPEG connector (optional), wavetable connector (optional)
[no image]DIGITAL EQUIPMENT CORPORATION
Pentium
VENTURIS PENTIUM (VER. 1.0)
Floppy drive interface, IDE interfaces (2), parallel port, PS/2 mouse port, serial ports (2), VGA port, riser slot
DIGITAL EQUIPMENT CORPORATION
Pentium
VENTURIS PENTIUM (VER. 2.0)
Floppy drive interface, IDE interfaces (2), parallel port, PS/2 mouse port, serial ports (2), VGA port, riser slot
DTK
Pentium
PAM-0050S (VER. 1.12)
32-bit PCI slots (4), floppy drive interface, game port, IDE interface, parallel port, PS/2 mouse port, serial ports (2), VGA feature connector
DTK
Pentium
PAM-0057I (VER. 3.02)
32-bit PCI slots (4), floppy drive interface, IDE interface, parallel port, PS/2 mouse port, serial ports (2), USB connectors (2)
DTK COMPUTER INC.
Pentium
PAM-0050V (VER. 1.10)
32-bit PCI slots (4), floppy drive interface, green PC connector, IDE interfaces (2), parallel port, PS/2 mouse interface, serial ports (2), IR connectors (2), USB connectors (2)
DTK COMPUTER INC.
Pentium
PAM-0055I (VER. 2.50)
32-bit PCI slots (4), floppy drive interface, green PC connector, IDE interfaces (2), parallel port, PS/2 mouse interface, serial ports (2), IR connector, USB connectors (2)
DTK COMPUTER INC.
Pentium
PAM-0056I (VER. 3.01)
32-bit PCI slots (4), floppy drive interface, green PC connector, IDE interfaces (2), parallel port, PS/2 mouse interface, serial ports (2), IR connector, USB connectors (2)
DTK COMPUTER INC.
Pentium
PAM-0057I (REV. 3.01)
32-bit PCI slots (4), floppy drive interface, green PC connector, IDE interfaces (2), parallel port, PS/2 mouse interface, serial ports (2), IR connector, USB connectors (2), PS/2 mouse port
DTK COMPUTER INC.
Pentium
PAM-0070I (VER. 1.00)
32-bit PCI slots (4), floppy drive interface, green PC connector, IDE interfaces (2), parallel port, PS/2 mouse port, serial ports (2), cache slot, IR connectors (2), USB connectors (2), ATX power connector, remote power switch
DTK COMPUTER, INC.
Pentium
PAM-0030P (VER. 1.00)
32-bit VESA local bus slots (2)
DTK COMPUTER, INC.
Pentium
PAM-0031I (VER. 1.00)
32-bit PCI slots (4), IDE interface, SCSI connector
DTK COMPUTER, INC.
Pentium
PAM-0032S (VER. 1.00)
32-bit PCI slots (4), green PC connector, IDE interfaces (2)
DTK COMPUTER, INC.
Pentium
PAM-0035S/QUIN-35
32-bit PCI slots (4) floppy drive interface, game port, green PC connector, IDE interfaces (2), parallel port, serial ports (2)
DTK COMPUTER, INC.
Pentium
PAM-0050S (VER. 1.11)
32-bit PCI slots (4), floppy drive interface, game port, IDE interface, parallel port, PS/2 mouse port, serial ports (2), VGA connector
DTK COMPUTER, INC.
Pentium
PAM-0051I (VER. 1.00)
32-bit PCI slots (3), floppy drive interface, IDE interfaces (2), parallel port, PS/2 mouse port, serial ports (2)
DTK COMPUTER, INC.
Pentium
PAM-0052I/QUIN-52
32-bit PCI slots (4)
DTK COMPUTER, INC.
Pentium
PAM-0054I
32-bit PCI slots (3), floppy drive interface, IDE interfaces (2), parallel port, PS/2 mouse port, serial ports (2), VRM connector
DTK COMPUTER, INC.
Pentium
PAM-0054I (VER. 1.10)
32-bit PCI slots (3), floppy drive interface, IDE interfaces (2), parallel port, PS/2 mouse port, serial ports (2), VRM connector
DTK COMPUTER, INC.
Pentium
PAM-0054I (VER. 1.30)
32-bit PCI slots (4), floppy drive interface, IDE interfaces (2), parallel port, PS/2 mouse port, serial ports (2), VRM connector
DTK COMPUTER, INC.
Pentium
PAM-0054I (VER. 2.30)
32-bit PCI slots (3), floppy drive interface, IDE interfaces (2), parallel port, PS/2 mouse port, serial ports (2), VGA feature connector, VGA port, VRM connector
DTK COMPUTER, INC.
Pentium
PAM-0054I(VER. 1.10a)
32-bit PCI slots (3), floppy drive interface, IDE interfaces (2), parallel port, PS/2 mouse port, serial ports (2), IR connector, VRM connector
DTK COMPUTER, INC.
Pentium
PAM-0055I (VER. 2.10)
32-bit PCI slots (4), floppy drive interface, green PC connector, IDE interfaces (2), parallel port, serial ports (2), IR connector, PS/2 mouse interface
DTK COMPUTER, INC.
Pentium
PAM-0055I (VER. 2.20)
32-bit PCI slots (4), floppy drive interface, green PC connector, IDE interfaces (2), parallel port, PS/2 mouse interface, serial ports (2), IR connector, USB connectors (2)
DTK COMPUTER, INC.
Pentium
PAM-0055I (VER. 2.50)
32-bit PCI slots (4), floppy drive interface, green PC connector, IDE interfaces (2), parallel port, PS/2 mouse interface, serial ports (2), IR connector, USB connectors (2)
DTK COMPUTER, INC.
Pentium
PAM-0055I (VER. 2.52)
32-bit PCI slots (4), floppy drive interface, green PC connector, IDE interfaces (2), parallel port, PS/2 mouse interface, serial ports (2), IR connector, USB connectors (2)
DTK COMPUTER, INC.
Pentium
PAM-0055I(VER. 1.10)
32-bit PCI slots (4), floppy drive interface, green PC connector, IDE interfaces (2), parallel port, serial ports (2), IR connector
DTK COMPUTER, INC.
Pentium
PAM-0056I (VER. 1.06)
32-bit PCI slots (4), floppy drive interface, green PC connector, IDE interfaces (2), parallel port, PS/2 mouse interface, serial ports (2), cache slot, IR connector, USB connectors (2)
DTK COMPUTER, INC.
Pentium
PAM-0056I (VER. 3.02)
32-bit PCI slots (4), floppy drive interface, IDE interface, parallel port, PS/2 mouse port, serial ports (2), IR connector, green PC connector, PS/2 mouse interface, USB connectors (2)
DTK COMPUTER, INC.
Pentium
PAM-0056I (VER. 5.02)
32-bit PCI slots (4), floppy drive interface, IDE interface, parallel port, PS/2 mouse port, serial ports (2), IR connector, Green PC connector, USB connectors (2)
DTK COMPUTER, INC.
Pentium
PAM-0057I (VER. 2.00)
32-bit PCI slots (4), floppy drive interface, green PC connector, IDE interfaces (2), parallel port, PS/2 mouse interface, serial ports (2), IR connector, USB connectors (2)
DTK COMPUTER, INC.
Pentium
PAM-0057I (VER. 3.03)
32-bit PCI slots (4), floppy drive interface, green PC connector, IDE interfaces (2), parallel port, PS/2 mouse interface, serial ports (2), IR connector, USB connectors (2)
DTK COMPUTER, INC.
Pentium
PAM-0057I (VER. 3.04)
32-bit PCI slots (4), floppy drive interface, green PC connector, IDE interfaces (2), parallel port, PS/2 mouse interface, serial ports (2), IR connector, USB connectors (2)
DTK COMPUTER, INC.
Pentium
PAM-0057I (VER. 5.01)
32-bit PCI slots (4), floppy drive interface, IDE interfaces (2), parallel port, PS/2 mouse port, serial ports (2), USB connector
DTK COMPUTER, INC.
Pentium
PAM-0057I (VER. 5.01)
32-bit PCI slots (4), floppy drive interface, IDE interfaces (2), parallel port, PS/2 mouse port, serial ports (2), USB connector
DTK COMPUTER, INC.
Pentium
PAM-0057V (VER. 3.01)
32-bit PCI slots (4), floppy drive interface, IDE interfaces (2), parallel port, PS/2 mouse port, PS/2 mouse interface, serial ports (2), IR connector, USB connectors (2)
DTK COMPUTER, INC.
Pentium
PAM-0057V (VER. 3.02)
32-bit PCI slots (4), floppy drive interface, IDE interfaces (2), parallel port, PS/2 mouse port, serial ports (2), serial port, USB connectors (2), IR connector
DTK COMPUTER, INC.
Pentium
PAM-0057V (VER. 3.03)
32-bit PCI slots (4), floppy drive interface, IDE interfaces (2), parallel port, PS/2 mouse port, PS/2 mouse interface, serial ports (2), IR connector, USB connectors (2)
DTK COMPUTER, INC.
Pentium
PAM-0061I (VER. 1.00)
Floppy drive interface, IDE interfaces (2), parallel port, PS/2 mouse port, serial ports (2), VGA feature connector, VGA port, riser slot, VRM connector
DTK COMPUTER, INC.
Pentium
PAM-0065I (VER. 1.01)
Floppy drive interface, IDE interfaces (2), parallel port, PS/2 mouse port, serial ports (2), VGA feature connector, VGA port, riser slot, cache slot, IR connector, USB connectors (2)
DTK COMPUTER, INC.
Pentium
PAM-0066I (VER. 1.20)
32-bit EISA slot, floppy drive interface, green PC connector, IDE interfaces (2), parallel port, PS/2 mouse port, serial ports (2), VGA feature connector, VGA port, wavetable connector, audio in - CD-ROM (2), audio connectors (2)
DTK COMPUTER, INC.
Pentium
PAM-0066I (VER. 1.21)
32-bit EISA slot, floppy drive interface, green PC connector, IDE interfaces (2), parallel port, PS/2 mouse port, serial ports (2), VGA feature connector, VGA port, wavetable connector, audio in - CD-ROM (2), audio connectors (2)
DTK COMPUTER, INC.
Pentium
PAM-006I (VER. 1.10)
Floppy drive interface, green PC connector, IDE interfaces (2), parallel port, PS/2 mouse port, serial ports (2), VGA feature connector, VGA port, IR connector, ATX power connector, wavetable interface, CD-ROM audio (2)
DTK COMPUTER, INC.
Pentium
PAM-0070S (VER. 1.10)
32-bit PCI slots (4), floppy drive interface, game port, IDE interfaces (2), parallel port, PS/2 mouse port, serial ports (2), IR connector, USB connectors (2), ATX power connector, wavetable connector, microphone in, line in, speaker out
DTK COMPUTER, INC.
Pentium
PAM-0072V (VER. 1.10)
32-bit PCI slots (4), floppy drive interface, game port, IDE interface, parallel port, PS/2 mouse port, serial ports (2), ATX power connector, AGP slot, USB connectors (2), wavetable connector, audio in-CD-ROMs (2), microphone in, speaker out, line i
DTK COMPUTER, INC.
Pentium
PAM-0073I (VER. 1.00)
32-bit PCI slots (4), floppy drive interface, IDE interfaces (2), parallel port, PS/2 mouse port, serial ports (2), IR connector, USB connectors (2), ATX power connector
DTK COMPUTER, INC.
Pentium
PAM-0073I (VER. 1.10)
32-bit PCI slots (4), floppy drive interface, IDE interfaces (2), parallel port, PS/2 mouse port, serial ports (2), IR connector, USB connectors (2), ATX power connector
DTK COMPUTER, INC.
Pentium
PAM-0073I (VER. 1.20)
32-bit PCI slots (4), floppy drive interface, IDE interfaces (2), parallel port, PS/2 mouse port, serial ports (2), IR connector, USB connectors (2), ATX power connector
DTK COMPUTER, INC.
Pentium
PAM-0073I (VER. 2.00)
32-bit PCI slots (4), floppy drive interface, IDE interfaces (2), parallel port, PS/2 mouse port, serial ports (2), IR connector, USB connectors (2), ATX power connector
DTK COMPUTER, INC.
Pentium
PAM-0075I (VER. 1.00)
32-bit PCI slots (3), floppy drive interface, game/MIDI port, IDE interfaces (2), parallel port, PS/2 mouse port, serial ports (2), VGA port, USB connectors (2), ATX power connector, microphone in, line in, speaker out, AMC/VFC connector, TV out conn
DTK COMPUTER, INC.
Pentium
PAM-0075I (VER. 1.10)
32-bit PCI slots (3), floppy drive interface, game/MIDI port, IDE interfaces (2), parallel port, PS/2 mouse port, serial ports (2), VGA port, USB connectors (2), ATX power connector, microphone in, line in, speaker out, AMC/VFC connector, TV out conn
DTK COMPUTER, INC.
Pentium
PAM-9051I
32-bit PCI bus slots (3), floppy drive interface, IDE interfaces (2), parallel port, serial ports (2)
EDOM INTERNATIONAL CORPORATION
Pentium
586PCI (MP033)
32-bit VESA local bus slots (3), 32-bit PCI slots (4)
EDOM INTERNATIONAL CORPORATION
Pentium
586VIP (MP039)
32-bit VESA local bus slots (2), 32-bit PCI slots (4)
EDOM INTERNATIONAL CORPORATION
Pentium
MP054
32-bit PCI slots (4), floppy drive interface, IDE interfaces (2), parallel port, PS/2 mouse port, PS/2 mouse interface, serial ports (2)
EDOM INTERNATIONAL CORPORATION
Pentium
MP082
32-bit PCI slots (3), floppy drive interface, green PC connector, IDE interfaces (2), parallel port, PS/2 mouse interface, serial ports (2), IR connector, USB connectors (2)
EFA CORPORATION
Pentium
586APCI
32-bit PCI slots (4), PS/2 mouse interface
EFA CORPORATION
Pentium
E5TX-AT
32-bit PCI slots (4), floppy drive interface, green PC connector, IDE interfaces (2), parallel port, PS/2 mouse interface, serial ports (2), IR connector, USB connector
EFA CORPORATION
Pentium
P54CNPCI
32-bit PCI slots (4), PS/2 mouse interface
EFA CORPORATION
Pentium
P54CSPIO
32-bit PCI slots (4), floppy drive interface, IDE interfaces (2), parallel port, PS/2 mouse port, serial ports (2)
EFA CORPORATION
Pentium
P55SVPIO
32-bit PCI slots (3), floppy drive interface, IDE interfaces (2), parallel port, serial ports (2), VGA feature connector, VGA port, cache slot, VRM connector
EFA CORPORATION
Pentium
P55T2PIO (REV. 2.0), P55T2SPIO (REV. 2.0)
32-bit PCI slots (4), floppy drive interface, green PC connector, IDE interfaces (2), parallel port, PS/2 mouse interface, serial ports (2), USB connectors (2), IR connector, audio bus slot
EFA CORPORATION
Pentium
P55TPIO
32-bit PCI slots (4), floppy drive interface, green PC connector, IDE interfaces (2), parallel port, serial ports (2), VRM connector, cache slot
EFA CORPORATION
Pentium
P55TPIO-B/P55TSPIO-B
32-bit PCI slots (3), floppy drive interface, green PC connector, IDE interfaces (2), parallel port, serial ports (2), audio bus slot, VRM connector
EFA CORPORATION
Pentium
P5MP4
32-bit PCI slots (4), PS/2 mouse port
EFA CORPORATION
Pentium
P5TSVX-ATX
32-bit PCI slots (4), floppy drive interface, game/MIDI port, green PC connector, IDE interfaces (2), parallel port, PS/2 mouse port, serial ports (2), cache slot, IR connector, USB connectors (2), ATX power connector, line in connector, line out con
EFA CORPORATION
Pentium
P5TVX-AT
32-bit PCI slots (4), floppy drive interface, green PC connector, IDE interfaces (2), parallel port, PS/2 mouse interface, serial ports (2), cache slot, IR connector, USB connectors (2)
EFA CORPORATION
Pentium
P5TX-AT
32-bit PCI slots (4), floppy drive interface, green PC connector, IDE interfaces (2), parallel port, PS/2 mouse port, serial ports (2), cache slot, IR connector, USB connector
EFA CORPORATION
Pentium
P5TX-ATX
32-bit PCI slots (4), floppy drive interface, green PC connector, IDE interfaces (2), parallel port, PS/2 mouse interface, serial ports (2), IR connector, USB connector, ATX power connector
EFA CORPORATION
Pentium
P5V580-AT
32-bit PCI slots (3), floppy drive interface, green PC connector, IDE interfaces (2), parallel port, serial ports (2)
EFA CORPORATION
Pentium
P5V580-AT-C
32-bit PCI slots (3), floppy drive interface, green PC connector, IDE interfaces (2), parallel port, PS/2 mouse interface, serial ports (2), IR connector
EFA CORPORATION
Pentium
P5VPX97-AT
32-bit PCI slots (4), floppy drive interface, green PC connector, IDE interfaces (2), parallel port, PS/2 mouse interface, serial ports (2), USB connector, ATX power connector