DELL COMPUTER CORPORATION
DIMENSION XPS MXXXS
Processor |
Pentium |
Processor Speed |
166/200MHz |
Chip Set |
Intel |
Video Chip Set |
None |
Maximum Onboard Memory |
64MB |
Maximum Video Memory |
None |
Cache |
512KB |
BIOS |
Unidentified |
Dimensions |
305mm x 244mm |
I/O Options |
32-bit PCI slots (4), floppy drive interface, IDE interfaces (2), parallel port, PS/2 mouse port, serial port, cache slot, USB connectors (2), ATX power connector, microphone in, line in, line out, CD-ROM audio in |
NPU Options |
None |
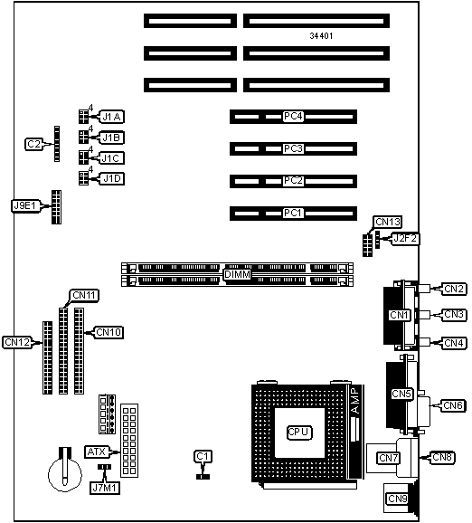
CONNECTIONS | |||
Purpose |
Location |
Purpose |
Location |
ATX power connector |
ATX |
PS/2 mouse port |
CN9 |
SCSI interface LED |
C2 |
IDE interface 2 |
CN10 |
Game/MIDI port |
CN1 |
IDE interface 1 |
CN11 |
Microphone in |
CN2 |
Floppy drive interface |
CN12 |
Line in |
CN3 |
Wavetable connector Cache slot |
CN13 |
Line out |
CN4 |
CD-ROM audio in |
J2F2 |
Parallel port |
CN5 |
Chassis fan power |
J7M1 |
Serial port |
CN6 |
Front panel connector |
J9E1 |
USB connector |
CN7 |
32-bit PCI slots |
PC1 – PC4 |
USB connector |
CN8 |
Cache slot |
SL1 |
USER CONFIGURABLE SETTINGS | |||
Function |
Label |
Position | |
» |
Factory configured - do not alter |
C1 |
Unidentified |
Password enabled |
J1A |
Pins 1 & 2 closed | |
Password disabled |
J1A |
Pins 2 & 3 closed | |
» |
CMOS memory normal operation |
J1A |
Pins 4 & 5 closed |
CMOS memory clear |
J1A |
Pins 5 & 6 closed | |
Setup access enabled |
J1B |
Pins 1 & 2 closed | |
Setup access disabled |
J1B |
Pins 2 & 3 closed | |
» |
Factory configured - do not alter |
J1B/pins 4 - 6 |
Open |
DIMM CONFIGURATION | ||
Size |
Bank 0 |
Bank 1 |
16MB |
(1) 2M x 64 |
None |
32MB |
(1) 4M x 64 |
None |
32MB |
(1) 2M x 64 |
(1) 2M x 64 |
48MB |
(1) 4M x 64 |
(1) 2M x 64 |
64MB |
(1) 4M x 64 |
(1) 4M x 64 |
Note: The location of the banks is unidentified. |
CACHE CONFIGURATION | |
Size |
SL1 |
512KB |
512KB module installed |
CPU SPEED SELECTION | ||||
CPU speed |
Clock speed |
Multiplier |
J1C |
J1D |
166MHz |
66MHz |
2.5x |
1 & 2, 5 & 6 |
2 & 3, 5 & 6 |
200MHz |
66MHz |
3x |
1 & 2, 5 & 6 |
1 & 2, 5 & 6 |
Note: Pins designated should be in the closed position. |