A Simple Interface For A Stepper Motor
Marvin L. De Jong
Department of Mathematics-Physics
The School of the Ozarks
The circuit shown in Figure 1 and the programs given in Listing 1 allow you to drive a stepper motor with your 6502 based microcomputer. Why run a stepper motor? Perhaps to drive a solar panel to follow the sun, homebrew your own x-y plotter, run a pump at a preselected rate, or turn your robot's head. Whatever your application may be, here is some information to get you started working with stepper motors. You will want to get additional information from the following companies:
AIRPAX
North American Philips Controls Corp.
Chesire Industrial Park
Cheshire, CONN 06410
(203) 272-0301
Dana Industrial
11901 Burke St.
Santa Fe Springs, CA 90670
(213) 698-2595
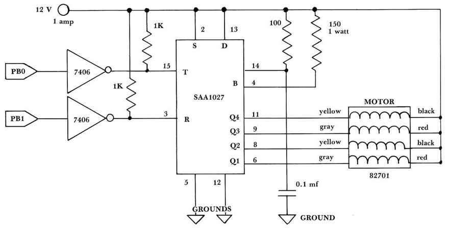
You can get a nice Stepper Motor Handbook from AIRPAX, and the specification sheet for the Stepper Motor IC Driver SAA1027 also is available from AIRPAX. The circuit we used made use of this integrated circuit driver and an AIRPAX 82701 stepper motor. The circuit was breadboarded on a FIRST MATE/SECOND MATE system from MicroMate.
The circuit of Figure 1 consists of a 7406 inverter with high voltage open-collector outputs. Two pins of the Port B application port on the computer drive the 7406 which in turn controls the trigger (T) input and the rotation direction (R) input on the stepper motor IC driver. The driver chip controls the stepper motor.
Listing 1 gives several subroutines that may be used to control the motor. The instructions in the INITIALIZE routine should be used near the beginning of any program to drive the stepper motor. These instructions place the proper logic levels on the T and R pins. In Listing 1 the initialization instructions are part of a short program from $0300 to $0328 that will run the stepper motor at a constant rate. The rate used in this program is about 200 steps/second, near the maximum rate for this particular motor. Since each step for the 82701 is a 7.5° step, the rotation rate is 250 rpm.
The INITIALIZE and MOTOR RUN routines call two subroutines, TRIGGER and either CW or CCW. Calling subroutine TRIGGER produces one step on the stepper motor. If the TRIGGER call is preceded by a subroutine call for CW, then the motor will turn clockwise (CW). If CCW (for counterclockwise) is called, then the motor will turn counterclockwise. The MOTOR RUN routine is an infinite loop, and is listed here to show how to make the motor run. Note that we have used the T1 timer on the 6522 VIA to control the time between steps.
Subroutine MOVE can be used to turn the stepper motor a prescribed number of steps, either CW or CCW depending on which subroutine is called. The number of steps is stored in location STEPS at address $0000. Again, the T1 timer on the 6522 VIA is used to produce the necessary delay between steps. The stepper motor is not capable of turning as fast as the computer can toggle the T input, hence either a timer delay or a delay loop must be used to wait.
Be sure to get all the information about various motors and drivers before you get started with your project. Quite obviously, different projects will demand different motors; larger, smaller, geared, linear actuators, etc. Then build something spectacular and let us hear about it.

Figure 1. Stepper motor interface. The SAA1027 is a special driver integrated circuit. The 7406 will also require five volts for its own power.
Listing 1. Driver Routines for the Stepper Motor Interface.
0300 A9 03 INITIALIZE LDA $03 Set up Port B to make pins PB0 and PB1 0302 8D 02 A0 STA PBDD output pins. 0305 A9 00 LDA $00 Pull driver pins T and R to logic one 0307 8D 00 A0 STA PBD through the 7406 inverter. 030A A9 40 MOTOR RUN LDA $40 Put the T1 timer in its free-running 030C 8D 0B A0 STA ACR mode by setting bit six to logic one. 030F A9 86 LDA $86 Set up the T1 timer to time out every 0311 8D 04 A0 STA T1LL 5 milliseconds giving 200 steps/sec. 0314 A9 13 MORE LDA $13 ($1386 + 2 = 5000) 0316 8D 05 A0 STA T1LH Now the timer is loaded and running. 0319 2C 0D A0 LOAF BIT IFR Has the timer out? 031C 50 FB BVC LOAF No. Then loaf here. 031E 20 07 04 JSR CW Subroutine CW will result in motor 0321 20 00 04 JSR TRIGGER running clockwise, CCW turns it counter- 0324 AD 04 A0 LDA T1CL clockwise. Subroutine TRIGGER produces 0327 18 CLC one step of the motor. 0328 90 EA BCC MORE clear the interrupt flag, then return to make another step 0400 EE 00 A0 TRIGGER INC PBD Pulse the T input of the stepper motor 0403 CE 00 A0 DEC PBD driver. 0406 60 RTS 0407 A9 02 CW LDA $02 Bring the R input to logic zero for 0409 0D 00 A0 ORA PBD clockwise (CW) rotation, by making 040C 8D 00 A0 STA PBD PB1 logic one. 040F 60 RTS 0410 A9 FD CCW LDA $FD Bring the R input to logic one for 0412 2D 00 A0 AND PBD counterclockwise (CCW) rotation, by 0415 8D 00 A0 STA PBD making PB1 logic zero. 0418 60 RTS 0500 A9 00 MOVE LDA $00 Set up T1 for the one-shot mode 0502 8D 0B A0 STA ACR by clearing the 6522 ACR. 0505 20 10 04 JSR CCW Motor will turn counterclockwise. 0508 A9 87 LDA $87 Timer will wait 5 milliseconds between 050A 8D 04 A0 STA T1LL steps. 050D A9 13 AGAIN LDA $13 050F 8D 05 A0 STA T1LH Timer is now loaded and running. 0512 2C 0D A0 WAIT BIT IFR Has it timed out? 0515 50 FB BVC WAIT No. Then wait here. 0517 20 00 04 JSR TRIGGER Here the motor turns one step. 051A C6 00 DEC STEPS Decrement the step counter. 051C D0 EF BNE AGAIN Has it reached zero? 051E 60 RTS Yes. Then turn is complete.