Classic Computer Magazine Archive COMPUTE! ISSUE 25 / JUNE 1982 / PAGE 46

A VIC Intelligent Video Disc System

Claire J. Carr and Everett Q, Carr
Herkimer, NY

Numerous ideas come to mind, especially for educational applications, when a VIC can be used to control a video disc machine.

The Commodore VIC-20 can control the Pioneer VP 1000 LaserDisc. What it takes is an adapter circuit attached to the VIC User Port. By adding a printed circuit board to the adapter it can be controlled by a PET computer. Adding the software and a suitable laser disc results in an "intelligent" video disc system. This new teaching tool is part of the information technology revolution that many predict will change schools radically during the next generation. We wanted to explore First-hand what could be done with an intelligent video disc system, possibly an important tool in the future of education.

As teachers, our major interest is to improve the art of teaching for the benefit of students. In an ordinary class, the range of student capability can be equal to the grade number. A fourth grade class can therefore contain students with a reading capability ranging from 1st to 8th grade level. In a 20 pupil class, students receive actual individual attention which amounts to only minutes a day. They get few trials at mastery of any topic. The wide spread in classroom capability, cultural biases of both city and rural schools, and the competition of TV can each damage a teacher's efforts to provide an atmosphere which motivates students.

Also, outstanding teaching is rarely transmitted. Few teachers have the resources to communicate beyond a local area. The use of an intelligent disc could lead to improved education. It actually leverages teacher time and permits an increase in contacts with students. This system can improve the accuracy of presentation and increase, by orders of magnitude, the number of possible trials a student encounters in achieving subject mastery. The system also requires student involvement and, with properly designed software, supplies immediate feedback to correct errors and speed mastery.

We had already built an adapter to connect between the PET 2000 (32K) and the Pioneer VP1000 LaserDisc video player.

What is significant about the video disc? It is the storage capacity, up to 54,000 individual picture frames on a half hour side of a LaserDisc. Each frame is numbered, encoded in the 17 spare lines of the TV frame. The Pioneer LaserDisc decodes the frame number and displays it on the TV screen on command. There are extended play versions of LaserDisc's operating at double the track density. Unfortunately, they skip putting the frame numbers on double density discs. One reason, it appears, is that, in one hour per side extended play made, the disc plays at constant linear velocity. The rate of disc rotation changes from 1800 RPM on the inner track to 600 RPM on the outer disc track. In the single play mode there is constant angular velocity with the disc held at 1800RPM.

It is straightforward to interface the VIC-20 to the Pioneer, VP1000 LaserDisc player. A block diagram of the VIC Intelligent Video Disc System is shown in Figure 1. The switch box shown in Figure 1 allows the use of a single TV monitor for the VIC and the Pioneer player. The switch box contains RF connectors for the computer, disc, and TV. We used the inexpensive Type F connectors.

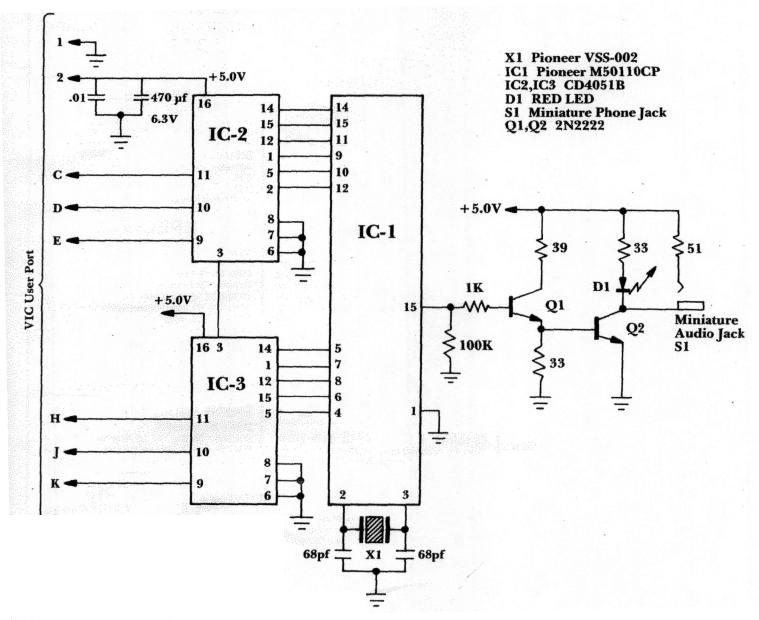
Our VIC-to-Pioneer Adapter was built by wire wrap on a Radio Shack 0.1 inch grid printed circuit board. This board has contact fingers on 0.156 inch centers along one edge. A 12/24 contact edge connector can be soldered along this edge and the adapter is then a plug-in for the VIC User Port. We actually cut a Radio Shack 20/40 pin connector down to size for the VIC.

IC-1 in the Adapter produces a 38 kilohertz pulse chain containing the encoded signals for each of the operations of the video disc player.

A data pulse string is 10 cycles of a 38 Kilohertz clock that is generated from the piezo-ceramic chip, XI, Pioneer Electronics part number VSS-002. A code word is 10 bits long and is contained within 11 actual data pulses. It is the period between the 38 kilohertz data pulses which determine the logic code. A logical zero is a pulse period of 0.93 millisecond. A logical one is twice that period, 1.86 milliseconds. Five bits of the ten encoded are fixed, leaving five bits for up to 32 commands to the LaserDisc.

The code selection is determined by the combination of lines effectively pulled to ground by the chips IC-1 and IC-2, the CD4051B. These are CMOS analog switches with a low saturation resistance when switched by the control lines. The "B" after the device number 4051 means that the devices are buffered, increasing their resistance to (but not totally protecting against) electrostatic charge and voltage transients.

Figure 1: VIC's Intelligent Video Disc System

The CD4051s are switched by the output from the 6522 VIA chip in the VIC computer by way of the User Port terminals C thru K. The transistors Q1 and Q2 buffer IC-1, provide pulse inversion and drive for the 30 feet of audio cable connected to the LaserDisc player. The LED, D1, also blinks out the coded pulse string indicating that the data pulse chains are being sent by the Adapter.

The LaserDisc player controls are a fantasy machine. Imagine any way you would want to manipulate a motion picture and the LaserDisc has a control key to do it. Here is a partial list:

CONTROL KEY FUNCTION
SEARCH (S) Sets up player to search for picture frame and initiates search.
DIGITS "0-9" Enter frame number 0-54000.
PAUSE (P) Stops picture. Blanks screen.
PLAY (G) Starts picture.
FRAME (F) Displays or removes frame number.
STILL (H) Stops picture on frame number.

There are other functions as well: switching either of the audio channels, forward or reverse on single frame step, slow step, 3X scan and fast scan.

The program for the VIC-20 is called a "driver" and contains a simple routine in BASIC to control the LaserDisc player. You can build routines around it to make an Intelligent Video Disc system. With over 400 dealers already in the US sales of Pioneer LaserDiscs are estimated near 40,000 this year alone. Discounts on the $745 price are available, too.

Be forewarned. Dealers are having a difficult job keeping shelves stocked with discs. We bought 20 discs and the dealer said that that's about average.

1 REM VIC-DRIVE FOR LASER DISC"
10 D9 = 150
15 DIMTX(15)
20 GOSUB 12000
30 INPUT "COMMAND STRING --> "; CS$
40 PRINT45 GOSUB 10000
50 PRINT : PRINT
60 GOTO 30
10000 FOR Q1 = 1 TO LEN(CS$)
10010 Q2 = ASC(MID$(CS$, Q1) : GOSUB 11000
10020 NEXT
10030 RETURN
11000 IF Q2 > 57 OR Q2 < 48 THEN 11020
11010 Q3 = TX(Q2 - 47) : GOTO 11060
11020 IF Q2 > 72 OR Q2 < 70 THEN 11040
11030 Q3 = TX(Q2 - 59) : GOTO 11060
11040 Q3 = 0
11045 IF Q2 = 80 THEN Q3 = TX(14)
11050 IF Q2 = 83 THEN Q3 = TX(15)
11060 PRINT CHR$(Q2) ; : POKE 37136, Q3
11070 FOR J = 1 TO D9 : NEXT
11080 POKE 36136, 0
11090 FOR J = 1 TO D9 : NEXT
11100 RETURN
12000 DATA 86, 22, 38, 70, 54, 82, 18, 34, 66
12010 DATA 50, 81, 52, 69, 53, 83
12020 FOR J = 1 TO 15 : READTX(J) : NEXT
12030 POKE 37138, 255
12040 RETURN
13010 REM *** COMMAND SUMMARY ***
13020 REM NUMBERS "0" TO "9"
13030 REM SEARCH "S"
13040 REM PAUSE "P"
13050 REM PLAY "G" (FOR "GO")
13060 REM STILL "H" (FOR "HALT")
Figure 2: VIC To Pioneer Video Disc Adapter