ZX81 ULA Replacement.

 

By Andy Rea.

 

April / May 2007.

 

 

The aim of this project is to build a ZX81 ULA equivalent circuit using discrete components that are readily available. No modification to the ZX81 circuit board should be allowed, and the only connections between the ZX81 and the ULA replacement should be the 40 pins of the original ULA socket. So to start I need to understand the function and mode of operation of each of the 40 ULA pins. This information is just my opinion and findings it may contain errors or omissions and is used at your own risk.

 

Pin  Function  Function  Pin

 

 1   A7'         +5V     40

 2   A8'         A6'     39

 3   A2'         A5'     38

 4   A1'         A4'     37

 5   A0'         A3'     36

 6   /RD         OSC     35

 7   /IORQ       GND     34

 8   /WR         KBD0    33

 9   /MREQ       D0      32

10   /M1         KBD1    31

11   A14         D1      30

12   /RAMCS      KBD2    29

13   /ROMCS      D2      28

14   /CLK        KBD3    27

15   /NMI        D3      26

16   TV-TAPE     KBD4    25

17   /HALT       D4      24

18   A15         D5      23

19   D7          UK/US   22

20   TAPE IN     D6      21

 

A little further explanation of each group of pins.

 

Power and ground.

-----------------

Pin 34 = Ground ( 0v )

Pin 40 = Vcc ( +5v )

 

Not really anything important to know about this.

 

Port $FE input group.

---------------------

 

Pin 20 = tape input     (bit 7)

Pin 22 = uk/us select   (bit 6)

Pin 25 = kbd4           (bit 4, keyboard columns 5,6)

Pin 27 = kbd3           (bit 3, keyboard columns 4,7)

Pin 29 = kbd2           (bit 2, keyboard columns 3,8)

Pin 31 = kbd1           (bit 1, keyboard columns 2,9)

Pin 33 = kbd0           (bit 0, keyboard columns 1,0)

 

The more astute person may notice that bit 5 is missing; in my design I have used a pull-up resistor on this bit so it always returns logic 1.

 

The tape input (pin 20) is connected to a simple filter circuit.

 

The uk/us select is left open circuit in a UK machine and shorted to 0v (or to 0v via a low value resistor), since there is no pull-up resistor on the ZX81 circuit board one is provided in the ULA replacement design.

 

Kdb0 thru kdb4 pins 33,31,29,27,25 respectively

These are the keyboard columns connected to the 5way keyboard connector, there are pull up resistors on the ZX81 circuit board for these inputs so no special precautions are needed.

 

Control input group.

--------------------

 

Pin 6 = /RD        (direct to CPU /RD)

Pin 7 = /IORQ      (direct to CPU /IORQ)

Pin 8 = /WR        (direct to CPU /WR)

Pin 9 = /MREQ      (direct to CPU /MREQ)

Pin 10 = /M1       (direct to CPU /M1)

Pin 11 = A14       (direct to CPU A14)

Pin 17 = /HALT     (direct to CPU /HALT)

Pin 18 = A15       (direct to CPU A15)

 

/MREQ (pin 9) used in conjunction with A14 (pin 11) to generate the /ROMCS and /RAMCS outputs.

 

/MREQ     A14       /ROMCS    /RAMCS

 

0         0         0         1

0         1         1         0

1         0         1         1

1         1         1         1

 

The /ROMCS signal is simply -

                             /MREQ OR'd with A14.

The /RAMCS signal is almost as simple -

                        /MREQ OR'd with (NOT A14)

 

/RD (pin 6) and /WR (pin 8) are used by the ULA in conjunction with /IORQ to control the internal control ports. There are basically 4 internal ports, 2 that control the VSYNC signal (that is also the tape output signal), and 2 that control the NMI generator.

 

 

PORT $FE (writing to port OUT ($FE),A) turns on the NMI generator, this port is not fully decoded so any

OUT ($xx),A with bit 0 of the port address low, will turn the NMI generator on.

 

PORT $FD (writing to port OUT ($FD),A) turns off the NMI generator, this port is not fully decoded so any

OUT ($xx),A with bit 1 of the port address low, will turn the NMI generator off.

 

IF you were to execute the instruction OUT ($FC),A you would effectively be trying to turn the NMI generator on and off at the same time. In this discrete design no attempt has been made to bias the NAND gate RS latch so that one side would always win in this situation, So the result would be unpredictably. (This is not strictly true as usually one gate would be fractionally quicker than the other and thus win, but to get a predictable result each and every time a better circuit could be used instead of the simple 2-gate RS latch)

 

PORT $FE (reading the port IN A,($FE)) has 2 effects

a) It always reads the keyboard, tape input and uk/us bit

b) If NMI generator is off will.

     i)  stop the HSYNC generator

     ii) Will start a VSYNC PULSE (this is the tape     output pulse to.

 

PORT $xx (writing to any port) will end the VSYNC pulse and restart the HSYNC generator. (Take care not to write to a port with bit 0 low unless you want to restart the NMI generator also

 

A15 (pin 18) and /M1 (pin 10) and /HALT (pin 17) is used during video generation, in a nutshell a video cycle is started when /M1 goes low AND A15 is HIGH, the ULA will grab the data from the echo of the D_FILE moments before the ULA FORCES the data lines low (op-code for NOP is $00) the CPU executes a NOP taking 4 clock cycles, then during the refresh period (interestingly there is no refresh input on the ULA) the ULA puts the lower 5 bits of the data grabbed onto the alternate address lines A3 thru A8, and the line counter onto A0, A1 , A2 the other address lines are supplied from the CPU and is the value held in the I register (Normally $1E and points to the character map at the end of the ROM) at or near the end of the refresh the data on the data bus is loaded into an 8 bit shift register which is clocked at double the CPU clock frequency. If however the end of the line has been reached before the interrupt (caused by the R registers bit 6 going low during the refresh) a halt instruction will be executed and no data will be loaded into the shift register, once halted no more data is loaded until the start of the next line (assuming that it has at least one character or the CPU will just halt again).

 

__________________________________________________

[NOTE TO SELF THINK TO RE WORD PREVIOUS PARAGRAPH]

--------------------------------------------------

 

 

Alternative address lines group

-------------------------------

 

A0'  pin 5     (direct to ROM, CPU via 1K)

A1'  pin 4     (direct to ROM, CPU via 1K)

A2'  pin 3     (direct to ROM, CPU via 1K)

A3'  pin 36    (direct to ROM, CPU via 1K)

A4'  pin 37    (direct to ROM, CPU via 1K)

A5'  pin 38    (direct to ROM, CPU via 1K)

A6'  pin 39    (direct to ROM, CPU via 1K)

A7'  pin 1     (direct to ROM, CPU via 1K)

A8'  pin 2     (direct to ROM, CPU via 1K)

 

Alternate address lines are primarily used during the video sequence of the ZX81 on every character and scan line the ULA provides the lower 9 bits of the ROM address the remaining address lines come from the content of the I register (normally $1E) these address lines are only driven during the refresh cycle.

 

A0' and A1' lines are also used as inputs to control the internal latches (NMI , VSYNC) and to read the keyboard, see previous section.

 

Data Bus Group.

---------------

 

D0   pin 32    (direct to CPU)

D1   pin 30    (direct to CPU)

D2   pin 28    (direct to CPU)

D3   pin 26    (direct to CPU)

D4   pin 24    (direct to CPU)

D5   pin 23    (direct to CPU)

D6   pin 21    (direct to CPU)

D7   pin 19    (direct to CPU)

 

The ZX81's CPU data lines are only connected directly to the ULA, all other parts of the circuit using the data bus is connected via 470 ohm resistors including the data lines on the expansion connector - giving the ULA complete control of the data bus. Makes sense? Well that’s not quite exactly right with some reasoning I propose that the ULA data bus outputs are of the open collector type, why? Resistor pack 1, 10K pull-ups on each of the data lines, need more? Ok it's perfectly possible to connect an external keyboard to the expansion connector correctly decoded to port $FE and it still works, if the ULA data line outputs were not open collector this external keyboard would not work.

 

The data bus is also used during video cycles to grab the character code just before the ULA forces a NOP instruction by taking all data lines low (again open collector would be fine for this) and then uses that code to form part of the refresh address used to get the actual character pattern data.

 

Other outputs.

--------------

 

/RAMCS    pin 12    (connected via 680 ohm resistor to                   ram and edge connector)

/ROMCS    pin 13    (connected via 680 ohm resistor to

                   ROM and edge connector)

/clkout   pin 14    (connected to tr2 via filter network

                   TR2 inverts this signal)

/NMI      pin 15    (direct to CPU and edge connector)

tv-tape   pin 16    (the composite video signal and also

                   Used as the tape output via filter                        network)

osc       pin 35    (this is the only connection to the                       parts of the oscillator circuit that                      are on the main board, the only                            oscillator circuit I could find that                         uses this configuration is the                           Colpitts of which I am not familiar                       so I decided not to use this pin and                      instead built the oscillator on the                     ULA replacement itself)

 

/RAMCS (pin 12) used to enable the ram during read/write/refresh cycles, can be overridden by use of the /RAMCS input on the edge connector.

 

/ROMCD (pin 13) used to enable the ROM during read/(and incorrectly during writes, no harm don though) and refresh cycles, can be overridden by use of the /ROMCS input on the edge connector.

 

/clkout (pin 14) this the clock output driving the CPU it is the invert of the internal ULA clock because I is inverted before the CPU by TR2.

 

/NMI (pin 15) this is the NMI control to the CPU it is used during the video generation, since it cannot be disabled by the CPU itself (NMI = non maskable interrupt) the ULA has a mechanism to turn off and on this output, this output is the same signal as the internal HSYNC signal.

 

tv-tape (pin 16) the composite video output and the tape output signal, when outputting composite video it is a 3 level output, 0V = sync signals (HSYNC short 4.7uS), (Sync approx 400uS [I think]) - black level video is at approx 2.5v and white level video is at approx 5v. The maximum frequency video signal you are likely encounter is 6.5Mhz that’s alternate pixels on/off. So any modification to the video signal needs to be capable of handling frequencies this high.

 

-------------------------------------------------------

 

So that rounds off the explanation of each pin of the ULA does then lets move on to the design outline.

 

The ULA can be split up into separate parts thus;

 

1. clock and hsync/nmi generators

2. romcs/ramcs control

3. vsync/nmi/hsync control

4. keyboard/tape port

5. the video circuit which itself can be split

     a. character code latch

     b. alternate adress generation

     c. NOP circuit

     d. shift register

 

lets take a look at each part in turn.

 

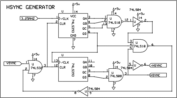
1. clock and hsync/nmi generator.

---------------------------------

 

As mentioned previously the part of the oscillator circuit that is on the main circuit board looks like it belongs to a Colpitts oscillator, however I decided not to use this part and instead built the entire oscillator on the ULA replacement circuit. The hsyn/nmi generator basically takes the 3.25Mhz clock and counts 207 cycles (resetting at count 207 retuning to 0). A Sync pulse will reset and stop the counter only allowing it to restart when the VSync pulse is released, the /NMI signal is generated during the last 15 cycles if the NMI generator is turned on. So lets take a look at the first part of the ULA replacement, many of you will be familiar with this design as it is used in many clone Zeddies.

 

 

Using the spare gates of the 74ls86 (this is an LS part) using the design of the zx80 except I use a 6.5536Mhz crystal that is widely available and less than 1% within the 6.5Mhz that should be used. Instead of using a third XOR gate I use a simple inverter to give a 6.5Mhz signal and a /6.5Mhz. This is further divided by 2 to give the 3.25Mhz signal required by the Z80 CPU it is here that the first mistake can easily be made you need to connect the /3.25Mhz to ULA pin 14 remember it gets inverted by TR2 on the main board. So that’s 1 pin down 39 to go.

 

 

If the VSync pulse is started the OR gate on the left holds the pair of counters in there reset state (all outputs low) otherwise the counters will count each of the clock pulses from the 3.25Mhz signal the lower counter been clocked at 1/16 of the main clock signal when the count reaches 192 the sync becomes active via the 2 input AND gate (connected to Qc an Qd of the second counter) and will remain so for the next 15 clock pulses until the count reaches 207 at which point the pair of 3 input and gates in conjunction with inverters (I didn't have a 7411 which would negate the need for the extra inverters) almost instantly resets both counters back to zero. So left free running you get a 15 cycles long pulse every 207 cycles (4.61uS long, every 63.69uS, we are aiming for 4.7uS and 64uS respectively) due to the way the Zeddy generates the video it is a requirement that the hsync pulses are slightly short so they remain synchronized with the video from the zeddy. The hsync pulses are also used for the /NMI pulses if the NMI I turned on.

 

2. ROMCS and RAMCS control

--------------------------

 

This is the simplest part of the ULA design.

 

 

Takes A14 and OR's it with /MREQ to generate the /ROMCS signal (both A14 and /MREQ low).

Takes an inverted A14 and OR's it with /MREQ to generate the /RAMCS signal (A14 high and /MREQ low).

 

3. VSYCN, NMI and HSYNC control

-------------------------------

 

Another circuit that many will be familiar with.

 

 

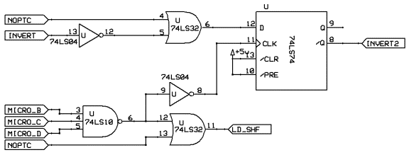
Simple io control circuit, gives a low on /IORD or /IOWR depending if its a read or write IO instruction used in the next circuit

 

 

This circuit is quite simple as long as you understand how a nand gate RS latch works, there are 2 latches used in the zeddies one for the VSYNC pulse (the top latch) and one for the NMI on or off control the (bottom latch)

So a read on port $FE [ IN A,($FE) ] will always read the keyboard and if the NMI generator if off will also toggle the RS latch starting the VSync pulse and stopping the hsync generator.

 

Any port write will stop the VSync pulse and restart the hsync generator.

 

The NMI control is done of two separate ports, a write to port $FE will turn on the NMI generator, and a write to port $FD will turn off the NMI generator.

 

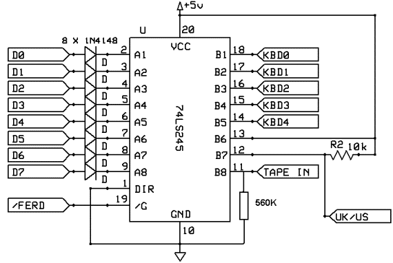
4. keyboard/tape port

---------------------

 

This is quite simply a 8 bit bus transceiver configured to always working one direction only bus B to bus A and is enabled via signal /FERD from the above circuit.

 

 

D0 thru D7 connect to ULA pins 32,30,28,26,24,23,21 and 19 respectively.

 

KDB0 thru KBD4 connect to ULA pins 33,31,29,27 and 25 respectively.

 

TAPE in connects to ULA pin 20

UK/US connects to ULA pin 22

 

Uk/us is connected to r30 on the main board in the absents of r30 a logic high is insured by the 10 resistor connected to B7. Since as bit 6 is not used it is simply connected to +5v

 

Tape in during testing it was found that capacitor c10 slowly charges and no signal can be read the tape port becomes unresponsive by putting a highish value resistor to ground the tape port can be made to work again, some tweaking of this value may ensue in the weeks to come.

 

Kbd0 thru kbd4 connects to the 5-way keyboard connector, no need for pull-ups as they are provided already on the main board in resistor pack 3.

 

D0 thru D7 connects via small signal diodes to form a psuedo open collector output as described earlier this should ensure that external devices that use port $FE still function correctly.

 

So that’s all the easy bits done now for the most complex part of the design and which having had to reproduce its behavior makes me rather wonder how the boffins at sinclair came up with the idea in the first place?

 

Onward we go.

 

5. The video circuit which itself can be split

----------------------------------------------

 

a. Character code latch

b. Alternate address generation

c. NOP circuit

d. Shift register

 

Before I go into each part of the video generation circuits I needed some way to coordinate the timing of the various actions. Looking at the timing diagrams for the Z80 CPU during an M1 instruction fetch cycle we can deduce that /M1 goes low very soon after the rising edge of T1 and stay so until the shortly after the rising edge of T3 (the start of the refresh), the data bus is sampled for the instruction fetch on the rising edge of t3, so to force a NOP to be executed we need to ensure that all lows are presented on the data bus no later that this. But due to the design of the zx81 we need to read the data bus before hand to obtain the character code used later to generate the alternative address lines during the refresh, now nearly every Z80 instructions M1 cycle is 4 t states long, but there are a few that last longer

LD SP,HL  is 6 tstates

PUSH qq   is 5 tstates

INC qq    is 6 tstates

DEC qq    is 6 tstates

DJNZ e    is 5 tstates

RET cc    is 5 tstates

RST p     is 5 tstates

So do we need to take special precaution about these instructions? Further reading of the Z80 Technical Docs suggest that even on these instructions with the longer M1 cycles that refresh is still performed during T3 and T4 so as long as whatever I plan to do does not extend past T4 should be fine. So I originally I was going to create a fake refresh signal within the ULA design by utilizing the fact that /MREQ goes low but neither /rd or /wr go low during the refresh, however that was a bit glitchy to say the least so I came up with another idea

The MICRO COUNTER, is a four bit counter that starts to count at the beginning of each /M1 cycles and reset to zero on the rising edge of the 4th t state just in time to start counting again. Using the 6.5Mhz clock signal as the lowest bit its possible to split the 4 t states into 16 time zones. It was found that I only needed to split it into 8 zones corresponding to each half cycle of the CPU clock during the M1 cycle. This counter is used to trigger the various events during the Forced NOP cycle

 

 

When /M1 goes low the inverter clocks the positive edge triggered D flip flop which then outputs a low on it Q output this releases the active high clr input on the counter which is clocked at double the CPU clock by the /6.5Mhz signal when the count reaches 8 it presets the Q output via the other inverter, clearing the count back to zero ready to be triggered again by the next M1 cycle by resetting at 8 it ensures that our circuit will not interfere with any instruction that has a longer M1 cycle. The signal L_PRE is used to preset the NOP THIS CYCLE Flip flop at the end of each cycle.

 

 

The next Flip flop in the video circuit detects whether this M1 cycle is a video cycle or not, by using D6, A15, /HALT and /M1. The latched output will remain in the low state until the rising edge if the next CPU M1 cycle, it is preset to 1 when my micro counter reaches 8.

 

 

This little circuit controlled by the count of the micro counter determines in conjunction with the above circuit when a NOP should be forced, when my micro counter reaches 3 at the falling edge of T2 and holds it until the rising edge of t3 when the CPU samples the data bus for the op-code. After this my circuit releases the data lines.

Also at the falling edge T2 my circuit grab the data that was on the data bus immediately before the NOP is forced.

 

 

D0 thru D7 connected to ULA pins 32,30,28,26,24,19

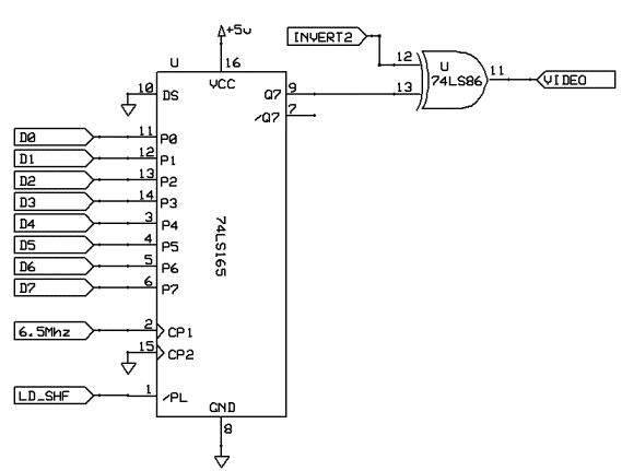
This 8 bit latch is controlled by my counter it latched whatever is present on the D inputs on the rising edge of the CLK input, The and or logic to the left holds the CLK input low until the falling edge of T2 when it is driven high and held high until the end of T4. its output is control by an internal refresh signal. Generated by the following circuit. Output Q7 (invert is used in the video invert latch further down the page)

 

Which enables the output to the alternative address lines from the falling edge of t3 up until the end of T4. this signal is also used to enable the line counter output onto alternate address lines A0’ , A1’ and A2’

 

the counter is reset on every VSYNC back to 0 an then counts every hsync pulse the lower 3 bits of this count are then gates by the refresh control tristate buffer.

 

 

once again D0 thru D7 are connected to ULA pins 32,30,28,26,24,23,27 and 19 respectively. This is the bit that actually forces all logic lows (B inputs tied to ground) when the outputs ( the A bus) are enabled the CPU data lines are forced low, forcing the NOP cycle.

 

That leaves us with the video inverter and shift register lets take a look at the video inverter first

 

The video inverter circuit consist of a flip flop that latches the state of the invert bit of the character code from the char code latch but only if this cycle was is a forced NOP, if it is not a forced NOP then the top or gate allows the invert bit7 through to the D input ready to be latched every time when the micro counter reaches 7 falling edge of T4, if it is a forced NOP cycle also via the bottom or gate the shift register is allowed to load the new character pattern, otherwise it will continue to load in white video via its serial input below.

 

 

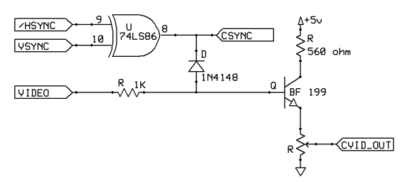
All that remains now is to get the VSync, Hsync and Video all together to produce a useable composite video signal

 

This is done with the following.

 

 

 

Which combines the Hsync and Sync to give a low output which turns off Q making the output 0V

Whilst the live video signal drives the emitter follower to give the final composite video.

 

And now the moment you have all been dying to get too.

Some real pictures, it’s not pretty and I real ought to take it apart and rebuild it from the schematics to check there right.

 

The View from the top.

 

And from the bottom

 

And it would be no good with out TV pictures.

 The first full straight screen I managed to get.

 

The opening screen from 3d monster maze.

 

The text based first screen from 25thannni.

 

 

And some hi-res too

 

More hi-res

 

So That wraps up my finest project so far with the Zeddy I know that during the writing of this I have seen better and simpler way of doing things so I may be back with a VERSION_2 ULA replacement.

 

Regards and best wishes to all Zeddy fans

 

Andy Rea