Reply 32
REF346.EXE -- Reference Disk for Reply Systems
225-32.EXE Update program for Reply System 32
T226.DAT    Upgrade Reply32 for DX4/100 support 


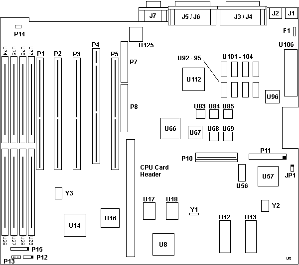
Reply32 Planar

F1 Fuse
J1 Keyboard
J2 Mouse
J3,4 LPT1,2
J5,6 Serial 1,2
J7 Video
JP1 Clear Password?
P1-3,5 32 bit MCA slots
P4 32 bit AVE MCA slot
P6,7 DBA-ESDI header
P10 Power header (AT style plugs)
P11 Floppy 
P12 Unk and unused.
P13 Battery 6v like P75
P14 Speaker
P15 Front panel LEDs
U8 Chips F82C325A Data Buffer Controller
U12 BIOS Odd
U13 BIOS Even
U14 Chips F82C322A Memory Controller
U16 Chips F82C223 DMA controller
U17 Chips F82C321A MCA Controller
U18 F82C226 Non-Volatile RAM
U26-29,74-77 30 pin SIMM sockets
U56 Toshiba TC5565AFL-12
U57 82077AA-1 floppy controller
U66 Chips P82C575 MCA Bus Interface
U67 TI TL16C550AFN
U68 50.350 MHz osc
U69 40.000 MHz osc
U83 65.000 MHz osc
U84 28.322 MHz osc
U85 1.8432 MHz osc
U92-95,101-105 Via V53C864K80L
U96 TI TL16C550AFN
U106 Chips KB Controller BIOS
U112 Chips F82C452A Super VGA controller
U125 Bt471KPJ80 RAMDAC
Y1 32.8 khz xtal (whatever the timer needs)
Y2 24.00 MHz xtal
Y3 14.31818 MHz xtal
1

Memory Controller 82C322
Supports 256 K-1 M of DRAM, Shadow RAM, Supports up to 16 MB, Wait state programming

DMA controller 82C223
Performs DMA operations
8 independent DMA channels
Performs extended mode operations
Memory addressing capacity of 16 MB
Performs DMA serial operations
Provides virtual DMA on channel 0 and channel 4

82C452 Super V.G.A. video controller

Data Buffer Controller 82C325
Bus Conversion and Bus Swapping functions 
Parity genertion and error checking in the DRAM
Contains MCA POS registers

82C226 Non-Volatile RAM
Real Time Clock, DMA Controller, Interrupt Controller

82C226
Two 8259 interrupt controllers
8254 compatible timer
Watchdog timer
Real Time Clock compatible with the MC146818
114 byte CMOS RAM
Parallel port controller

MCA Controller 82C321
MCA compatibility
Memory timing
32-bit - 16-bit bus converter

Clear CMOS JP1
CMOS  normal  pins 1 & 2 closed 
CMOS  clear      pins 2 & 3 closed 

DRAM CONFIGURATION (to be tested, 9 Aug 2003)
   Size    Bank 0       Bank 1 
   1MB    (4) 256K x 9  NONE 
   2MB    (4) 256K x 9  (4) 256K x 9 
   4MB    (4) 1M x 9    NONE 
   5MB    (4) 256K x 9  (4) 1M x 9 
   8MB    (4) 1M x 9    (4) 1M x 9 
   16MB   (4) 4M x 9     NONE 

486 Module

 
 

U1  66.6667 MHz osc
U6  486DX-33
U17 15x15 PGA socket Weitek?
 
 
 

  Heatsink (if it isn't missing) is made from 1/8th inch black anodized aluminum.

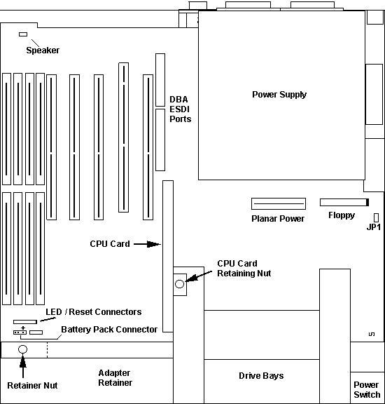
Interior Case Layout

 

Remove the Case
   Just like the 8570, unscrew the three knurled screws at the back (they will come free, they arn't captive), and slap and pul the top cover to the front. After about 2 inches of forward travel, you can lift the cover up.

Remove the Planar
  As you'd expect from a bunch of former IBM'ers, it's fairly easy. Pull all adapters. Unplug the speaker, LED/Reset Switch Header, battery header, pull the cpu card, remove the floppy and power plugs, pull the edgecard off the DBA ESDI drive (leave the tape connector headers in the board sockets). 
  Remove the screws holding the planar in. To my suprise, ALL planar screws ARE reachable with the PSU and hard drive in place. Remove the (outside) mounting posts from the video, both serial and both parallel ports.
   Now push the planar in from the port cutouts so they are inside the case. Slowly pull the planar out of the case away from the power supply. Keep the angle low because the BIOS chips have to fit in a cutout in the drive support structure.

  The case is very well made for being a clone-tyoe.

CMOS Battery
Uses a Tadiran TL-5293/W, 6v lithium.

Floppy 
   The floppy in a Reply 32 is a TEAC FD-235HF. Has seperate signal and power cables. Uses the clone mini 4 pin power plug. 34 pin signal plug. NOTE: The floppy header is poorly marked. Pin 1 of the floppy cable is towards the outer side of the system.

Floppy Jumper Settings

Install / Remove Full Length Adapters
  Open the case. At the front. notice the knurled nut? Unscrew it. Pull the "hood" up, when it clears the post, pull the hood towards the rear until it detatches from the case. There are NO further screws or other fastening devices holding it in.  Now full length adapters are free to be handled without interference.

LED / Reset Connectors (P15) Pinout
  NOTE: When removing the LED/Switch assembly from the front of the case, the screw that has the grounding conductor attached is longer than the other screws. It has to be long enough for the terminal ring and nut to fit on it as well.

NOTE: When attaching the LED/Switch header, note that two positions are empty on the plug. The two empty positions go to the left of the pins. The black wire goes to Pin 1 on P15.

Planar Power
  Uses the same two rectangular plugs like AT class systems. Remember, when plugging in the headers, the black wires on the two plugs are to the center of the header.

Power Supply
Power supply is Delta Electronics SMP-200JB, 199.1Watt (not BobWatt, either)
100-120v @ 6A / 200-240v @ 3.5A  47-63 Hz
   NOTE!!! The PSU is NOT AUTORANGING! To switch between 115v and 230v, you MUST use the slider switch between the AC plugs at the rear of the case!
  NOTE  DO NOT switch between 115 and 230 while the system is on. This will destroy the PSU.
+5v @ 22A
-5v @ 0.3A
+12v @ 7A
-12v @ 0.3A

Load Resistor?
  On the interior front side of each Reply32 is a aluminum cased, finned power resistor. There are three 5.25" drive power connectors in the Reply32, two are only long enough to reach the internal 5.25" bays in front of the case (opposite the PSU). The third 5.25" power lead reaches over to
the front, right side of the case and connects to a connector that goes to the power resistor.

Dale RH-25, 25v, 30 ohm, 1%.
                                 ____        Load Resitor
         ------- +12v ----------|    |---------/\/\/\/\--|
 PSU     -------- GND ----------|    |-------------------|
         -----------------------|    |
         -----------------------|____|

I though that stuff like this vanished with the XT..



AdapterId 06FB5h  "Reply On-Board Serial/Parallel Adapter"

Serial/LPT Connector
    Selects serial port, ports 2 - 8 & Parallel port, ports 2 - 3
     <"Serial 2 : LPT 2"> (io 02F8h-02FFh 0378h-037Fh int 3 7), Ser3 -LPT2 (3220-3227 378-037F 3 7), Ser4 -LPT2 (3228-322f 378-37F 3 7), Ser5 -LPT2 (4220-4227 378-37F 3 7), Ser6 -LPT2 (4228-422f 378-37F 3 7), Ser7 -LPT2 (5220-5228 378-37F 3 7), Ser8 -LPT 2 (5228-522f 378-37F 3 7)
Ser2 -LPT 3 (2F8-2FF 278-27F 3 7), Ser3 -LPT 3 (3220-3227 278-27F 3 7), Ser4 -LPT3 (3228-322f 278-27F 3 7), Ser5 -LPT 3 (4220-4227 278-27F 3 7), Ser6 -LPT 3 (4228-422f 278-27F 3 7), Ser7 -LPT3 (5220-5228 278h-27F 3 7), Ser8 -LPT3 (5228-522f 278-27F 3 7)
Ser2 -LPT OFF (2F8-02FF 3), Ser3 -LPT OFF (3220-3227 3), Ser4 -LPT OFF (3228-322f 3), Ser5 -LPT OFF (4220-4227 3), Ser6 -LPT OFF (4228-422f 3), Ser7 -LPT OFF (5220-5228 3), Ser8 -LPT OFF (5228-522f 3), Serial OFF : LPT OFF

9595 Main Page