GT1 Video

POWER Gt1 P/N 10G8658, FRU number 10G8659
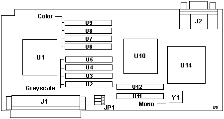
J1 80-pin connector
J2 HDD15 video
JP1 video mode select header
U1 Toshiba 10G8654
U2-9,11,12  VRAM 
U10 Toshiba 10G8656
U14 IBM 51F1819
Y1 4.00000 MHz osc

Original image courtesy of Rick Ekblaw



VRAM is Toshiba TC524258BZ-80 video RAM
Mono (2x in U11,U12 for 256KB) monochrome graphics only. 
Greyscale (4x in U2-5 for 768KB) 16 gray shades or colors
Color (4x in U6-9 for 1280KB) 8-bit graphics (256 colors), max 1280x1024.


Video Connector Card  P/N 10G8624, FRU unknown

This card connects between the planar and the POWER Gt1 video adapter in the 7011-220.  It has no components besides the unlabeled connectors.


GT1 and GT1B Video Card Settings
  NOTE: The GT1B is the same as the GT1, but the GT1B has only two display jumpers (0 and 1) which limits the upper pixel frequency to 111 MHz. Display jumper 2 is permanently set to 1.

JP1 Jumpers

                                   Gt1/ Gt1B
 ______________________________________________________________________________
       DISPLAY     |  JMP  |  SCREEN     | Refresh   | Hor Freq | Pixel Freq
       TYPE        | 0 1 2 | RESOLUTION  | Freq (HZ) |   (KHz)  |   (MHz)
 __________________|_______|_____________|___________|__________|______________
     8507 Mono     | 1 1 1 | 1024 x 768  |   43.5    |   35.5   |    44.9
     8508 Mono     | 1 1 1 | 1280 x 1024 |   67      |   70.8   |   128
     8514 Color    | 1 1 1 | 1024 x 768  |   43.5    |   35.5   |    44.9
     8515 Color    | 1 1 1 | 1024 x 768  |   43.5    |   35.5   |    44.9
     8517 Color    | 1 1 1 | 1024 x 768  |   69.96   |   57.0   |    78
                   | 0 1 1 | 1280 x 1024 |   51.48   |   56.5   |   103
 __________________|_______|_____________|___________|__________|______________
     1091-51 Color | 1 1 1 | 1280 x 1024 |   72      |   75.8   |   128
     5081-16 Color | 1 1 1 | 1280 x 1024 |   60      |   63.4   |   111
     6091-16 Color | 1 1 1 | 1280 x 1024 |   60      |   63.4   |   111
                   | 0 1 1 | 1024 x 768  |   75.8    |   61.1   |    86
     6091-19 Color | 1 1 1 | 1280 x 1024 |   60      |   63.4   |   111
                   | 1 1 0 | 1280 x 1024 |   67      |   70.8   |   120
     6091-23 Color | 1 1 1 | 1280 x 1024 |   60      |   63.4   |   111
 __________________|_______|_____________|___________|__________|______________
     Other Display | 1 0 1 | 1280 x 1024 |   60      |   63.34  |   108
                   | 0 0 1 | 1024 x 768  |   60      |   48.8   |    64
                   | 0 0 0 | 1024 x 768  |   70.4    |   56.8   |    75
 __________________|_______|_____________|___________|__________|______________

9595 Main Page