A collection of a few PIC-related tools

Please, don't ask me for more than what is written in these pages. I quit working on the PIC in 1996 .

Serial PIC programmer.

Schematics and software for a PIC 16C84programmer to be connected to the serial port. Largely based on the "prog84" software and information gathered on the pic list. Written in C, developed under FreeBSD, compiles with gcc and should be easily portable to other OS. Full sources and schematics (chunky graphics) are available.
For DOS users: DOS executable (don't forget the configuration file).

PIC assembler.

Sources for the PIC assembler developed by Timo Rossi. Minor differences in the syntax from the Microchip Assembler, but full source code available, and it can be used on Unix systems.

A simulator for the PIC16C84

C++ source for a PIC16C84 simulator, developed as a student project by Tommaso Cucinotta and Alessandro Evangelista. Command line interface, very powerful trace facilities. Compiles with g++/djgpp.

A reference sheet for the PIC16C84

A reference sheet for the PIC16C84 containing HW and SW data (courtesy of Giuseppe Di Termine).

Some PIC projects

50 MHz Frequency meter with a 16C84

This is a simple 50 MHz auto-ranging Frequency meter, developed as a course project by Simone Benvenuti and Andrea Geniola. It uses a single PIC 16C84 and 4 displays to measure frequencies in the 0Hz..50MHz range. Output is shown in exponential format (XXX E) in order to have enough significant digits. The PIC shuts down when the input is idle for some time, and turns on automatically when a frequency is applied to the input. Source code and schematics available.

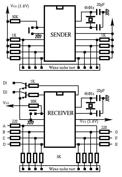
A cable tester based on the PIC

This is a cable tester made of two modules, useful to test network or phone or other cables where the two ends are far away from each other. Partly developed as a course project by Maurizio Fabbri, Fabio Raso. Schematics and full source and documentation. The sources should be assembled with Timo Rossi's picasm.
NOTE: the archive is a gzipped tar file. gzip != zip. If you have trouble to handle it, all files can be found in the tester directory.

A MIDI pedal keyboard with Program Change Function

Ths project implements a MIDI pedal keyboard with Program Change Function. It can change sounds and/or effects of your musical devices (keyboard, expander, ...) with the only action of your foot. This work was done by Maila Fatticcioni and Massimo Grasso
Luigi Rizzo
Dipartimento di Ingegneria dell'Informazione -- Univ. di Pisa
via Diotisalvi 2 -- 56126 PISA
tel. +39-050-2211611BR> email: rizzo@iet.unipi.it
Some interesting PIC links
Back to my home page