WESTERN DIGITAL CORPORATION
PARADISE 16 BIT VGA CARD
Card Type |
Video card |
Video Chip Set |
Unidentified |
Highest Resolution Supported |
800 x 600 |
Maximum Video Memory |
Unidentified |
Data Bus |
16-bit ISA |
Video Types Supported |
VGA |
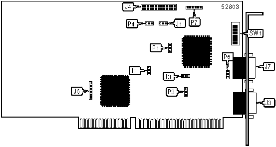
CONNECTIONS | |||
Function |
Label |
Function |
Label |
15-pin analog video port |
CN1 |
Feature connector |
CN2 |
USER CONFIGURABLE SETTINGS | |||
Function |
Label |
Position | |
Monitor type for special multi-frequency display timing |
SW1/1 |
On | |
Monitor type for standard PS/2 compatible fixed frequency display timing |
SW1/1 |
Off | |
» |
VGA mode select PS/2 monitors |
SW1/2 |
On |
VGA mode select PC/AT monitors |
SW1/2 |
Off | |
» |
Factory configured - do not alter |
SW1/3 |
Off |
» |
AutoSense set at 16-bit |
SW1/4 |
On |
AutoSense set at 8-bit |
SW1/4 |
Off | |
» |
Factory configured - do not alter |
W1 |
Closed |
» |
Factory configured - do not alter |
W2 |
Pins 1 & 2 closed |