VIDEO SEVEN
V7 VEGA DELUXE
Category |
Video |
Video Types Supported |
EGA |
Video Processor |
Unidentified |
Highest Resolution Supported |
752 x 410 |
Data Bus Type |
8-bit ISA |
Memory Type |
Unidentified |
Maximum Onboard Memory |
256KB |
CONNECTIONS | |||
Purpose |
Location |
Purpose |
Location |
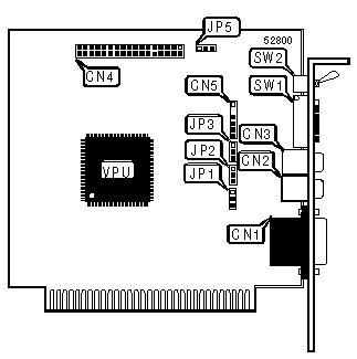
15-pin analog video connector |
CN1 |
VGA feature connector |
CN4 |
RCA Video connector 1 |
CN2 |
Light pen connector |
CN5 |
RCA Video connector 2 |
CN3 |
PRIMARY ADAPTER SELECT | ||||
Monitor |
SW1/1 |
SW1/2 |
SW1/3 |
SW1/4 |
Monochrome Display |
Off |
Off |
On |
Off |
Color display/EGA (40 x 25) |
On |
Off |
Off |
On |
Color display/EGA (80 x 25) |
Off |
Off |
Off |
On |
EGA standard |
On |
On |
On |
Off |
EGA enhanced |
Off |
On |
On |
Off |
SECONDARY MONOCHROME DISPLAY SELECT | ||||
Secondary Monitor |
SW1/1 |
SW1/2 |
SW1/3 |
SW1/4 |
CGA/EGA (40 x 25) |
On |
Off |
Off |
On |
CGA/EGA (80 x 25) |
Off |
Off |
Off |
On |
EGA standard |
On |
On |
On |
Off |
EGA Enhanced |
Off |
On |
On |
Off |
Note: This setup is with the VEGA Deluxe board as primary and a MDA adapter as secondary. |
VEGA AS SECONDARY DISPLAY SELECT | ||||
Monitor Type |
SW1/1 |
SW1/2 |
SW1/3 |
SW1/4 |
CGA/EGA (40 x 25) |
On |
On |
On |
On |
CGA/EGA (80 x 25) |
Off |
On |
On |
On |
EGA standard |
On |
Off |
On |
On |
EGA Enhanced |
Off |
Off |
On |
On |
Note: This setup is with the MDA adapter as primary monitor and VEGA as secondary. |
VEGA/CGA DISPLAY CONFIGURATION | ||||
Monitor Type |
SW1/1 |
SW1/2 |
SW1/3 |
SW1/4 |
CGA mode (40 x 25) |
On |
On |
Off |
On |
CGA mode (80 x 25) |
Off |
On |
Off |
On |
Note: This setup is with the VEGA adapter as primary monitor and CGA as secondary. |
CGA/VEGA DISPLAY CONFIGURATION | ||||
Monitor Type |
SW1/1 |
SW1/2 |
SW1/3 |
SW1/4 |
CGA mode (40 x 25) |
On |
Off |
On |
Off |
CGA mode (80 x 25) |
Off |
Off |
On |
Off |
Note: This setup is with the CGA adapter as primary monitor and VEGA as secondary. |
DELUXE EMULATION CONFIGURATION | |
Monitor Type |
SW1/5 |
VEGA Deluxe functions enable |
On |
VEGA Deluxe functions disable |
Off |
FACTORY CONFIGURED SETTING | |
Setting |
JP1 |
Do not alter |
N/A |
SLOT 8 SETTING | |
Setting |
JP2 |
Enable |
Pins 1 & 2 closed |
Disable |
Pins 2 & 3 closed |
Note:Slot 8 on the IBM XT had a different timing than the other 7 slots, this board provides for the option of changing it nature to fit this difference. |
ADDRESS RANGE SETTING | |
Address |
JP3 |
Enable address in the 2XX range |
Pins 1 & 2 closed |
Enable address in the 2XX/3XX range |
Pins 2 & 3 closed |
FEATURE CONNECTOR CLOCK SETTING | |
Setting |
JP5 |
Enable |
Pins 2 & 3 closed |
Disable |
Pins 1 & 2 closed |
MONITOR TOGGLE SETTING | |
Setting |
SW2 |
EGA |
To the Right |
CGA or Mono |
To the Left |