YUAN TECHNOLOGY, INC.

VGA TV ENCODER (FCN-102/FCP-102)

Card Type

TV Card

Video Chip Set

Unidentified

Highest Resolution Supported

640 x 480

Maximum Video Memory

None

Data Bus

8-bit ISA

Video Types Supported

XVGA

Video Format Supported

640 x 480 (NTSC), 800 x 600 (PAL)

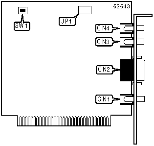
CONNECTIONS

Function

Label

Function

Label

VGA in/out

CN1

AV in

CN4

15-pin analog video connector

CN2

Brightness control

SW1

SVHS in

CN3

Horizontal noise adjustment

JP1