VIDEO SEVEN
VEGA DELUXE
Card Type |
Video card |
Video Processor |
Video Seven |
Maximum Onboard Memory |
256KB DRAM |
I/O Options |
Feature connector, light pen port |
Data Bus |
8-bit ISA |
Video Types Supported |
EGA |
Highest Resolution Supported |
752 x 410 |
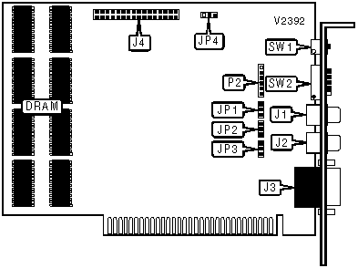
CONNECTIONS | |||
Function |
Label |
Function |
Label |
Unidentified |
J1 |
Feature connector |
J4 |
Unidentified |
J2 |
Light pen port |
P2 |
9-pin EGA port |
J3 |
USER CONFIGURABLE SETTINGS | |||
Setting |
Label |
Position | |
» |
Base I/O address set to 3D0h |
JP1 |
Pins 1 & 2 closed |
Base I/O address set to 2D0h |
JP1 |
Pins 2 & 3 closed | |
» |
Card is installed in normal slot |
JP2 |
Pins 2 & 3 closed |
Card is installed in XT slot 8 |
JP2 |
Pins 1 & 2 closed | |
» |
Factory configured - do not alter |
JP3 |
Unidentified |
» |
Second feature connector clock enabled |
JP4 |
Pins 2 & 3 closed |
Second feature connector clock disabled |
JP4 |
Pins 1 & 2 closed | |
» |
Card will emulate CGA and MDA modes as necessary |
SW2/5 |
On |
Card is 100% EGA compatible |
SW2/5 |
Off | |
» |
Factory configured - do not alter |
SW2/6 |
Unidentified |
MONITOR TYPE (EGA PRIMARY) | ||||||
Primary |
Secondary |
SW1 |
SW2/1 |
SW2/2 |
SW2/3 |
SW2/4 |
CGA, 40 x 25 |
Monochrome |
Off |
On |
Off |
Off |
On |
CGA, 80 x 25 |
Monochrome |
Off |
Off |
Off |
Off |
On |
EGA, 40 x 25 |
Monochrome |
On |
On |
On |
On |
Off |
EGA, 80 x 25 |
Monochrome |
On |
Off |
On |
On |
Off |
Monochrome |
CGA, 40 x 25 |
Off |
On |
Off |
On |
Off |
Monochrome |
CGA, 80 x 25 |
Off |
Off |
Off |
On |
Off |
MONITOR TYPE (EGA SECONDARY) | ||||||
Primary |
Secondary |
SW1 |
SW2/1 |
SW2/2 |
SW2/3 |
SW2/4 |
Monochrome |
CGA, 40 x 25 |
Off |
On |
On |
On |
On |
Monochrome |
CGA, 80 x 25 |
Off |
Off |
On |
On |
On |
Monochrome |
EGA, 40 x 25 |
On |
On |
Off |
On |
On |
Monochrome |
EGA, 80 x 25 |
On |
Off |
Off |
On |
On |
CGA, 40 x 25 |
Monochrome |
Off |
On |
On |
Off |
On |
CGA, 80 x 25 |
Monochrome |
Off |
Off |
On |
Off |
On |