UNIDENTIFIED
COLOR GRAPHICS CARD
Category |
Video card |
Video Type |
CGA/Monochrome |
Video Processor |
Unidentified |
Highest Resolution Supported |
640 X 200 |
Data Bus Type |
8-bit ISA |
Memory Type |
DRAM |
Maximum Onboard Memory |
64KB (Location unknown) |
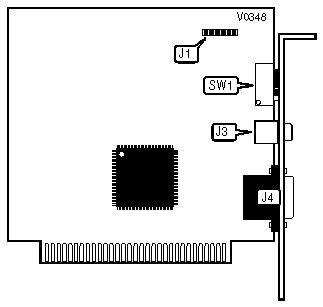
CONNECTIONS | |||
Purpose |
Location |
Purpose |
Location |
Light pen connector |
J1 |
9-pin analog video port |
J4 |
RCA jack |
J3 |
DISPLAY CONFIGURATION | |||||
Mode |
SW1/1 |
SW1/2 |
SW1/3 |
SW1/4 |
SW1/5 |
Composite Color |
On |
On |
Off |
Off |
On |
Composite Monochrome |
On |
Off |
On |
On |
Off |
CGA |
Off |
On |
Off |
Off |
Off |
Note: The output connector for composite settings is J3, and for CGA it is J4. |