WESTERN DIGITAL CORPORATION

BASIC EGA

Category

Video

Video Types Supported

EGA/Monochrome

Video Processor

WD PEGA1A

Highest Resolution Supported

800 x 600

Data Bus Type

8-bit ISA

Memory Type

DRAM

Maximum Onboard Memory

256KB

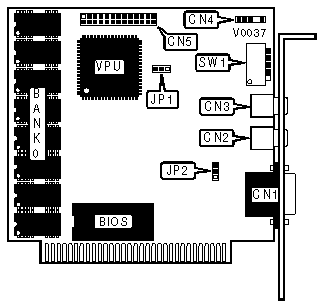
CONNECTIONS

Purpose

Location

Purpose

Location

15-pin analog video port

CN1

Light pen connector

CN4

Composite video connectors

CN2 & CN3

VGA feature connector

CN5

MONITOR STARTUP CONFIGURATION

Power Up Default

SW1/5

EGA operation

Off

Compatible operation

On

Note: Compatible operation further defaults to CGA/Plantronics operation if standard or enhanced RGB monitor is connected, or MDA/Hercules operation if monochrome monitor is connected.

MONITOR TYPE SELECTION

Type

JP2

SW1/1

SW1/2

SW1/3

SW1/4

Monochrome

Pins 1 & 2 closed

Off

Off

On

Off

Standard RGB

Pins 1 & 2 closed

Off

Off

Off

On

Enhanced RGB

Pins 2 & 3 closed

Off

On

On

Off

TWO MONITOR CONFIGURATION (BASIC EGA PRIMARY, IBM MONOCHROME SECONDARY)

Primary Mode

SW1/1

SW1/2

SW1/3

SW1/4

40 column on standard RGB

On

Off

Off

On

80 column on standard RGB

Off

Off

Off

On

200 lines on enhanced RGB

On

On

On

Off

350 lines on enhanced RGB

Off

On

On

Off

TWO MONITOR CONFIGURATION (IBM MONOCHROME PRIMARY, BASIC EGA SECONDARY)

Primary Mode

SW1/1

SW1/2

SW1/3

SW1/4

40 column on standard RGB

On

On

On

On

80 column on standard RGB

Off

On

On

On

200 lines on enhanced RGB

On

Off

On

On

350 lines on enhanced RGB

Off

Off

On

On

TWO MONITOR CONFIGURATION (BASIC EGA PRIMARY, IBM COLOR/GRAPHICS SECONDARY)

Primary Mode

SW1/1

SW1/2

SW1/3

SW1/4

40 column on RGB/composite

On

Off

On

Off

80 column on RGB/composite

Off

Off

On

Off

TWO MONITOR CONFIGURATION (IBM COLOR/GRAPHICS PRIMARY, BASIC EGA SECONDARY)

Primary Mode

SW1/1

SW1/2

SW1/3

SW1/4

40 column on RGB/composite

On

On

Off

On

80 column on RGB/composite

Off

On

Off

On

FACTORY CONFIGURED - DO NOT ALTER

Jumper

Position

JP1

Pins 1 & 2 closed