QDI COMPUTER, INC.
TVGA8900CL
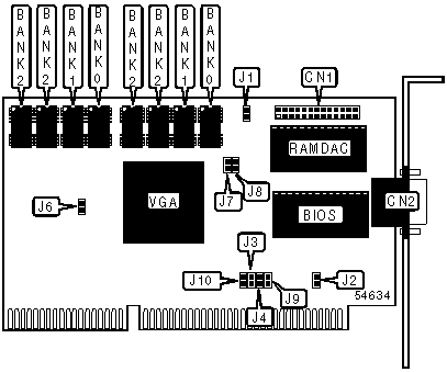
Card Type |
Video card |
Video Chip Set |
Trident |
Maximum Video Memory |
1MB |
Video Types Supported |
Monochrome, CGA, EGA, VGA |
Highest Resolution Supported |
1024 x 768 |
Data Bus |
16-bit ISA |
CONNECTIONS | |||
Function |
Label |
Function |
Label |
Feature connector |
CN1 |
Video port |
CN2 |
USER CONFIGURABLE SETTINGS | |||
Function |
Label |
Position | |
» |
Factory configured - do not alter |
J3 |
Unidentified |
» |
Factory configured - do not alter |
J4 |
Unidentified |
Non-interlaced mode |
J7 |
Open | |
Interlaced mode |
J7 |
Closed | |
Enable BIOS autodetect (8 or 16-bit interface) |
J8 |
Open | |
Disable BIOS autodetect (8-bit interface) |
J8 |
Closed |
WAIT STATE SELECTION | ||
Wait state |
J1 |
J2 |
Enabled |
Open |
Closed |
Disabled |
Closed |
Open |
VIDEO MEMORY CONFIGURATION (DRAM/VRAM) | |||
Size |
Bank 0 |
Bank 1 |
Bank 2 |
256KB |
(2) 128KB x 8 |
None |
None |
512KB |
(2) 128KB x 8 |
(2) 128KB x 8 |
None |
1MB |
(2) 128KB x 8 |
(2) 128KB x 8 |
(4) 128KB x 8 |
SLOT SIZE SELECTION | |||
Slot size |
J6 |
J9 |
J10 |
8-bit |
Closed |
Closed |
Open |
16-bit |
Open |
Open |
Closed |
Note: J8 must be open to allow for a 16-bit interface. |