MICRONICS COMPUTERS, INC.
MVC4000LB
Category |
Video |
Video Types Supported |
XVGA |
Video Processor |
Tseng Labs |
Highest Resolution Supported |
1280 x 1024 |
Data Bus Type |
32-bit Local VESA Bus |
Memory Type |
DRAM |
Maximum Onboard Memory |
1024KB |
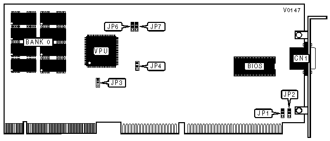
CONNECTIONS | |
Purpose |
Location |
15-pin analog video port |
CN1 |
VIDEO INTERRUPT CONFIGURATION | ||
IRQ 2/9 |
JP2 | |
» |
Disabled |
Pins 1 & 2 closed |
Enabled |
Pins 2 & 3 closed |
FACTORY CONFIGURED - DO NOT ALTER | |
Jumper |
Position |
JP1 |
Pins 2 & 3 closed |
JP3 |
Pins 1 & 2 closed |
JP4 |
Pins 1 & 2 closed |
JP6 |
Pins 2 & 3 closed |
JP7 |
Pins 1 & 2 closed |