IMAGRAPH CORPORATION
V8 (VERSIONS A, B, C, D, & E)
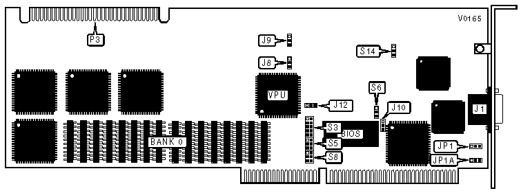
Category |
Video |
Video Types Supported |
XVGA |
Video Processor |
Trident |
Highest Resolution Supported |
1280 x 1024 |
Data Bus Type |
16-bit ISA |
Memory Type |
VRAM |
Maximum Onboard Memory |
2048KB |
CONNECTIONS | |||
Purpose |
Location |
Purpose |
Location |
15-pin video port |
J1 |
Daughterboard connector |
P3 |
EMULATION TYPE CONFIGURATION | ||||
Type |
Address |
JP1 |
JP1A | |
» |
VGA/EGA with High Resolution |
3DDh - 3DEh |
Pins 1 &2 closed |
Pins 1 &2 closed |
CGA with High Resolution |
3DDh - 3DEh |
Pins 2 & 3 closed |
Pins 2 & 3 closed | |
High resolution |
3DDh - 3DEh |
Pins 1 &2 closed |
Pins 2 & 3 closed | |
High resolution |
30Dh - 30Eh |
Pins 2 & 3 closed |
Pins 1 &2 closed | |
Note: Address setting 30Dh - 30Eh requires special device driver software for operation. |
MONITOR CONNECTOR SENSE CONFIGURATION | |||
Setting |
J8 |
J9 | |
» |
Disabled |
Pins 1 & 2 closed |
Pins 1 & 2 closed |
Enabled |
Pins 2 & 3 closed |
Pins 2 & 3 closed | |
Note: An optional microcode EPROM must be installed before Connector Sense can be enabled. |
VGA DAUGHTERBOARD CONFIGURATION | ||
Setting |
J12 | |
» |
Not installed |
Pins 2 & 3 closed |
Installed |
Pins 1 & 2 closed | |
Note: This setting does not apply to versions B, C, D, or E. |
BIOS SIZE SELECTION | ||
Size |
J10 | |
» |
32K (VGA) |
Pins 1 &2 closed |
16K (EGA) |
Pins 2 & 3 closed | |
Note: This setting does not apply to version B. |
VIDEO INTERRUPT SELECTION | ||
IRQ |
S3 | |
» |
10 |
Pins 3 & 4 closed |
2/9 |
Pins 9 & 10 closed | |
11 |
Pins 5 & 6 closed | |
12 |
Pins 7 & 8 closed | |
Disabled |
Pins 1 & 2 closed |
ALTERNATE I/O PORT ADDRESS SELECTION | ||
Address |
S6 | |
» |
3xx |
Pins 2 & 3 closed |
1xx |
Pins 1 &2 closed | |
Note: This setting does not apply to versions B or C. |
DMA CHANNEL SELECTION | ||||
DRQ |
Dack |
S5 |
S8 | |
» |
7 |
7 |
Pins 1 & 2 closed |
Pins 1 & 2 closed |
6 |
6 |
Pins 3 & 4 closed |
Pins 3 & 4 closed | |
5 |
5 |
Pins 5 & 6 closed |
Pins 5 & 6 closed |
STRING I/O OPERATION CONFIGURATION | ||
Setting |
S14 | |
» |
Disabled |
Pins 2 & 3 closed |
Enabled |
Pins 1 &2 closed | |
Note: This setting does not apply to version B. Microcode EPROM and device driver software must be installed before I/O string operations can be enabled. |