EMULEX CORPORATION
SHORT PORT COLOR CARD
Card Type |
Video card |
Video Chip Set |
Unidentified |
Highest Resolution Supported |
640 x 200 |
Maximum Video Memory |
Unidentified |
Data Bus |
8-bit ISA |
Video Types Supported |
CGA |
CONNECTIONS | |||
Function |
Label |
Function |
Label |
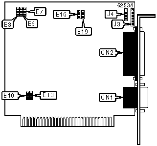
9-pin digital video port |
CN1 |
Light pen connector |
J3 |
Parallel port |
CN2 |
RF connector |
J4 |
USER CONFIGURABLE SETTINGS | |||
Function |
Label |
Position | |
» |
Factory configured - do not alter |
E3 |
Unidentified |
» |
Factory configured - do not alter |
E6 |
Unidentified |
» |
Factory configured - do not alter |
E7 |
Unidentified |
Interface selected at Centronics |
E16 |
Pins 2 & 3 closed | |
Interface selected at Dataproducts |
E16 |
Pins 1 & 2 closed | |
Directional control internal |
E19 |
Pins 2 & 3 closed | |
Directional control external |
E19 |
Pins 1 & 2 closed |
PARALLEL PORT RANGE SELECTION | |||
Range |
E10 |
E13 | |
Enabled |
Pins 2 & 3 closed |
Pins 2 & 3 closed | |
» |
0 |
Pins 2 & 3 closed |
Pins 2 & 3 closed |
1 |
Pins 2 & 3 closed |
Pins 1 & 2 closed | |
2 |
Pins 1 & 2 closed |
Pins 2 & 3 closed | |
Disabled |
Pins 1 & 2 closed |
Pins 1 & 2 closed |
PARALLEL PORT INTERRUPT SELECTION | |
IRQ |
E28 |
IRQ7 |
Pins 1 & 2 closed |
IRQ5 |
Pins 2 & 3 closed |
Note: The location of E28 is unidentified |