COLORGRAPHIC COMMUNICATIONS CORPORATION
TWIN TURBO ACCELERATOR
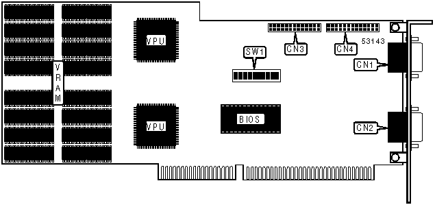
Card Type |
Video card |
Video Chipset |
S3 86C928 |
Maximum Video Memory |
4MB VRAM (2MB per port) |
I/O Options |
VESA feature connectors (2), VGA out (2) |
Data Bus |
16-bit ISA |
Video Types Supported |
XVGA |
Highest Resolution Supported |
1280 x 1024 |
CONNECTIONS | |||
Function |
Label |
Function |
Label |
15-pin analog video port 2 |
CN1 |
Feature connector |
CN3 |
15-pin analog video port 1 |
CN2 |
Feature connector |
CN4 |
USER CONFIGURABLE SETTINGS | |||
Setting |
Label |
Position | |
» |
Factory configured - do not alter |
SW1/5 |
Unidentified |
» |
Factory configured - do not alter |
SW1/6 |
Unidentified |
» |
Factory configured - do not alter |
SW1/7 |
Unidentified |
» |
Factory configured - do not alter |
SW1/8 |
Unidentified |
» |
Factory configured - do not alter |
SW1/9 |
Unidentified |
» |
Factory configured - do not alter |
SW1/10 |
Unidentified |
BASE I/O ADDRESS SELECTION | ||||
Primary |
Secondary |
SW1/1 |
SW1/2 | |
32Ch |
328h |
On |
On | |
33Ch |
338h |
On |
Off | |
» |
34Ch |
348h |
Off |
On |
35Ch |
358h |
Off |
Off |
BOARD NUMBER SELECTION | |||
Setting |
SW1/3 |
SW1/4 | |
» |
1 |
On |
On |
2 |
Off |
On | |
3 |
On |
Off | |
4 |
Off |
Off |