DTK COMPUTER. INC.
PTI-206A EGA PRINTER
Card Type |
Parallel card, Video card |
Video Chip Set |
Unidentified |
Highest Resolution Supported |
720 x 350 |
Maximum Video Memory |
256KB RAM (type unidentified) |
Data Bus |
8-bit ISA |
Video Types Supported |
EGA |
CONNECTIONS | |||
Function |
Label |
Function |
Label |
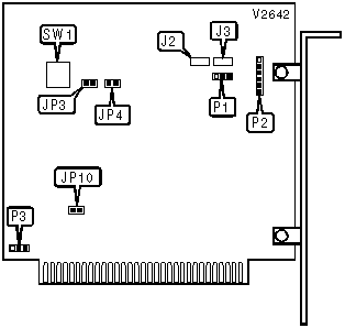
Feature connector |
J4 |
25-pin parallel port |
Location unidentified |
Light Pen Interface |
P2 |
9-pin digital video port |
Location unidentified |
USER CONFIGURABLE SETTINGS | |||
Function |
Label |
Position | |
» |
Secondary red output on pin 2 of the direct drive interface connector is for use of an enhanced color monitor |
P1 |
Pins 1 & 2 closed |
Pin 2 of the direct drive interface connector connected to the ground is for use of a color monitor |
P1 |
Pins 2 & 3 closed | |
» |
EGA addresses selected at 3XX |
P3 |
Pins 1 & 2 closed |
EGA addresses selected at 2XX (not supported by BIOS) |
P3 |
Pins 2 & 3 closed | |
» |
Factory configured - do not alter |
SW1/5 |
On |
» |
Factory configured - do not alter |
SW1/6 |
On |
PARALLEL PORT CONFIGURATION | ||||
Setting |
JP3 |
JP4 |
JP10 | |
» |
LPT1 |
Closed |
Closed |
Open |
LPT2 |
Open |
Closed |
Closed | |
Disabled |
N/A |
Open |
N/A |
EGA ADAPTER CONFIGURATION (PRIMARY) | ||||||
Enhanced |
Monochrome |
Color |
SW1/1 |
SW1/2 |
SW1/3 |
SW1/4 |
Color Display 40x25 |
Secondary |
N/A |
On |
Off |
Off |
On |
Color Display 80x25 |
Secondary |
N/A |
On |
Off |
Off |
Off |
Emulation mode |
Secondary |
N/A |
Off |
On |
On |
On |
High Res. Mode |
Secondary |
N/A |
Off |
On |
On |
Off |
Monochrome |
N/A |
Secondary 40x25 |
Off |
On |
Off |
On |
Monochrome |
N/A |
Secondary 80x25 |
Off |
On |
Off |
Off |
EGA ADAPTER CONFIGURATION (SECONDARY) | ||||||
Enhanced |
Monochrome |
Color |
SW1/1 |
SW1/2 |
SW1/3 |
SW1/4 |
Color Display 40x25 |
Primary |
N/A |
On |
On |
On |
On |
Color Display 80x25 |
Primary |
N/A |
On |
On |
On |
Off |
Emulation mode |
Primary |
N/A |
On |
On |
Off |
On |
High Res. Mode |
Primary |
N/A |
On |
On |
Off |
Off |
Monochrome |
N/A |
Primary 40x25 |
On |
Off |
On |
On |
Monochrome |
N/A |
Primary 80x25 |
On |
Off |
On |
Off |
MISCELLANEOUS TECHNICAL NOTES |
Note: The purpose of SW1/7 and SW1/8 is unidentified. |