DIAMOND FLOWER, INC.
VG-8000/VG-8000H
Category |
Video |
Video Types Supported |
XVGA |
Video Processor |
WD90C30 |
Highest Resolution Supported |
1024 x 768 |
Data Bus Type |
16-bit Local Bus |
Memory Type |
DRAM |
Maximum Onboard Memory |
1024KB |
CONNECTIONS | |
Purpose |
Location |
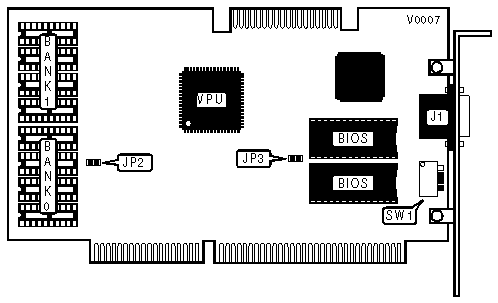
15-pin analog video connector |
J1 |
800 X 600 REFRESH RATE SELECTION | ||
Rate |
SW1/ 1 |
SW1/2 |
56Hz |
Off |
Off |
72Hz |
On |
Off |
60Hz |
Off |
On |
56Hz |
On |
On |
1024 X 768 REFRESH RATE CONFIGURATION | |||
Rate |
Mode |
SW1/3 |
SW1/4 |
87Hz |
Interlaced |
Off |
Off |
70Hz |
Non-interlaced |
On |
Off |
60Hz |
Non-Interlaced |
Off |
On |
Not supported |
N/A |
On |
On |
SCAN RATE CONFIGURATION | ||
Horizontal scan rate |
Vertical scan rate |
SW1/5 |
31.5khz |
60Hz, 70Hz |
Off |
40khz |
75Hz, 88Hz |
On |
ZERO WAIT STATE SELECTION | |
Setting |
JP3 |
Enabled |
Closed |
Disabled |
Open |
DRAM CONFIGURATION | |||
Size |
Bank 0 |
Bank 1 |
JP2 |
512KB |
(4) 44256 |
NONE |
Closed |
1024KB |
(4) 44256 |
(4) 44256 |
Open |
Note:JP2 is only available on the VG-8000. The VG8000H is factory configured with 1024KB. |