APPIAN TECHNOLOGY
JERONIMO J2/N (4MB)
Card Type |
Video card |
Video Chip Set |
Cirrus Logic |
Highest Resolution Supported |
1600 x 1200 |
Maximum Video Memory |
Unidentified |
Data Bus |
32-bit PCI |
Video Types Supported |
CGA, VGA, TARGA, XVGA |
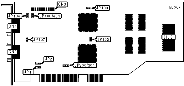
CONNECTIONS | |||
Function |
Label |
Function |
Label |
15-pin analog video port 1 |
CN1 |
VESA feature connector |
CN3 |
15-pin analog video port 2 |
CN2 |
USER CONFIGURABLE SETTINGS | |||
Function |
Label |
Position | |
Channel 1 interrupt enabled |
JP1 |
Pins 2 & 3 closed | |
Channel 1 interrupt disabled |
JP1 |
Pins 1 & 2 closed | |
Channel 2 interrupt enabled |
JP2 |
Pins 2 & 3 closed | |
Channel 2 interrupt disabled |
JP2 |
Pins 1 & 2 closed | |
» |
Factory configured - do not alter |
JP12 |
Unidentified |
» |
Factory configured - do not alter |
JP13 |
Unidentified |
Primary VGA enabled |
JP100 |
Open | |
Primary VGA disabled |
JP100 |
Closed | |
» |
Factory configured - do not alter |
JP101 |
Unidentified |
» |
Factory configured - do not alter |
JP102 |
Unidentified |
» |
Factory configured - do not alter |
JP103 |
Unidentified |
Channel 1 CSYNC compatibility enabled |
JP104 |
Closed | |
Channel 1 CSYNC compatibility disabled |
JP104 |
Open | |
Channel 2 CSYNC compatibility enabled |
JP107 |
Closed | |
Channel 2 CSYNC compatibility disabled |
JP107 |
Open | |
Manual bottom channel slot selection enabled |
JP300/301 |
Pins 1 & 2 closed | |
Automatic bottom channel slot selection enabled |
JP300/301 |
Pins 2 & 3 closed | |
I2C communication channel enabled |
JP400/401 |
Open | |
I2C communication channel disabled |
JP400/401 |
Closed | |
Note: Location and orientation of factory configured jumpers JP12, JP13, JP101 & JP103 are unidentifed |