WESTERMO TELEINDUSTRI AB
TD-23 AC
Card Type |
Modem |
Chip Set |
Unidentified |
I/O Options |
9-pin serial port (RS-232), terminal blocks (3) |
Data Modulation Protocol |
ITU-T V.11, V.23, V.24/V.28 |
Wiring Type |
Unshielded twisted pair |
Maximum Transfer Rate |
1200bps |
Data Bus |
External |
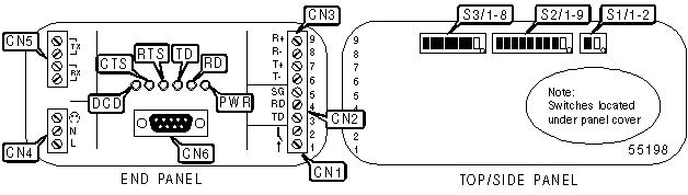
CONNECTIONS | ||||||
Function |
Label |
Function |
Label | |||
Relay connector (screws 1 & 2) |
CN1 |
AC power connector (3 pole terminal block) |
CN4 | |||
RS-232-C/V.24 interface (screws 3 - 5) |
CN2 |
Line connector (4 pole terminal block) |
CN5 | |||
RS-422/485 interface (screws 6 - 9) |
CN3 |
9-pin serial port |
CN6 | |||
Note: CN1, CN2, & CN3 are separate interfaces on a 9 pole terminal block |
USER CONFIGURABLE SETTINGS | ||
Setting |
Label |
Position |
í 2-wire mode enabled (line side) |
S2/6 |
On |
4-wire mode enabled enabled (line side) |
S2/6 |
Off |
í 23ms RTS/CTS delay enabled |
S2/9 |
Off |
60ms RTS/CTS delay enabled |
S2/9 |
On |
í Activity timer disabled |
S3/7 |
Off |
1min activity timer enabled |
S3/7 |
On |
í Filter enabled; receive data is buffered for 6ms |
S3/8 |
On |
Filter disabled |
S3/8 |
Off |
LINE TERMINATION | ||
Setting |
S1/1 |
S1/2 |
í Line termination disabled |
Off |
Off |
Line termination enabled |
On |
On |
TRANSMISSION LEVEL | |||
Setting |
S2/1 |
S2/2 |
S2/3 |
3dBm |
Off |
Off |
Off |
-3dBm |
On |
Off |
Off |
-6dBm |
Off |
On |
Off |
í -9dBm |
On |
On |
Off |
-10dBm |
Off |
Off |
On |
-12dBm |
On |
Off |
On |
-13dBm |
Off |
On |
On |
-15dBm |
On |
On |
On |
DCD DETECTION LEVEL | ||
Setting |
S2/4 |
S2/5 |
í 3dBm |
Off |
On |
10dBm |
On |
On |
-3dBm |
On |
Off |
-15dBm |
Off |
Off |
CARRIER CONTROL | ||
Setting |
S2/7 |
S2/8 |
í Carrier controlled by RTS |
On |
On |
Transmitter activated by incoming data; data is buffered while carrier is established |
Off |
On |
Permanent carrier established |
On |
Off |
2-WIRE/4-WIRE MODE SELECTION (RS-422/485 SIDE) | ||
Setting |
S3/1 |
S3/2 |
í 2-wire mode enabled |
On |
Off |
4-wire mode enabled enabled |
Off |
On |
RS-422/485 TERMINATION | ||||
Setting |
S3/3 |
S3/4 |
S3/5 |
S3/6 |
í RS-422/485 termination disabled |
Off |
Off |
Off |
Off |
2-wire termination enabled (RS-485) |
On |
On |
Off |
Off |
4-wire termination enabled (RS-422) |
Off |
Off |
On |
On |
DIAGNOSTIC LED(S) | |||
LED |
Color |
Status |
Condition |
PWR |
Unidentified |
On |
Power is on |
PWR |
Unidentified |
Off |
Power is off |
RD |
Unidentified |
On |
Modem is receiving data |
RD |
Unidentified |
Off |
Modem is not receiving data |
TD |
Unidentified |
On |
Modem is transmitting data |
TD |
Unidentified |
Off |
Modem is not transmitting data |
RTS |
Unidentified |
On |
RTS signal is high |
RTS |
Unidentified |
Off |
RTS signal is low |
CTS |
Unidentified |
On |
CTS signal is high. Device ready to send data |
CTS |
Unidentified |
Off |
CTS signal is low |
DCD |
Unidentified |
On |
Data carrier present |
DCD |
Unidentified |
Off |
Data carrier not present. Connection not established |