U.S. ROBOTICS, INC.
SPORTSTER VI 28.8 EXT
Card Type |
Fax, Modem (asynchronous), Voice |
Chip Set |
U.S. Robotics |
I/O Options |
Speakerphone, Voice-mail, Voice View |
Maximum Data Rate |
28.8Kbps |
Maximum Fax Rate |
14.4Kbps |
Data Bus |
External |
Fax Class |
Class I & II |
Data Modulation Protocol |
Bell 103/212A ITU-T V.21, V.22, V.22bis, V.23, V.25, V.32, V.32bis, V.34 Rockwell V.FC |
Fax Modulation Protocol |
Unidentified |
Error Correction/Compression |
MNP5, V.42, V.42bis |
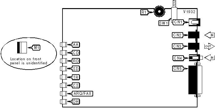
CONNECTIONS | ||||||
Function |
Label |
Function |
Label | |||
DC power |
CN1 |
RS-232/422 |
CN5 | |||
Line in |
CN2 |
Power switch |
SW1 | |||
Line out |
CN3 |
Volume |
R1 | |||
Speaker out |
CN4 |
Built-in microphone |
M1 |
DIAGNOSTIC LED(S) | |||
LED |
Color |
Status |
Condition |
AA |
Red |
On |
Auto-answer enabled |
AA |
Red |
Off |
Auto-answer disabled |
AA |
Red |
Blinking |
Phone is ringing |
CD |
Red |
On |
Carrier signal detected or CD forced high |
CD |
Red |
Off |
Carrier signal not detected |
RD |
Red |
Blinking |
Modem is receiving data |
RD |
Red |
Off |
Modem is not receiving data |
SD |
Red |
Blinking |
Modem is transmitting data |
SD |
Red |
Off |
Modem is not transmitting data |
TR |
Red |
On |
DTR signal is high |
TR |
Red |
Off |
DTR signal is low |
CS |
Red |
On |
CTS signal is high |
CS |
Red |
Off |
CTS signal is low |
ARQ/FAX |
Red |
On |
Error correction activated |
ARQ/FAX |
Red |
Off |
Error correction disabled |
ARQ/FAX |
Red |
Blinking |
Retransmitting data to remote or connected in FAX mode |
OH |
Red |
On |
Modem is off-hook |
OH |
Red |
Off |
Modem is on-hook |
Proprietary AT Command Set
ABORT | |
Type: |
Immediate |
Format: |
Any key |
Description: |
Aborts answering/originating a call; modem hangs up. |
ANSWER | |
Type: |
Immediate |
Format: |
AT [cmds] A |
Description: |
Enables manual answer mode, the modem goes off-hook; pressing any key will abort. |
ANSWER SEQUENCE | |
Type: |
Configuration |
Format: |
AT [cmds] Bn [cmds] |
Description: |
Selects the answer sequence the modem will use |
Command |
Function |
í B0 |
ITU-T answer sequence enabled |
B1 |
Bell answer sequence enabled |
ATTENTION | |
Type: |
Immediate |
Format: |
AT [cmds] |
Description: |
Tells the modem that a command follows or use alone to test OK result code |
BIT-MAPPED REGISTER S13 | ||
Format |
AT [cmds] S13=n [cmds] | |
Default: |
0 | |
Range: |
0-89 | |
Unit: |
Bit-mapped | |
Description: |
Controls DTR reset, DTR dialing, reset dialing, and MNP3. | |
Bit |
Value |
Function |
0 |
í 01 |
DTR normal Reset on low DTR |
1, 2 |
í 00 |
Not used |
3 |
í 01 |
DTR dialing disabled DTR dialing enabled |
4 |
í 01 |
Reset dialing disabled Reset dialing enabled, dials number at position 0 in NVRAM. |
5 |
í 0 |
Not used |
6 |
í 01 |
MNP 3 enabled MNP 3 disabled |
BIT-MAPPED REGISTER S15 | ||
Format |
AT [cmds] S15=n [cmds] | |
Default: |
0 | |
Range: |
0-56 | |
Unit: |
Bit-mapped | |
Description: |
Controls non-error-correcting mode buffer, MNP4, and BS/DEL switch. | |
Bit |
Value |
Function |
0 - 2 |
í 0 |
Not used |
3 |
í 01 |
Non-error-correcting mode transmit buffer set to 1.5KB Non-error-correcting mode transmit buffer set to 128 bytes |
4 |
í 01 |
MNP 4 enabled MNP 4 disabled |
5 |
í 01 |
Use backspace key for delete disabled Use backspace key for delete enabled |
BIT-MAPPED REGISTER S27 | ||
Format |
AT [cmds] S27=n [cmds] | |
Default: |
0 | |
Range: |
0-191 | |
Unit: |
Bit-mapped | |
Description: |
Controls V.21, V.32 encoding and modulation, V.42 answer tone and handshake, and 9600 result codes. | |
Bit |
Value |
Function |
0 |
í 01 |
V.21 disabled V.21 enabled |
1 |
í 01 |
V.32 non-trellis coding disabled V.32 non-trellis coding enabled |
2 |
í 01 |
V.32 modulation enabled V.32 modulation disabled |
3 |
í 01 |
2100Hz answer tone enabled 2100Hz answer tone disabled |
5, 4 |
í 0001 10 11 |
V.42 detect, LAPM and MNP enabled V.42 detect and LAPM enabled, and MNP disabled MNP enabled LAPM enabled |
6 |
í 0 |
Not used |
7 |
í 01 |
Actual result codes displayed Force 9600 result codes |
BAUD RATE | ||
Type: |
Register | |
Format: |
AT [cmds] S54=n [cmds] | |
Default: |
0 | |
Range: |
0-255 | |
Unit: |
Bit-mapped | |
Description: |
Controls baud rate | |
Note: For 28.8 models | ||
Bit |
Value |
Function |
0 |
í 01 |
2400 baud rate enabled 2400 baud rate disabled |
1 |
í 01 |
2743 baud rate enabled 2743 baud rate disabled |
2 |
í 01 |
2800 baud rate enabled 2800 baud rate disabled |
3 |
í 01 |
3000 baud rate enabled 3000 baud rate disabled |
4 |
í 01 |
3200 baud rate enabled 3200 baud rate disabled |
5 |
í 01 |
3429 baud rate enabled 3429 baud rate disabled |
6 |
í 01 |
Call indicate during V.34 operation enabled Call indicate during V.34 operation disabled |
7 |
í 01 |
V.8 during V.34 operation enabled V.8 during V.34 operation disabled |
BIT-MAPPED REGISTER S56 | ||
Format: |
AT [cmds] S56=n [cmds] | |
Default: |
0 | |
Range: |
0-255 | |
Unit: |
Bit-mapped | |
Description: |
Controls non-linear coding, TX level deviation, pre-emphasis, pre-coding, shaping, V.34, and V.FC | |
Note: For 28.8 models | ||
Bit |
Value |
Function |
0 |
í 01 |
Non linear coding enabled Non linear coding disabled |
1 |
í 01 |
TX level deviation enabled TX level deviation disabled |
2 |
í 01 |
Pre-emphasis enabled Pre-emphasis disabled |
3 |
í 01 |
Pre-coding enabled Pre-coding disabled |
4 |
í 01 |
Shaping enabled Shaping disabled |
5 |
í 0 |
Not used |
6 |
í 01 |
V.34 enabled V.34 disabled |
7 |
í 01 |
V.FC enabled V.FC disabled |
BREAK LENGTH | |
Type: |
Register |
Format: |
AT [cmds] S21=n [cmds] |
Default: |
10 |
Range: |
Unidentified |
Unit: |
.01 second |
Description: |
Sets the length of error control mode breaks sent from DCE to DTE. |
BREAK TYPE | |
Type: |
Configuration |
Format: |
AT [cmds] &Yn [cmds] |
Description: |
Configures action of break signal |
Command |
Function |
&Y0 |
Empty buffer only |
í &Y1 |
Empties buffer and break is sent immediately |
&Y2 |
Do not empty buffer and break is sent immediately |
&Y3 |
Do not empty buffer or send break |
CARRIER DETECT (CD) | |
Type: |
Configuration |
Format: |
AT [cmds] &Cn [cmds] |
Description: |
Controls the CD signal |
Command |
Function |
&C0 |
Modem does not respond to CD signal |
í &C1 |
CD signal normal |
COMPRESSION | |
Type: |
Configuration |
Format: |
AT [cmds] &Kn [cmds] |
Description: |
Selects data compression |
Command |
Function |
&K0 |
Data compression disabled |
í &K1 |
Auto enabled/disable data compression |
&K2 |
Data compression enabled |
&K3 |
MNP5 data compression disabled |
COMPRESSION AND ERROR CORRECTION | ||
Format |
AT [cmds] S51=n [cmds] | |
Default: |
0 | |
Range: |
0-7 | |
Unit: |
Bit-mapped | |
Description: |
Selects compression and error correction for specific modulations | |
Note: For 28.8 models | ||
Bit |
Value |
Function |
0 |
í 01 |
MNP/V.42 disabled during V.22 operation MNP/V.42 disabled during V.22 operation |
1 |
í 01 |
MNP/V.42 disabled during V.22bis operation MNP/V.42 disabled during V.22bis operation |
2 |
í 01 |
MNP/V.42 disabled during V.32bis operation MNP/V.42 disabled during V.32bis operation |
CONNECTION SPEED LOWER LIMIT | |
Type: |
Configuration |
Format: |
AT [cmds] &Un [cmds] |
Description: |
Sets minimum required connection speed |
Note: 16.8 - 28.8bps for 28.8 models | |
Command |
Function |
í &U0 |
Variable |
&U1 |
300bps |
&U2 |
1200bps |
&U3 |
2400bps |
&U4 |
4800bps |
&U5 |
7200bps |
&U6 |
9600bps |
&U7 |
12Kbps |
&U8 |
14.4Kbps |
&U9 |
16.8Kbps |
&U10 |
19.2Kbps |
&U11 |
21.6Kbps |
&U12 |
24Kbps |
&U13 |
26.4Kbps |
&U14 |
28.8Kbps |
CONNECTION SPEED UPPER LIMIT | |
Type: |
Configuration |
Format: |
AT [cmds] &Nn [cmds] |
Description: |
Sets maximum required connection speed, modem will hang up if it cannot connect. |
Note: 16.8 - 28.8bps for 28.8 models | |
Command |
Function |
í &N0 |
Variable |
&N1 |
300bps |
&N2 |
1200bps |
&N3 |
2400bps |
&N4 |
4800bps |
&N5 |
7200bps |
&N6 |
9600bps |
&N7 |
12Kbps |
&N8 |
14.4Kbps |
&N9 |
16.8Kbps |
&N10 |
19.2Kbps |
&N11 |
21.6Kbps |
&N12 |
24Kbps |
&N13 |
26.4Kbps |
&N14 |
28.8Kbps |
DATA SET READY (DSR) | |
Type: |
Configuration |
Format: |
AT [cmds] &Sn [cmds] |
Description: |
Selects DSR options |
Command |
Function |
í &S0 |
DSR forced high |
&S1 |
DSR controlled by modem |
DATA TERMINAL READY (DTR) | |
Type: |
Configuration |
Format: |
AT [cmds] &Dn [cmds] |
Description: |
Selects modem response to DTR |
Command |
Function |
&D0 |
Modem does not respond to DTR |
&D1 |
Modem goes to command mode after DTR toggles |
í &D2 |
Modem uses DTR as normal |
&D3 |
Modem is initialized after DTR goes off |
DIAL | |
Type: |
Immediate |
Format: |
AT [cmds] D<#> [cmds] |
Example: |
ATDT 443-3388,,,1111; |
Description: |
Dials telephone number according to any modifiers included in the string |
Note: |
Any combination of modifiers can be used to produce the desired dial functions in sequence. |
Command |
Function |
í P |
Pulse dialing enabled |
T |
Tone dialing enabled |
, |
Dialing paused for 2 seconds to a maximum amount of time specified in S8 register |
; |
Modem returned to command state after dialing. Can only be placed at the end of the dial command. |
" |
Dials letters that follow, ATDT"GOMICRO |
! |
Flash function initiated |
/ |
125 ms delay before proceeding with dial string |
W |
Dialing resumed following dial tone detection of second dial tone |
@ |
Wait for quiet answer, then proceeds to execute the rest of the dial string. |
R |
Answer mode enabled; originate mode disabled following handshake initiation. |
S=n |
Dial stored telephone number n |
DIAL - LAST NUMBER | |
Type: |
Immediate |
Format: |
AT [cmds] DL [cmds] |
Description: |
Re-dial last number dialed |
DIAL - STORED NUMBER | |
Type: |
Immediate |
Format: |
AT [cmds] DSn [cmds] |
Description: |
Dial stored number from memory location n |
DISCONNECT BUFFER DELAY | |
Type: |
Register |
Format |
AT [cmds] S38=n [cmds] |
Default: |
0 |
Range: |
Unidentified |
Unit: |
1 second |
Description: |
Sets maximum duration allowed during buffered data calls for modem to perform clearing functions after losing carrier-signal or receiving a clear call signal from the remote modem and before initiating hang-up process. A value of 0 will allow the modem to hanging-up after DTR drops. |
DTR CHANGE THRESHOLD | |
Type: |
Register |
Format |
AT [cmds] S25=n [cmds] |
Default: |
5 |
Range: |
Unidentified |
Unit: |
.01 second |
Description: |
Sets maximum time a change in the DTR signal will be ignored |
ECHO | |
Type: |
Configuration |
Format: |
AT [cmds] En [cmds] |
Description: |
Controls echo function; display keyboard commands when enabled. |
Command |
Function |
E0 |
Echo function disabled |
í E1 |
Echo function enabled |
ECHO - ON-LINE | |
Type: |
Configuration |
Format: |
AT [cmds] Fn [cmds] |
Description: |
Selects whether data sent while in data mode are echoed |
Command |
Function |
F0 |
Local echo enabled |
í F1 |
Local echo disabled |
ERROR CORRECTION MODE (ARQ) | |
Type: |
Configuration |
Format: |
AT [cmds] &Mn [cmds] |
Description: |
Selects active error correction protocols |
Command |
Function |
&M0 |
Normal mode only |
í &M4 |
Auto-detect mode |
&M5 |
ARQ mode only |
ESCAPE CHARACTER RESPONSE | |
Type: |
Register |
Format: |
AT [cmds] S14=n [cmds] |
Description: |
Controls reaction to escape character |
Command |
Function |
í S14=0 |
Normal operation |
S14=1 |
When +++ is received, modem goes on hook, enters command state and sends NO CARRIER result code. |
ESCAPE SEQUENCE | |
Type: |
Immediate |
Format: |
+++AT [cmds] <CR> |
Description: |
Initiates the escape sequence and returns the modem to the on-line command state if it receives three escape characters set in S2 within the time allotted by S12. |
Note: Do not precede this command with AT. |
EXTENDED RESULT CODES | |
Type: |
Configuration |
Format: |
AT [cmds] &An [cmds] |
Description: |
Selects extended result codes |
Command |
Function |
&A0 |
Extended result codes disabled |
&A1 |
ARQ result codes enabled |
&A2 |
ARQ result codes enabled and V.32 result code added |
í &A3 |
Error control and compression result codes enabled |
FACTORY DEFAULT PROFILE | ||
Type: |
Configuration | |
Format: |
AT [cmds] &Fn [cmds] | |
Description: |
Loads values in active profile to values found in the default profile, which are READ-ONLY. | |
Command |
Function | |
&F0 |
Generic template | |
í &F1 |
Hardware flow control template | |
&F2 |
Software flow control template |
FLOW CONTROL CHARACTER - XOFF | |
Type: |
Register |
Format: |
AT [cmds] S23=n [cmds] |
Default: |
19 |
Range: |
0-127 |
Unit: |
ASCII |
Description: |
Sets the character used to represent XOFF. |
FLOW CONTROL CHARACTER - XON | |
Type: |
Register |
Format: |
AT [cmds] S22=n [cmds] |
Default: |
17 |
Range: |
0-127 |
Unit: |
ASCII |
Description: |
Sets the character used to represent XON. |
FLOW CONTROL PASS-THROUGH | |
Type: |
Configuration |
Format: |
AT [cmds] &In [cmds] |
Description: |
Allows modem to act on, then transmit XON/XOFF characters. |
Command |
Function |
í &I0 |
Software flow control disabled |
&I1 |
XON/XOFF pass-through enabled |
&I2 |
XON/XOFF pass-through disabled |
&I3 |
ENQ/ACK enabled in host mode |
&I4 |
ENQ/ACK enabled in terminal mode |
&I5 |
XON/XOFF pass-through disabled in error correction mode |
FLOW CONTROL TYPE | |
Type: |
Configuration |
Format: |
AT [cmds] &Hn [cmds] |
Description: |
Sets type of flow control used by modem |
Command |
Function |
&H0 |
Flow control disabled |
í &H1 |
CTS/RTS flow control enabled |
&H2 |
XON/XOFF flow control enabled |
&H3 |
CTS/RTS and XON/XOFF flow control enabled |
FLOW CONTROL TYPE | |
Type: |
Configuration |
Format: |
AT [cmds] &Rn [cmds] |
Description: |
Controls receive data hardware flow control and RTS signals |
Command |
Function |
&R1 |
Modem ignores RTS |
í &R2 |
Received data to DTE when RTS is on |
GUARD TONE | |
Type: |
Configuration |
Format: |
AT [cmds] &Gn [cmds] |
Description: |
Commands the modem to transmit a guard tone |
Note: Used primarily for international data transmission | |
Command |
Function |
í &G0 |
Guard tone disabled |
&G1 |
550Hz guard tone enabled |
&G2 |
1800Hz guard tone enabled |
HANDSHAKE TIMER | |
Type: |
Register |
Format: |
AT [cmds] S28=n [cmds] |
Default: |
8 |
Range: |
0-255 |
Unit: |
.1 second |
Description: |
Sets the length of handshake time, so modems with V.32bis, V.FC and V.34 are given a chance to connect at 9600bps or higher. |
HOOK CONTROL | |
Type: |
Immediate |
Format: |
AT [cmds] Hn [cmds] |
Description: |
Selects whether the modem is on-hook or off-hook |
Command |
Function |
H0 |
Modem commanded to go on-hook (hang-up) |
H1 |
Modem commanded to go off-hook (pick-up) |
INACTIVITY TIMER | |
Type: |
Register |
Format: |
AT [cmds] S19=n [cmds] |
Default: |
0 |
Range: |
Unidentified |
Unit: |
1 minute |
Description: |
Sets the length of time that the modem does not receive information before it disconnects. |
LIST AMPERSAND COMMANDS | |
Type: |
Immediate |
Format: |
AT [cmds] &$ [cmds] |
Description: |
Displays ampersand (&) commands |
LIST DIAL COMMANDS | |
Type: |
Immediate |
Format: |
AT [cmds] D$ [cmds] |
Description: |
Displays dial commands |
LIST S-REGISTERS | |
Type: |
Immediate |
Format: |
AT [cmds] S$ [cmds] |
Description: |
Displays the S-registers |
LOCK SERIAL PORT | |
Type: |
Configuration |
Format: |
AT [cmds] &Bn [cmds] |
Description: |
Sets operation of serial port speed |
Command |
Function |
&B0 |
Serial speed follows connect speed |
í &B1 |
Serial speed locked |
&B2 |
Serial speed locked in ARQ mode only |
MAPPING | ||||||
Format: |
AT [cmds] S55=n [cmds] | |||||
Default: |
0 | |||||
Range: |
0-15 | |||||
Unit: |
Bit-mapped | |||||
Description: |
Controls all Map options | |||||
Note: For 28.8 models | ||||||
Bit |
Value |
Function | ||||
0 |
í 01 |
8S-2D map enabled 8S-2D map disabled | ||||
1 |
í 01 |
16S-4D map enabled 16S-4D map disabled | ||||
2 |
í 01 |
32S-2D map enabled 32S-2D map disabled | ||||
3 |
í 01 |
64S-4D map enabled 64S-4D map disabled |
MODE SELECTION | ||
Type: |
Immediate | |
Format: |
AT [cmds] #CLSn [cmds] | |
Description: |
Selects the mode the modem will operate in | |
Command |
Function | |
í #CLS0 |
Data mode | |
#CLS1 |
Class 1 fax mode | |
#CLS2 |
Class 2 fax mode | |
#CLS8 |
Voice mode; while in voice mode, use the commands below to: | |
#VRX |
Receive voice file from line, microphone, or handset | |
#VTX |
Transmit voice file to line, microphone, or handset |
ON-LINE | |
Type: |
Immediate |
Format: |
AT [cmds] On [cmds] |
Description: |
Controls on-line command (data transmission) mode options. |
Note: The O command must be placed at the end of the command string. | |
Command |
Function |
O0 |
On-line command mode with no retraining enabled |
O1 |
On-line command mode with retraining enabled |
ON-LINE HELP | |
Type: |
Immediate |
Format: |
AT [cmds] $ [cmds] |
Description: |
On-line help; displays basic command list |
POWER-UP/HARD RESET CONFIGURATIONS | |
Type: |
Configuration |
Format: |
AT [cmds] Yn [cmds] |
Description: |
On power-up modem uses default profiles |
Command |
Function |
í Y0 |
Use default setting 0 saved in non-volatile RAM |
Y1 |
Use default setting 1 saved in non-volatile RAM |
PULSE DIALING | |
Type: |
Configuration |
Format: |
AT [cmds] P [cmds] |
Description: |
Enables pulse dialing |
Note: This command can be duplicated with the P modifier in the D (Dial) command. |
PULSE DIALING RATIO | |
Type: |
Configuration |
Format: |
AT [cmds] &Pn [cmds] |
Description: |
Selects pulse dial make/break ratio |
Command |
Function |
í &P0 |
39/61ms at 10pps (North America) |
&P1 |
33/67ms at 10pps (Europe) |
REPEAT PREVIOUS COMMAND | |
Type: |
Immediate |
Format: |
A/ |
Description: |
Repeats previous command, mainly used for re-dial |
Note: Do not precede this command with AT, or follow it with <CR>. |
REPORT INFORMATION | |
Type: |
Immediate |
Format: |
AT [cmds] In [cmds] |
Description: |
Displays information requested |
Command |
Function |
I0 |
Reports 4-digit product code |
I1 |
Reports ROM checksum |
I2 |
Reports RAM checksum |
I3 |
Reports product type |
I4 |
Reports current command settings |
I5 |
Reports NVRAM settings |
I6 |
Reports link diagnostics |
I7 |
Reports product configuration |
RESULT CODES | |
Type: |
Configuration |
Format: |
AT [cmds] Qn [cmds] |
Description: |
Enables modem to send result codes to the DTE |
Command |
Function |
í Q0 |
Result code sending enabled |
Q1 |
Result code sending disabled |
Q2 |
Result code sending enabled while in originate mode |
RESULT CODE FORMAT | |
Type: |
Configuration |
Format: |
AT [cmds] Vn [cmds] |
Description: |
Selects word or numeric format for information-text and result codes |
Command |
Function |
V0 |
Numeric format enabled |
í V1 |
Verbose (word) format enabled |
SELECT CALL PROGRESS RESULT CODES | |
Type: |
Configuration |
Format: |
AT [cmds] Xn [cmds] |
Description: |
Enables selection of tone detection and associated result code format options |
Command |
Function |
X0 |
Busy and dial tone detection disabled; result codes 0-4 enabled. |
X1 |
Busy and dial tone detection disabled; result codes 0-5, 10-107 enabled |
X2 |
Busy tone detection disabled, dial tone detection enabled; result codes 0-6, 10-107 enabled; also adaptive dialing, wait for second dial tone, and fast dialing enabled. |
X3 |
Busy tone detection enabled, dial tone detection disabled; result codes 0-5, 7-107 enabled; also adaptive dialing, and wait for answer enabled. |
X4 |
Busy and dial tone detection enabled; result codes 0-107 enabled; also adaptive dialing, wait for second dial tone, wait for answer, and fast dialing enabled. |
Note: Valid numeric result codes; 0-8, 10, 13, 18, 20, 21, 25, 43, 85, 91, 99, 103, and 107. |
SOFT RESET | |
Type: |
Immediate |
Format: |
AT [cmds] Zn [cmds] |
Description: |
Restores modem profiles previously saved in non-volatile RAM |
Command |
Function |
í Z0 |
Restore setting used by ATY command |
Z1 |
Restore setting 0 |
Z2 |
Restore setting 1 |
Z3 |
Restore factory setting 0 (AT&F0) |
Z4 |
Restore factory setting 1 (AT&F1) |
Z5 |
Restore factory setting 2 (AT&F2) |
SPEAKER MODE | |
Type: |
Configuration |
Format: |
AT [cmds] Mn [cmds] |
Description: |
Selects various speaker options |
Command |
Function |
M0 |
Speaker disabled |
í M1 |
Speaker enabled until carrier signal detected |
M2 |
Speaker enabled |
M3 |
Speaker enabled following dialing, then disabled after carrier signal detected. |
SPEAKER VOLUME | |
Type: |
Configuration |
Format: |
AT [cmds] Ln [cmds] |
Description: |
Controls speaker volume |
Command |
Function |
L0 |
Low volume setting |
L1 |
Low volume setting |
í L2 |
Medium volume setting |
L3 |
Highest volume setting |
STATUS-REGISTER | ||
Type: |
Configuration | |
Format: |
Read: AT [cmds] Sn? [cmds] Write: AT [cmds] Sn=x [cmds] | |
Description: |
Writes to or reads from a specified register | |
Note: See the section on S-registers for detailed listing of commonly used S-registers. | ||
Command |
Function | |
Sn.b=x |
Write to register bit b using values 0 (off) and 1 (on) for x |
STORE ACTIVE PROFILE | |
Type: |
Configuration |
Format: |
AT [cmds] &Wn [cmds] |
Description: |
Writes the values for the active profile into the non-volatile RAM templates |
Command |
Function |
&W0 |
Write the active profile to stored profile 0 |
&W1 |
Write the active profile to stored profile 1 |
STORE TELEPHONE NUMBER | ||
Type: |
Configuration | |
Format: |
AT [cmds] &Zn=x [cmds] | |
Description: |
Writes selected telephone numbers into the non-volatile memory at location n | |
Note: The characters described in the D command are valid for use in the &Z command. | ||
Command |
Function | |
&Zn=L |
Writes last executed dial string into the non-volatile memory at location n | |
&Zn? |
Displays phone number from non-volatile memory at location n | |
&ZL? |
Displays last executed dial string |
TEST MODES | ||
Type: |
Configuration | |
Format: |
AT [cmds] &Tn [cmds] | |
Description: |
Controls loopback tests, analog, digital, remote digital, and self tests. | |
Command |
Function | |
&T0 |
Testing disabled | |
&T1 |
Local analog loopback enabled | |
&T3 |
Local digital loopback enabled | |
&T4 |
Remote digital loopback enabled | |
í &T5 |
Remote digital loopback prohibited | |
&T6 |
Remote digital loopback initiated | |
&T7 |
Remote digital loopback w/ self-test and error detector in progress | |
&T8 |
Local analog loopback w/ self-test and error detector in progress |
TEST TIMER | |
Type: |
Register |
Format |
AT [cmds] S18=n [cmds] |
Default: |
0 |
Range: |
Unidentified |
Unit: |
1 second |
Description: |
Sets the maximum duration for modem tests |
Note: S18=0 disables the timer and allows an indefinite duration. |
TONE DIALING | |
Type: |
Configuration |
Format: |
AT [cmds] T [cmds] |
Description: |
Enables tone dialing mode |
Note: This command can be duplicated with the T modifier in the D (Dial) command. |
TONE DIALING TEST | |
Type: |
Register |
Format: |
AT [cmds] S16=n [cmds] |
Description: |
Selects the tone dialing test |
Command |
Function |
í S16=0 |
Tone dialing test disabled |
S16=2 |
Tone dialing test enabled |
VOICE VIEW | ||
Type: |
Configuration | |
Format: |
AT [cmds] -Sxxx [cmds] | |
Description: |
Controls voice view mode the modem will operate in | |
Command |
Function | |
-SAC |
Accept voice view data mode request | |
-SDA |
Begin voice view modem data mode | |
-SFX |
Begin voice view fax data mode | |
-SVV |
Begin voice view data mode |
V.32 AND V.32bis MODULATIONS | ||
Format |
AT [cmds] S34=n [cmds] | |
Default: |
0 for 28.8; 6 for 14.4 | |
Range: |
0-9 | |
Unit: |
Bit-mapped | |
Description: |
Controls V.32 and V.32bis modulations. | |
Bit |
Value |
Function |
0 |
0 1 |
V.32bis enabled V.32bis disabled |
2, 1 |
00 |
Not used |
3 |
0 1 |
V.23 modulation disabled V.23 modulation enabled |