WISECOM, INC.

DATA/FAX/VOICE MODEM 14.4 (REV.2)

Card Type

Fax, Modem (asynchronous), Voice

Chip Set

Cirrus Logic

I/O Options

Voice

Maximum Data Rate

14.4Kbps

Maximum Fax Rate

14.4Kbps

Data Bus

8-bit ISA

Fax Class

Class I

Data Modulation Protocol

Bell 103A/212A

ITU-T V.21, V.22, V.22bis, V.32, V.32bis

Fax Modulation Protocol

ITU-T V.17, V.21CH2, V.27ter, V.29

Error Correction/Compression

MNP5, V.42, V.42bis

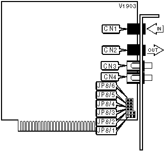
CONNECTIONS

Function

Label

Function

Label

Line out

CN1

Speaker out

CN3

Line in

CN2

Microphone in

CN4

SERIAL PORT ADDRESS

Setting

JP8/1

JP8/2

COM1 (3F8h)

Pins 1 & 2 closed

Pins 1 & 2 closed

COM2 (2F8h)

Pins 2 & 3 closed

Pins 1 & 2 closed

COM3 (3E8h)

Pins 1 & 2 closed

Pins 2 & 3 closed

í COM4 (2E8h)

Pins 2 & 3 closed

Pins 2 & 3 closed

INTERRUPT

Setting

JP8/3

JP8/4

JP8/5

JP8/6

2

Closed

Open

Open

Open

í 3

Open

Closed

Open

Open

4

Open

Open

Closed

Open

5

Open

Open

Open

Closed

Proprietary AT Command Set

See document V1871 for a full command summary.