SOUTH MOUNTAIN TELECOMMUNICATIONS

SM-5743

Card Type

Fax, Modem (asynchronous)

Chip Set

Unidentified

Maximum Modem Rate

14.4Kbps

Maximum Fax Rate

14.4Kbps

Data Bus

8-bit ISA

Fax Class

Class I & II

Data Modulation Protocol

Bell 103A/212A

ITU-T V.21,V.22, V.22bis, V.32, V.32bis

Fax Modulation Protocol

ITU-T V.17, V.21 ch2, V.27ter, V.29

Error Correction/Compression

MNP2-5, V.42, V.42bis

Boot ROM

Not available

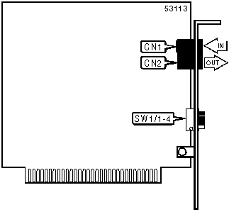
CONNECTIONS

Function

Label

Function

Label

Line in

CN1

Line out

CN2

SERIAL PORT ADDRESS

Setting

SW1/1

SW1/2

í COM1 (3F8h)

On

On

COM2 (2F8h)

Off

On

COM3 (3E8h)

On

Off

COM4 (2E8h)

Off

Off

INTERRUPT

Setting

SW1/3

SW1/4

2

On

Off

3

Off

On

í 4

On

On

5

Off

Off

Proprietary AT Command Set

SUPPORTED STANDARD COMMANDS

Basic AT Commands

+++, ‘comma’, A/

A, D, H, L, M, N, O, Q, V, W, X, Z

&D, &F, &G, &J, &K, &V, &W, &Y, &Z

Extended AT Commands

\A, \B, \G, \K, \V, \X, %A, %C, %E, %L, %Q

S-Registers

S0, S1, S2, S3, S4, S5, S6, S7, S8, S9, S10, S11, S12, S18, S25, S26, S46, S48

Note: See MHI documentation for complete information.

UNIDENTIFIED COMMANDS

Command

Default

S37

0

S42

0

COMMUNICATION PROTOCOLS

Type:

Configuration

Format:

AT [cmds] Bn [cmds]

Description:

Selects the communication protocol for data calls

Note: The B command allows the simultaneous selection of more than one suffix, enabling multiple protocols.

Command

Protocol

B0

ITU-T V.22 at 1200bps

í B1

Bell 212A at 1200bps

B2

V.23- originate mode receive at 1200bps, send at 75bps; answer mode receive at 75bps, send at 1200bps

B3

V.23- originate mode receive at 75bps, send at 1200bps; answer mode receive at 1200bps, send at 75bps

CONNECT MODE

Type:

Immediate

Format:

AT [cmds] \Nn [cmds]

Description:

Controls the type of connection the modem will operate in

Command

Function

\N0

Normal mode enabled

\N1

Direct mode enabled

\N2

MNP reliable mode enabled

í\N4

Auto-reliable mode enabled

DISPLAY INFORMATION

Type:

Immediate

Format:

AT [cmds] In [cmds]

Description:

Displays information requested about the modem.

Command

Function

I0

Displays product identification code.

I1

Displays ROM checksum.

I3

Displays firmware revision.

I4

Displays product features.

INACTIVITY TIMER

Type:

Register

Format

AT [cmds] S30=n [cmds]

Default:

0

Range:

0-90

Unit:

1 minute

Description:

Maximum duration of DTE and DCE inactivity allowed prior to initiating hang-up process.

Note:

S30=0 disables the timer and allows indefinite inactivity.

V.32 - AUTO-RETRAIN

Type:

Configuration

Format:

AT [cmds] &Bn [cmds]

Description:

Controls auto-retrain function if poor line quality is detected

Command

Function

&B0

Auto-retrain disabled modem hangs-up

í &B1

Auto-retrain enabled if line quality is poor

&B2

No hang-up, no auto-retrain