SUPRA DIAMOND
SUPRAFAX MODEM 288
Card Type |
Fax, Modem (synchronous/asynchronous) |
Chip Set |
Rockwell |
Maximum Data Rate |
28.8Kbps |
Maximum Fax Rate |
14.4Kbps |
Data Bus |
External |
Fax Class |
Class I & II |
Data Modulation Protocol |
Bell 103/212A ITU-T V.21, V.22bis, V.23, V.32, V.32bis, V.34 Rockwell V.FC |
Fax Modulation Protocol |
ITU-T V.17, V.21, V.21CH2, V.27ter, V.29 |
Error Correction/Compression |
MNP5, MNP10, V.42, V.42bis |
CONNECTIONS | ||||||
Function |
Label |
Function |
Label | |||
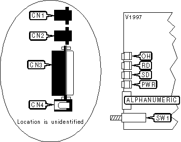
Line out |
CN1 |
DC power |
CN4 | |||
Line in |
CN2 |
Power switch |
SW1 | |||
RS-232/422 |
CN3 |
DIAGNOSTIC LED(S) | |||
LED |
Color |
Status |
Condition |
OH |
Red |
On |
Modem is off-hook |
OH |
Red |
Off |
Modem is on-hook |
RD |
Red |
On |
Modem is receiving data |
RD |
Red |
Off |
Modem is not receiving data |
SD |
Red |
On |
Modem is transmitting data |
SD |
Red |
Off |
Modem is not transmitting data |
PWR |
Red |
On |
Power is on |
PWR |
Red |
Off |
Power is off |
ALPH-NUMERIC DISPLAY | |
Display |
Condition |
OK |
Modem is ready |
AA |
Auto-answer enabled |
DI |
Modem dialing a number |
RI |
Phone is ringing |
CD |
Carrier signal detected and modem is connected |
LP |
LAPM error correction activated |
DC |
Data compression activated |
V34 |
V.34 (non-asymmetric) connection |
R34 |
Modem is receiving data. When a nn follows, this indicates the receive speed. |
T34 |
Modem is transmitting data. When a nn follows, this indicates the transmit speed. |
VF |
Modem is connected using V.FC protocol |
28 |
Modem connected at 28.8Kbps |
26 |
Modem connected at 26.4Kbps |
24 |
Modem connected at 24Kbps, if this number follows V34, T34 or R34 |
216 |
Modem connected at 21.6Kbps |
192 |
Modem connected at 19.2Kbps |
168 |
Modem connected at 16.8Kbps |
144 |
Modem connected at 14.4Kbps |
120 |
Modem connected at 12Kbps |
96 |
Modem connected at 9600bps |
48 |
Modem connected at 4800bps |
24 |
Modem connected at 2400bps, if this number doesn’t follows V34, T34 or R34 |
12 |
Modem connected at 1200bps |
3 |
Modem connected at 300bps |
RE |
Receive error, local modem asking to retransmit data |
TE |
Transmission error, remote modem asking to resend data |
RT |
Either modem has requested to retrain |
FX |
Modem is connected in FAX mode |
Proprietary AT Command Set
See document V1998 for a full command summary.