STOLLMANN GMBH
TA-DD
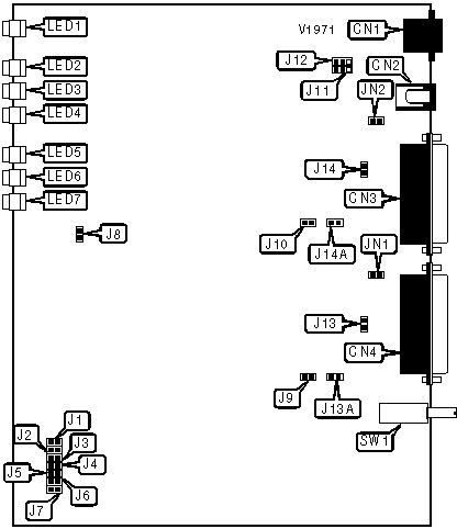
Card Type |
ISDN TA |
Chip Set |
Unidentified |
Maximum Data Rate |
64Kbps x 2 |
Data Bus |
External |
ISDN Modulation Protocol |
V.110, 1TR6, DSS1, X.30 |
CONNECTIONS | ||||||
Function |
Label |
Function |
Label | |||
Line out |
CN1 |
V.24 or X.21 port 1 |
CN4 | |||
DC power |
CN2 |
Reset button |
SW1 | |||
V.24 or X.21 port 2 |
CN3 | |||||
Note: X.21 functionality is provided by an included adapter cable. |
USER CONFIGURABLE SETTINGS | ||
Setting |
Label |
Position |
í Editor debug mode disabled |
J3 |
Open |
Editor debug mode enabled |
J3 |
Closed |
í TA will use saved profile |
J4 |
Open |
TA will use default profile only |
J4 |
Closed |
í Remote configuration enabled |
J6 |
Open |
Remote configuration disabled |
J6 |
Closed |
í Port 1 is in V.24 mode |
J9 |
Open |
Port 1 is in X.21 mode |
J9 |
Closed |
í Port 2 is in V.24 mode |
J10 |
Open |
Port 2 is in X.21 mode |
J10 |
Closed |
í Port 1 is in DCE mode |
J13 |
Closed |
Port 1 is in DTE mode |
J13 |
Open |
í Pin 25 of port 1 is not connected |
J13A |
Open |
Pin 25 of port 1 is +9V DC |
J13A |
Closed |
í Port 2 is in DCE mode |
J14 |
Closed |
Port 2 is in DTE mode |
J14 |
Open |
í Pin 25 of port 2 is not connected |
J14A |
Open |
Pin 25 of port 2 is +9V DC |
J14A |
Closed |
í Pin 1 of port 1 is capacitive ground |
JN1 |
Open |
Pin 1 of port 1 is galvanic ground |
JN1 |
Closed |
í Pin 1 of port 2 is capacitive ground |
JN2 |
Open |
Pin 1 of port 2 is galvanic ground |
JN2 |
Closed |
í Factory configured - do not alter |
J5 |
Unidentified |
í Factory configured - do not alter |
J7 |
Unidentified |
í Factory configured - do not alter |
J8 |
Unidentified |
ISDN INTERFACE TYPE | ||
Setting |
J11 |
J12 |
S-interface |
Pins 1 & 2 closed |
Pins 1 & 2 closed |
U-interface |
Pins 2 & 3 closed |
Pins 2 & 3 closed |
LINE TYPE | ||
Setting |
J1 |
J2 |
Public ISDN |
Open |
Open |
ISDN PBX |
Closed |
Open |
ISDN PBX with LLC |
Open |
Closed |
DIAGNOSTIC LED(S) | ||||||
LED1 Status |
Condition | |||||
On |
Power is on | |||||
Off |
Power is off | |||||
Blinking |
ISDN failed | |||||
LED2 Status |
LED3 Status |
LED4 Status |
Condition | |||
Off |
Off |
Off |
Normal operation for channel 1 | |||
On |
Off |
Off |
ISDN connection established on channel 1 | |||
Alternating |
Alternating |
Off |
Hotline call repetition in progress on channel 1 | |||
Blinking |
Blinking |
Off |
Hotline call repetition error on channel 1 | |||
Blinking |
Off |
Off |
Hotline active without connection on channel 1 | |||
On |
Off |
Off |
Profile editor in use locally on channel 1 | |||
On |
On |
On |
Profile editor password being entered on channel 1 | |||
On |
Blinking |
Blinking |
Profile editor in use remotely on channel 1 | |||
Off |
Off |
On |
Unable to determine correct connection rate on channel 1 | |||
Off |
On |
Off |
Buffer has overflowed on channel 1 | |||
Alternating |
Blinking |
Alternating |
Checksum error has been detected on channel 1 | |||
LED5 Status |
LED6 Status |
LED7 Status |
Condition | |||
Off |
Off |
Off |
Normal operation for channel 2 | |||
On |
Off |
Off |
ISDN connection established on channel 2 | |||
Alternating |
Alternating |
Off |
Hotline call repetition in progress on channel 2 | |||
Blinking |
Blinking |
Off |
Hotline call repetition error on channel 2 | |||
Blinking |
Off |
Off |
Hotline active without connection on channel 2 | |||
On |
Off |
Off |
Profile editor in use locally on channel 2 | |||
On |
On |
On |
Profile editor password being entered on channel 2 | |||
On |
Blinking |
Blinking |
Profile editor in use remotely on channel 2 | |||
Off |
Off |
On |
Unable to determine correct connection rate on channel 2 | |||
Off |
On |
Off |
Buffer has overflowed on channel 2 | |||
Alternating |
Blinking |
Alternating |
Checksum error has been detected on channel 2 | |||
LED2 |
LED3 |
LED4 |
LED5 |
LED6 |
LED7 |
Condition |
Blink |
Off |
Off |
Blink |
Off |
Off |
TA is resetting |
Proprietary AT Command Set
AUTO-ANSWER TIME | |
Type: |
Register |
Format: |
AT [cmds] S0=n [cmds] |
Default: |
Unidentified |
Range: |
0-24 |
Unit: |
5 seconds |
Description: |
Sets the amount of time that will elapse before the TA will answer an incoming call. When this value is set to 0 the TA will not automatically answer calls. A value of 1 will answer immediately. Values greater than 1 set the time to (n-1) * 5 seconds. |
CTS SIGNAL | ||
Type: |
Configuration | |
Format: |
AT [cmds] &Rn [cmds] | |
Description: |
Controls the operation of the Clear to Send signal. | |
Command |
Function | |
&R0 |
CTS follows RTS. | |
&R1 |
CTS forced high. | |
&R2 |
CTS follows V.110 flow control. |
FLOW CONTROL MODE | ||
Type: |
Configuration | |
Format: |
AT [cmds] &Kn [cmds] | |
Description: |
Sets the type of flow control used. | |
Command |
Function | |
&K0 |
Flow control disabled. | |
&K3 |
CTS/RTS flow control enabled. | |
&K4 |
XON/XOFF flow control enabled. | |
&K5 |
Flow control disabled. |
RESULT CODES | ||
Type: |
Register | |
Format: |
AT [cmds] S15=n [cmds] | |
Description: |
Enables caller ID information and extended result codes. | |
Command |
Function | |
S15=0 |
Caller ID information and extended result codes disabled. | |
S15=1 |
Caller ID information enabled. | |
S15=3 |
Caller ID information and extended result codes enabled. |
BIT-MAPPED REGISTER S14 | |||||
Format: |
AT [cmds] S14=n [cmds] | ||||
Default: |
Unidentified | ||||
Range: |
0-14 | ||||
Description: |
Controls echo mode and result codes. | ||||
Bit |
Value |
Function | |||
0 |
0 |
Not used. | |||
1 |
0 1 |
Command echo disabled. Command echo enabled. | |||
2 |
0 1 |
Result codes enabled. Result codes disabled. | |||
3 |
0 1 |
Numerical result codes enabled. Verbose result codes enabled. |
Proprietary Command Set
COMMAND ECHOING | ||
Type: |
Configuration | |
Format: |
Jn | |
Description: |
Selects whether commands will be echoed back to the DTE. | |
Command |
Function | |
J0 |
Command echoing disabled. | |
í J1 |
Command echoing enabled. |
CONNECTION SPEED | ||
Type: |
Configuration | |
Format: |
Hn | |
Description: |
Sets the speed of the remote connection. | |
Command |
Function | |
H1 |
Set speed to 300bps. | |
H2 |
Set speed to 600bps. | |
H3 |
Set speed to 1200bps. | |
H4 |
Set speed to 2400bps. | |
H5 |
Set speed to 4800bps. | |
í H6 |
Set speed to 9600bps. | |
H7 |
Set speed to 19.2Kbps. | |
H8 |
Set speed to 38.4Kbps. |
CHANGE PROFILE CHANNEL | ||
Type: |
Configuration | |
Format: |
PROn | |
Description: |
Selects which channel’s profile is being edited. | |
Command |
Function | |
PRO1 |
Edit profile for channel 1. | |
PRO2 |
Edit profile for channel 2. |
CTS SIGNAL - NO CONNECTION | ||
Type: |
Configuration | |
Format: |
NCTS 0xhh | |
Description: |
Controls the behaviour of the CTS signal when there is no ISDN connection. | |
Command |
Function | |
NCTS 0x01 |
CTS is forced low. | |
NCTS 0x02 |
CTS is forced high. | |
NCTS 0x04 |
CTS follows DTR. | |
NCTS 0x08 |
CTS follows RTS. | |
NCTS 0x10 |
CTS is forced high during connection and negotiation only. | |
NCTS 0x20 |
CTS follows remote DTR. | |
NCTS 0x40 |
CTS follows remote RTS. | |
NCTS 0x80 |
CTS follows V.110 flow control. |
CTS SIGNAL - NEGOTIATION | ||
Type: |
Configuration | |
Format: |
WCTS 0xhh | |
Description: |
Controls the behaviour of the CTS signal while dialing and negotiating a connection. | |
Command |
Function | |
WCTS 0x01 |
CTS is forced low. | |
WCTS 0x02 |
CTS is forced high. | |
WCTS 0x04 |
CTS follows DTR. | |
WCTS 0x08 |
CTS follows RTS. | |
WCTS 0x10 |
CTS is forced high during connection and synchronization only. | |
WCTS 0x20 |
CTS follows remote DTR. | |
WCTS 0x40 |
CTS follows remote RTS. | |
WCTS 0x80 |
CTS follows V.110 flow control. |
CTS SIGNAL - CONNECTION | ||
Type: |
Configuration | |
Format: |
CCTS 0xhh | |
Description: |
Controls the behaviour of the CTS signal while connected. | |
Command |
Function | |
CCTS 0x01 |
CTS is forced low. | |
CCTS 0x02 |
CTS is forced high. | |
CCTS 0x04 |
CTS follows DTR. | |
CCTS 0x08 |
CTS follows RTS. | |
CCTS 0x10 |
CTS is forced high during connection and synchronization only. | |
CCTS 0x20 |
CTS follows remote DTR. | |
CCTS 0x40 |
CTS follows remote RTS. | |
CCTS 0x80 |
CTS follows V.110 flow control. |
DATA LENGTH | ||
Type: |
Configuration | |
Format: |
Ln | |
Description: |
Selects how many data bits will be transmitted. | |
Command |
Function | |
í L0 |
Synchronous mode. | |
L7 |
7 data bits. | |
L8 |
8 data bits. |
DATA PARITY | ||
Type: |
Configuration | |
Format: |
Mn | |
Description: |
Selects how many parity bits will be transmitted. | |
Command |
Function | |
í M0 |
No parity. | |
M1 |
Odd parity. | |
M2 |
Even parity. |
DATA STOP | ||
Type: |
Configuration | |
Format: |
Nn | |
Description: |
Selects how many stop bits will be transmitted. | |
Command |
Function | |
í M1 |
1 stop bit. | |
M2 |
2 stop bits. |
DCD SIGNAL - NO CONNECTION | ||
Type: |
Configuration | |
Format: |
NDCD 0xhh | |
Description: |
Controls the behavior of the DCD signal when there is no ISDN connection. | |
Command |
Function | |
NDCD 0x01 |
DCD is forced low. | |
NDCD 0x02 |
DCD is forced high. | |
NDCD 0x04 |
DCD follows DTR. | |
NDCD 0x08 |
DCD follows RTS. | |
NDCD 0x10 |
DCD is forced high during connection and negotiation only. | |
NDCD 0x20 |
DCD follows remote DTR. | |
NDCD 0x40 |
DCD follows remote RTS. | |
NDCD 0x80 |
DCD follows V.110 flow control. |
DCD SIGNAL - NEGOTIATION | ||
Type: |
Configuration | |
Format: |
WDCD 0xhh | |
Description: |
Controls the behavior of the DCD signal while dialing and negotiating a connection. | |
Command |
Function | |
WDCD 0x01 |
DCD is forced low. | |
WDCD 0x02 |
DCD is forced high. | |
WDCD 0x04 |
DCD follows DTR. | |
WDCD 0x08 |
DCD follows RTS. | |
WDCD 0x10 |
DCD is forced high during connection and synchronization only. | |
WDCD 0x20 |
DCD follows remote DTR. | |
WDCD 0x40 |
DCD follows remote RTS. | |
WDCD 0x80 |
DCD follows V.110 flow control. |
DCD SIGNAL - CONNECTION | ||
Type: |
Configuration | |
Format: |
CDCD 0xhh | |
Description: |
Controls the behaviour of the DCD signal while connected. | |
Command |
Function | |
CDCD 0x01 |
DCD is forced low. | |
CDCD 0x02 |
DCD is forced high. | |
CDCD 0x04 |
DCD follows DTR. | |
CDCD 0x08 |
DCD follows RTS. | |
CDCD 0x10 |
DCD is forced high during connection and synchronization only. | |
CDCD 0x20 |
DCD follows remote DTR. | |
CDCD 0x40 |
DCD follows remote RTS. | |
CDCD 0x80 |
DCD follows V.110 flow control. |
DEBUG PROFILE | |
Type: |
Immediate |
Format: |
TEST |
Description: |
Displays the profile editor debug page. |
DIAL MODE | ||
Type: |
Configuration | |
Format: |
En | |
Description: |
Selects the dial mode the TA will use. | |
Command |
Function | |
í E1 |
Manual dialing only; prompt for number will be displayed. | |
E2 |
Asynchronous V.25bis dial mode. | |
E3 |
Hotline dial mode; DTR is used for call signalling. | |
E4 |
Hotline dial mode; RTS is used for call signalling. | |
E5 |
Hotline dial mode; automatic dial attempt. | |
E6 |
Incoming calls only. | |
E7 |
Hayes dialing mode. | |
E8 |
Synchronous V.25bis dial mode. |
DSR SIGNAL - NO CONNECTION | ||
Type: |
Configuration | |
Format: |
NDSR 0xhh | |
Description: |
Controls the behaviour of the DSR signal when there is no ISDN connection. | |
Command |
Function | |
NDSR 0x01 |
DSR is forced low. | |
NDSR 0x02 |
DSR is forced high. | |
NDSR 0x04 |
DSR follows DTR. | |
NDSR 0x08 |
DSR follows RTS. | |
NDSR 0x10 |
DSR is forced high during connection and negotiation only. | |
NDSR 0x20 |
DSR follows remote DTR. | |
NDSR 0x40 |
DSR follows remote RTS. | |
NDSR 0x80 |
DSR follows V.110 flow control. |
DSR SIGNAL - NEGOTIATION | ||
Type: |
Configuration | |
Format: |
WDSR 0xhh | |
Description: |
Controls the behaviour of the DSR signal while dialing and negotiating a connection. | |
Command |
Function | |
WDSR 0x01 |
DSR is forced low. | |
WDSR 0x02 |
DSR is forced high. | |
WDSR 0x04 |
DSR follows DTR. | |
WDSR 0x08 |
DSR follows RTS. | |
WDSR 0x10 |
DSR is forced high during connection and synchronization only. | |
WDSR 0x20 |
DSR follows remote DTR. | |
WDSR 0x40 |
DSR follows remote RTS. | |
WDSR 0x80 |
DSR follows V.110 flow control. |
DSR SIGNAL - CONNECTION | ||
Type: |
Configuration | |
Format: |
CDSR 0xhh | |
Description: |
Controls the behaviour of the DSR signal while connected. | |
Command |
Function | |
CDSR 0x01 |
DSR is forced low. | |
CDSR 0x02 |
DSR is forced high. | |
CDSR 0x04 |
DSR follows DTR. | |
CDSR 0x08 |
DSR follows RTS. | |
CDSR 0x10 |
DSR is forced high during connection and synchronization only. | |
CDSR 0x20 |
DSR follows remote DTR. | |
CDSR 0x40 |
DSR follows remote RTS. | |
CDSR 0x80 |
DSR follows V.110 flow control. |
DTE/DCE MODE | ||
Type: |
Configuration | |
Format: |
Sn | |
Description: |
Sets whether the TA will operate as a DTE or a DCE device. | |
Command |
Function | |
í S0 |
TA will operate as DCE. | |
S1 |
TA will operate as DTE. |
DTR SIGNAL | ||
Type: |
Configuration | |
Format: |
Dn | |
Description: |
Controls the operation of the Data Terminal Ready signal. | |
Command |
Function | |
D0 |
Incoming calls accepted regardless of DTR state; low DTR does not disconnect. | |
í D1 |
Incoming calls accepted only if DTR is high; DTR or RTS transition to high will initiate a hotline call if in hotline mode; low DTR disconnects. | |
D2 |
Incoming calls accepted only if DTR is high; high DTR or RTS will initiate a hotline call if in hotline mode; low DTR disconnects. | |
D3 |
Incoming calls accepted regardless of DTR state; DTR or RTS transition to high will initiate a hotline call if in hotline mode; low DTR disconnects. | |
D4 |
Incoming calls accepted regardless of DTR state; high DTR or RTS will initiate a hotline call if in hotline mode; low DTR disconnects. | |
D5 |
Incoming calls accepted only if DTR is high; DTR or RTS transition to high will initiate a hotline call if in hotline mode; low DTR does not disconnect. | |
D6 |
Incoming calls accepted only if DTR is high; high DTR or RTS will initiate a hotline call if in hotline mode; low DTR does not disconnect. |
EAZ | ||
Type: |
Configuration | |
Format: |
An | |
Description: |
Sets which incoming calls are answered. | |
Command |
Function | |
A0 |
All incoming calls are answered; all channels are notified of the call. | |
A1 - A8 |
Only calls with a matching EAZ are answered. | |
A9 |
All incoming calls are answered; only the channel matching the EAZ is notified of the call. |
EAZ - EDITOR | ||
Type: |
Configuration | |
Format: |
Tn | |
Description: |
Sets which incoming calls should be routed for remote configuration. | |
Command |
Function | |
T0 |
Only calls ending in "e" are routed to the editor. | |
T1 - T8 |
Only calls with a matching EAZ are answered. | |
T9 |
Calls matching the EAZ or ending in "e" are routed to the editor. |
ENTER PROFILE EDITOR | ||
Type: |
Immediate | |
Description: |
Enters the profile editor so that changes may be made. | |
Mode |
Command | |
Manual dial |
<CR><ESC> | |
V.25bis dial |
<CR><ESC> | |
Hayes dial |
AT <CR><ESC> | |
All other modes |
Push reset button, then <CR><CR><ESC><ESC> |
EXIT PROFILE EDITOR | |
Type: |
Immediate |
Format: |
EXIT <ESC> |
Description: |
Quits the editor without saving changes. |
FLOW CONTROL MODE - DCE | ||
Type: |
Configuration | |
Format: |
Bn | |
Description: |
Sets the type of flow control used. | |
Command |
Function | |
B0 |
Flow control disabled. | |
í B1 |
XON/XOFF flow control enabled. | |
B2 |
CTS flow control enabled. |
FLOW CONTROL MODE - DTE | ||
Type: |
Configuration | |
Format: |
Cn | |
Description: |
Sets the type of flow control used. | |
Command |
Function | |
C0 |
Flow control disabled. | |
í C1 |
XON/XOFF flow control enabled. | |
C2 |
RTS flow control enabled. | |
C3 |
DTR flow control enabled. |
HOTLINE NUMBER | |
Type: |
Configuration |
Format: |
HOT <#> |
Description: |
Sets the number for hotline calling. If no number is given, hotline calling will not be allowed. |
INACTIVITY TIMER | |
Type: |
Configuration |
Format: |
Fn |
Default: |
0 |
Range: |
0 - 60 |
Unit: |
1 minute |
Description: |
Sets the amount of time that there must be no activity on the ISDN line before the TA disconnects. |
INCOMING CALL NUMBER | |
Type: |
Configuration |
Format: |
RUFn <#> |
Description: |
Sets the number in position n of allowed incoming calls. |
LANGUAGE | ||
Type: |
Configuration | |
Format: |
Kn | |
Description: |
Selects the language the TA will display messages in. | |
Command |
Function | |
K0 |
Messages will be displayed in English. | |
í K1 |
Messages will be displayed in German. |
LINE TYPE | ||
Type: |
Configuration | |
Format: |
Rn | |
Description: |
Sets the type of line the TA will be operating on. | |
Command |
Function | |
í R0 |
ISDN with BRI service. | |
R1 |
Group 3 leased line service with 1TR6. | |
R2 |
Group 2 leased line, 2B+D or B+D. | |
R3 |
Group 0 leased line, single B channel only. | |
R4 |
Point-to-point switched line. | |
R5 |
Point-to-point group 3 leased line with 1TR6. |
LLC - INCOMING | ||
Type: |
Configuration | |
Format: |
Pn | |
Description: |
Sets the use of LLC for incoming DSS1 calls. | |
Command |
Function | |
P1 |
Only calls with matching LLC will be answered. | |
í P2 |
Ignore LLC when answering calls. | |
P3 |
All data calls will be answered. | |
P4 |
All calls will be answered. |
LLC - OUTGOING | ||
Type: |
Configuration | |
Format: |
On | |
Description: |
Sets the use of LLC for outgoing DSS1 calls. | |
Command |
Function | |
O1 |
Standard LLC enabled. | |
í O2 |
LLC disabled. | |
O3 |
User-defined LLC enabled. |
LLC - USER-DEFINED DATA OCTET | |
Type: |
Configuration |
Format: |
LLC=hh hh hh.. |
Description: |
Sets the user-defined LLC octets in hexadecimal. |
LOCAL SERIAL PORT SPEED | ||
Type: |
Configuration | |
Format: |
Gn | |
Description: |
Sets the speed of the serial port. | |
Command |
Function | |
G1 |
Set speed to 300bps. | |
G2 |
Set speed to 600bps. | |
G3 |
Set speed to 1200bps. | |
G4 |
Set speed to 2400bps. | |
G5 |
Set speed to 4800bps. | |
í G6 |
Set speed to 9600bps. | |
G7 |
Set speed to 19.2Kbps. | |
G8 |
Set speed to 38.4Kbps. |
LOCK SERIAL PORT SPEED | ||
Type: |
Configuration | |
Format: |
In | |
Description: |
Selects whether the serial port speed will be adjusted to the DTE speed. | |
Command |
Function | |
I0 |
Serial port speed locked. | |
í I1 |
Serial port speed will match DTE speed. |
MSN | |
Type: |
Configuration |
Format: |
MALL <#>*n |
Description: |
Sets the MSN and subaddress for both channels of the TA and the editor. |
MSN - TA | |
Type: |
Configuration |
Format: |
MTAX <#>*n |
Description: |
Sets the MSN and subaddress for both channels of the TA. |
MSN - EDITOR | |
Type: |
Configuration |
Format: |
MEDX <#>*n |
Description: |
Sets the MSN and subaddress for both channels of the editor. |
MSN - EDITOR CHANNEL 1 | |
Type: |
Configuration |
Format: |
MED1 <#>*n |
Description: |
Sets the MSN and subaddress for channel 1 of the editor. |
MSN - EDITOR CHANNEL 2 | |
Type: |
Configuration |
Format: |
MED2 <#>*n |
Description: |
Sets the MSN and subaddress for channel 2 of the editor. |
MSN - TA CHANNEL 1 | |
Type: |
Configuration |
Format: |
MTA1 <#>*n |
Description: |
Sets the MSN and subaddress for channel 1 of the TA. |
MSN - TA CHANNEL 2 | |
Type: |
Configuration |
Format: |
MTA2 <#>*n |
Description: |
Sets the MSN and subaddress for channel 2 of the TA. |
NEXT PAGE | |
Type: |
Immediate |
Format: |
NEXT |
Description: |
Shows the next page of values. |
PREVIOUS PAGE | |
Type: |
Immediate |
Format: |
PREV |
Description: |
Shows the previous page of values. |
REMOTE CONFIGURATION PASSWORD | |
Type: |
Configuration |
Format: |
PWD xxxx |
Description: |
Sets the password for remote configuration. If no password is given, no password will be required. |
RESET TO FACTORY DEFAULTS | |
Type: |
Immediate |
Format: |
DEFA |
Description: |
Resets all settings to their factory defaults. |
SAVE PROFILE | |
Type: |
Immediate |
Format: |
SAVE |
Description: |
Saves the current settings into the profile and quits the editor. |
SERVICE INDICATOR | ||
Type: |
Configuration | |
Format: |
Pn | |
Description: |
Sets the 1TR6 Service Indicator. | |
Command |
Function | |
í P0 |
Service Indicator reports standard line. | |
P1 |
Service Indicator reports Private SI. | |
P2 |
Service Indicator reports Private 2. |
SERVICE INDICATOR DETAILS | |||
Type: |
Configuration | ||
Format: |
On | ||
Description: |
Sets the details for the 1TR6 Service Indicator. | ||
Pn Setting |
Command |
Function | |
P0 |
í O1 |
Service Indicator reports 1TR6. | |
O2 |
Service Indicator reports X.21. | ||
O3 |
Service Indicator reports AOI synch/asynch mode. | ||
P1 |
í O1 |
Service Indicator reports V.24 asynch. | |
O2 |
Service Indicator reports 64Kbps asynch. | ||
O3 |
Service Indicator reports V.24 BTX. | ||
O4 |
Service Indicator reports V.24 Text. | ||
O5 |
Service Indicator reports 64Kbps PC-Net. | ||
P2 |
í O1 |
Service Indicator reports Private 2 LLC with the data octet equal to 0. | |
O2 |
Service Indicator reports Private 2 LLC with the data octet not equal to 0. | ||
O3 |
Service Indicator reports Private 2 with the data octet equal to 0. |
SYNCHRONOUS SPEED | ||
Type: |
Configuration | |
Format: |
Qn | |
Description: |
Selects what data rate the TA will operate in when in synchronous mode. | |
Command |
Function | |
Q0 |
Use V.24 asynchronous mode. | |
Q1 |
Use data rate set with Gn and Hn. | |
í Q2 |
Use 64Kbps data rate. | |
Q3 |
Use 56Kbps data rate. | |
Q4 |
Use 48Kbps data rate. |
UPDATE PROFILE | |
Type: |
Immediate |
Format: |
UPDA |
Description: |
Saves the current settings into the profile. |