PHILIPS CONSUMER ELECTRONICS, CO.
PCA11IM (SWITCH VER.)
Card Type |
Modem |
Chip Set |
Unidentified |
I/O Options |
Line out, line in, microphone in, speaker out |
Maximum Modem Rate |
14.4Kbps |
Maximum Fax Rate |
14.4Kbps |
Data Modulation Protocol |
Bell 103/212A ITU-T V.22, V.22bis, V.23, V.32, V.32bis |
Fax Modulation Protocol |
ITU-T V.17, V.27ter, V.29 |
Error Correction/Compression |
MNP5, V.42, V.42bis |
Fax Class |
Class I & II |
Data Bus |
8-bit ISA |
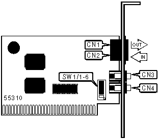
CONNECTIONS | ||||||
Function |
Label |
Function |
Label | |||
Line out (RJ-11) |
CN1 |
Speaker out |
CN3 | |||
Line in (RJ-11) |
CN2 |
Microphone in |
CN4 |
SERIAL PORT ADDRESS | ||
Setting |
SW1/1 |
SW1/2 |
COM1 (3F8h) |
On |
On |
COM2 (2F8h) |
Off |
On |
COM3 (3E8h) |
On |
Off |
í COM4 (2E8h) |
Off |
Off |
INTERRUPT | ||||
Setting |
SW1/3 |
SW1/4 |
SW1/5 |
SW1/6 |
IRQ2 |
On |
Off |
Off |
Off |
í IRQ3 |
Off |
On |
Off |
Off |
IRQ4 |
Off |
Off |
On |
Off |
IRQ5 |
Off |
Off |
Off |
On |
SUPPORTED COMMAND SET |
Basic AT Commands |
AT, ‘+++’, A/ |
A, E, H, M, P, T, V, X, Y, Z |
&C, &F, &G, &M, &T, &V, &W, &X, &Y, &Z |
Extended AT Commands |
%A, %C, %E, %Q |
\A, \B, \C, \G, \J, \K, \Q, \T, \X |
S Registers |
S0, S1, S2, S3, S4, S5, S6, S7, S8, S9,S10, S11, S12, S14, S16, S18, S21, S22, S23, S25 |
S26, S27, S30, S91 |
Note: See MHI Help File for full command documentation. |
PROPRIETARY AT COMMAND SET
For a full command summary, see
PHILIPS CONSUMER ELECTRONICS, CO. PCA11IM (JUMPER VER.)