PARADYNE CORPORATION
COMSPHERE 3810
Modem Type |
Data (synchronous/asynchronous)/Fax |
Maximum Data Rate |
19.2Kbps |
Maximum Fax Rate |
14.4Kbps |
Data Bus |
External |
Fax Class |
Class I & II |
Data Modulation Protocol |
AT&T V.32terbo Bell 103A/212A ITU-T V.21, V.22, V.22bis, V.32, V.32bis |
Fax Modulation Protocol |
ITU-T V.17, V.21CH2 |
Error Correction/Compression |
MNP5, V.42, V.42bis |
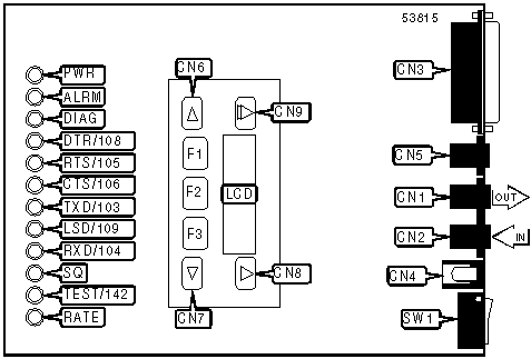
CONNECTIONS | ||||
Purpose |
Location |
Purpose |
Location | |
Line out |
CN1 |
Scroll left on LCD |
CN6 | |
Line in |
CN2 |
Scroll right on LCD |
CN7 | |
RS-232/422 |
CN3 |
Up one level on LCD |
CN8 | |
DC power |
CN4 |
Go to top level on LCD |
CN9 | |
Network Management System |
CN5 |
Power switch |
SW1 |
DIAGNOSTIC LED(S) | |||
LED |
Color |
Status |
Condition |
PWR |
Green |
On |
Power is on |
PWR |
Green |
Off |
Power is off |
ALRM |
Red |
Blinking |
Internal malfunction detected |
ALRM |
Red |
Off |
Normal operation |
DIAG |
Green |
On |
Response made to network management diagnostic |
DIAG |
Green |
Off |
No Response made to network management diagnostic |
DTR/108 |
Green |
On |
DTR signal is high |
DTR/108 |
Green |
Off |
DTR signal is low |
RTS/105 |
Green |
On |
RTS signal is high |
RTS/105 |
Green |
Off |
RTS signal is low |
CTS/106 |
Green |
On |
CTS signal is high |
CTS/106 |
Green |
Off |
CTS signal is low |
TXD/103 |
Green |
On |
Modem is transmitting data |
TXD/103 |
Green |
Off |
Modem is not transmitting data |
LSD/109 |
Green |
On |
Carrier signal detected |
LSD/109 |
Green |
Off |
Carrier signal not detected |
RXD/104 |
Green |
On |
Modem is receiving data |
RXD/104 |
Green |
Off |
Modem is not receiving data |
SQ |
Yellow |
On |
Incoming signal is degraded |
SQ |
Yellow |
Off |
Normal operation |
TEST/142 |
Yellow |
On |
Test in progress. Halt operation. |
TEST/142 |
Yellow |
Off |
Normal operation |
RATE |
Yellow |
On |
Modem connected at less than configured speed |
RATE |
Yellow |
Off |
Modem connected at configured speed |
Proprietary AT Command Set
AT COMMAND RESPONSE | |
Type: |
Register |
Format: |
AT [cmds] S84=n [cmds] |
Example: |
AT S84=0 &W <CR> |
Description: |
Sets the response to AT commands. |
Command |
Function |
í S84=0 |
Normal operation |
S84=1 |
Execute valid commands, suppress error codes. |
S84=2 |
Ignore configuration commands, always return OK error code. |
AUTODIAL STANDBY | |
Type: |
Register |
Format: |
AT [cmds] S47=n [cmds] |
Example: |
AT S47=0 &W <CR> |
Description: |
Selects length of wait before modem autodials in dial backup mode. |
Command |
Function |
í S47=0 |
Disabled |
S47=1 |
15 minutes |
S47=2 |
1 hour |
S47=3 |
4 hours |
S47=255 |
Test 2 minutes |
AUTO REDIAL | |
Type: |
Register |
Format: |
AT [cmds] S37=n [cmds] |
Example: |
ATS37=6 <CR> |
Default: |
Unidentified. |
Unit: |
1 stored number. |
Description: |
Redial from a list of stored numbers |
Command |
Function |
S36=0 |
Dial stored number 1 |
S36=1 |
Dial stored numbers 1-2. |
S36=2 |
Dial stored numbers 1-3. |
S36=3 |
Dial stored numbers 1-4. |
S36=4 |
Dial stored numbers 1-5. |
S36=5 |
Dial stored numbers 1-6 |
S36=6 |
Dial stored numbers 1-7. |
S36=7 |
Dial stored numbers 1-8. |
S36=8 |
Dial stored numbers 1-9. |
S36=9 |
Dial stored numbers 1-10. |
AUTO-RELIABLE FALLBACK CHARACTER | |
Type: |
Configuration |
Format: |
AT [cmds] %An [cmds] |
Example: |
AT%A20 <CR> |
Default: |
19 |
Range: |
0-127 |
Unit: |
ASCII |
Description: |
Sets the character used as the auto-reliable fallback character. %A0 will disable this function. |
AUTO-RELIABLE TIME BUFFER CONFIGURATION | |
Type: |
Configuration |
Format: |
AT [cmds] \Cn [cmds] |
Example: |
AT \C1 &W <CR> |
Description: |
Controls the handling of incoming data during auto-reliable time period. |
Command |
Function |
\CO |
Data is discarded. |
\C1 |
Data is buffered. |
\C2 |
Data is discarded, resets to \C1 on receipt of autoreliable fallback character. |
BREAK TYPE | |
Type: |
Configuration |
Format: |
AT [cmds] \Kn [cmds] |
Example: |
AT \K5 &W <CR> |
Description: |
Selects response to DTE break command. |
Command |
Function |
\K0 |
Send break, clear buffer, enter command mode. |
\K1 |
Send break, clear buffer |
\K2 |
Send break, send data, enter command mode. |
\K3 |
Send break. send data, |
\K4 |
Send data, send break, enter command mode. |
\K5 |
Send data, send break. |
\K6 |
Disabled. |
BUSY OUT ON LOW DTR | |
Type: |
Register |
Format: |
AT [cmds] S69=n [cmds] |
Example: |
AT S69=0 &W <CR> |
Description: |
Modem goes off hook on low DTR. |
Command |
Function |
í S69=0 |
Busy out disabled. |
S699=1 |
Busy out enabled. |
CALLBACK STORED NUMBER | |
Type: |
Register |
Format: |
AT [cmds] S67=n [cmds] |
Example: |
AT S67=0<CR> |
Description: |
Callback function will dial the number stored in memory location 1. |
Command |
Function |
í S67=0 |
Disabled. |
S67=1 |
Enabled. |
CELLULAR ENHANCEMENT | |
Type: |
Register |
Format: |
AT [cmds] S91=n [cmds] |
Example: |
AT S91=0 &W <CR> |
Description: |
Adjusts profile to improve cellular performance |
Command |
Function |
í S91=0 |
Disabled. |
S91=1 |
Enabled. |
CD SIGNAL | |
Type: |
Configuration |
Format: |
AT [cmds] &Cn [cmds] |
Example: |
AT &C3 *RS1 *SR1<CR> |
Description: |
Configures the behavior of the carrier detect signal. |
Command |
Function |
&C0 |
CD forced high. |
í &C1 |
CD normal. |
&C2 |
CD forced high except during handshaking and disconnecting. |
&C3 |
CD momentary interrupt on disconect. |
&C4 |
CD follows remote RTS signal. |
&C5 |
CD Follows DTR signal. Forced low on disconnect. |
&C6 |
CD forced low on retrain of over 10 sec. Forced high after no retrain for over 10 sec. |
COMPRESSION | |
Type: |
Configuration |
Format: |
AT %Cn |
Example: |
AT *EC0 %C1 *AP0 <CR> |
Description: |
Selects data compression. |
Command |
Function |
%C0 |
Data compression disabled. |
í %C1 |
Data compression enabled. |
CONNECT MODE | |
Type: |
Configuration |
Format: |
AT [cmds] \Nn [cmds] |
Example: |
AT \N1 DT555-1212 <CR> |
Description: |
Sets connect mode. |
Command |
Function |
\N0 |
Normal mode enabled. |
\N1 |
Direct mode enabled. |
\N2 |
MNP mode only enabled. |
\N3 |
MNP mode with fallback to normal mode enabled. |
\N4 |
V.42/MNP only enabled. |
\N5 |
V.42/MNP with fallback to normal mode enabled. |
\N6 |
LAP-M mode only enabled. |
\N7 |
LAP-M mode with fallback to normal mode enabled. |
CTS SIGNAL | |
Type: |
Configuration |
Format: |
AT [cmds] \Dn [cmds] |
Example: |
AT \D0 <CR> |
Description: |
Selects the function of the CTS signal. |
Command |
Function |
í \D0 |
CTS forced high. |
\D1 |
CTS normal. |
\D2 |
CTS interrupted for 2 seconds on disconnect. |
\D3 |
CTS follows DTR. |
DIAL BACKUP REPEAT | |
Type: |
Register |
Format: |
AT [cmds] S38=n [cmds] |
Example: |
AT S38=0 &W <CR> |
Description: |
Controls redial for dial backup |
Command |
Function |
í S38=0 |
Redial stored dial backup numbers once. |
S38=1 |
Redial stored dial backup numbers continuously. |
DIAL TYPE SELECTION | |
Type: |
Configuration |
Format: |
AT [cmds] &Jn [cmds] |
Example: |
AT &J0 D555-1212<CR> |
Description: |
Selects which type of dialing will be used as default. |
Command |
Function |
í &J0 |
Permissive (-9dBm) |
&J1 |
Programmable |
DISCONNECT BUFFER DELAY | |
Type: |
Register |
Format: |
AT [cmds] S39=n [cmds] |
Example: |
AT S39=0 <CR> |
Default: |
0 |
Range: |
0-255 |
Unit: |
1 second |
Description: |
Configures how long the modem will wait to disconnect if there is data in the transmit or receive buffers. |
DISCONNECT IMMEDIATELY | |
Type: |
Register |
Format: |
AT [cmds] S85=n [cmds] |
Example: |
AT S85=0 &W <CR> |
Description: |
Disconnect immediately on receipt of disconnect signal from DTE or diagnostic control panel. |
Command |
Function |
í S85=0 |
Disabled. |
S85=1 |
Enabled. |
DISCONNECT INACTIVITY | |
Type: |
Register |
Format: |
AT [cmds] S80=n [cmds] |
Example: |
AT S80=3 &W <CR> |
Description: |
Sets the signal monitored by the inactivity timer (\T). |
Command |
Function |
S80=0 |
Transmit or receive. |
S80=1 |
Transmit only. |
S80=2 |
Receive only. |
í S80=3 |
Transmit and receive. |
DISCONNECT ON LOSS OF CURRENT | |
Type: |
Register |
Format: |
AT [cmds] S65=n [cmds] |
Example: |
AT S65=0 <CR> |
Description: |
Causes the modem to disconnect if the telephone line’s current drops. |
Command |
Function |
í S65=0 |
Disconnect after 8ms if current is lost. |
S65=1 |
Disconnect after 90ms if current is lost. |
S65=2 |
Disabled |
DTE RATE CONTROL | |
Type: |
Register |
Format: |
AT [cmds] S61=n [cmds] |
Example: |
AT S61= &W <CR> |
Description: |
Sets result of DTE CT111 rate control signal. |
Command |
Function |
í S61=0 |
Disabled. |
S61=-1 |
Fallback 1. |
S61=2 |
Fallback 2. |
DTR ALARM | |
Type: |
Register |
Format: |
AT [cmds] S77=n [cmds] |
Example: |
AT S77=0 &W <CR> |
Description: |
Sends alarm to proprietary Series Management Controller if DTR low for 10 seconds. |
Command |
Function |
í S77=0 |
Alarm disabled. |
S77=1 |
Alarm enabled. |
FACTORY DEFAULTS | |
Type: |
Immediate/Configuration |
Format: |
AT &F[n] |
Example: |
AT &F0 <CR> |
Description: |
Loads factory defaults to NVRAM. |
Command |
Function |
&F0 |
Asynchronous dial. |
&F1 |
Synchronous switched line |
&F2 |
Synchronous leased line answer mode |
&F3 |
UNIX dial. |
&F4 |
Synchronous leased line originate mode |
&F5 |
Cellular (Mobile). Load \A4, \N4, S0=3, S7=120, S10=100, S43=1, S76=3, S89=9, S91=1. |
&F6 |
Cellular (PSTN). Load &I100, \N4, S7=120, S10=100, S43=1, S89=9, S91=1 |
FLOW CONTROL | |
Type: |
Configuration |
Format: |
AT [cmds] \Gn [cmds] |
Example: |
AT G1 &K3 <CR> |
Description: |
Selects modem port flow control. |
Command |
Function |
í \G0 |
Flow control disabled. |
\G1 |
Flow control enabled. |
FLOW CONTROL TYPE | |
Type: |
Configuration |
Format: |
AT [cmds] \Qn [cmds] |
Example: |
AT \Q5 <CR> |
Description: |
Sets type of flow control used by modem. |
Command |
Function |
\Q0 |
Flow control disabled. |
\Q1 |
Bidirectional XON/XOFF flow control enabled. |
í \Q2 |
CTS flow control by DCE enabled. |
\Q3 |
Bidirectional CTS/RTS flow control enabled. |
\Q4 |
XON/XOFF flow control by DCE enabled. |
\Q5 |
XON/XOFF flow control by DTE enabled. |
\Q6 |
RTS flow control by DTE enabled. |
HANDSHAKE OPTIONS | |
Type: |
Register |
Format: |
AT [cmds] S43=n [cmds] |
Example: |
AT S43=0 <CR> |
Default: |
0 |
Range: |
0, 1 |
Description: |
Controls the V.32bis handshake sequence. |
Command |
Function |
í S43=0 |
V.32bis long handshake. |
S43=1 |
V.32is short handshake. |
INACTIVITY TIMER | |
Type: |
Configuration |
Format: |
AT [cmds] \Tn [cmds] |
Example: |
AT\T20 <CR> |
Default: |
0 |
Range: |
0-255 |
Unit: |
1 second |
Description: |
Sets the length of time that the modem does not receive information before it disconnects. |
LAP-M FRAME SIZE4 | |
Type: |
Configuration |
Format: |
AT [cmds] \An [cmds] |
Example: |
AT \A3 %C1 <CR> |
Description: |
Sets the maximum frame size for V.42 and MNP connections. |
Command |
Function |
\A0 |
Maximum frame size is 64 |
\A1 |
Maximum frame size is 128 |
\A2 |
Maximum frame size is 192 |
\A3 |
Maximum frame size is 256 |
\A4 |
Maximum frame size is 32 |
\A5 |
Maximum frame size is 16 |
Note: Maximum V.42 frame size is 128. |
LAP-M FRAME WINDOW | |
Type: |
Register |
Format: |
AT [cmds] S89=n [cmds] |
Example: |
ATS89=6 <CR> |
Default: |
0 |
Range: |
1-9 |
Unit: |
1 frame (beginning with 0=6 frames) |
Description: |
Sets the number of frames used in V.42 and V.42bis transmissions |
LEASED LINE AUTO-RETRAIN | |
Type: |
Register |
Format: |
AT [cmds] S82=n [cmds] |
Example: |
AT S82=0 &W <CR> |
Description: |
Allows modem to retrain to compensate for bad line quality. |
Command |
Function |
í S82=0 |
Retrain enabled. |
S82= |
Retrain disabled. |
LEASED LINE SPEED | |
Type: |
Register |
Format: |
AT [cmds] S44=n [cmds] |
Example: |
ATS44=6 <CR> |
Default: |
18 |
Description: |
Sets maximum leased line speed |
Command |
Function |
S44=0 |
14.4Kbps V.32bis |
S44=1 |
14.4Kbps V.32bis |
S44=2 |
12.0Kbps V.32bis |
S44=3 |
9600bps V.32bis |
S44=4 |
7200bps V.32bis |
S44=5 |
4800bps V.32bis |
S44=6 |
2400bps V.22bis |
í S44=18 |
19.2Kbps V.32terbo |
S44=19 |
16.8bps V.32terbo |
LEASED LINE TRANSMISSION LEVEL | |
Type: |
Register |
Format: |
AT [cmds] S45=n [cmds] |
Example: |
AT S45=15 <CR> |
Default: |
0 |
Range: |
0 - 15 |
Unit: |
1 dBm |
Description: |
Sets the signal level for transmission when in leased line mode. |
LINE SPEED | |
Type: |
Register |
Format: |
AT [cmds] S41=n [cmds] |
Example: |
ATS41=6 <CR> |
Default: |
20 |
Description: |
Sets maximum line speed |
Command |
Function |
S41=1 |
14.4Kbps V.32bis |
S41=2 |
12.0Kbps V.32bis |
S41=3 |
9600bps V.32bis, V.32 |
S41=4 |
7200bps V.32bis |
S41=5 |
4800bps V.32bis, V.32 |
S41=6 |
2400bps V.22bis |
S41=7 |
1200bps V.22 |
S41=8 |
1200bps 212A |
S41=10 |
0-300bps V21 |
S41=11 |
0-300bps 103j |
S41=12 |
1200/75bps V.23 |
S41=13 |
75/1200bps V.23 |
í S41=20 |
19.2Kbps V.32terbo |
S41=21 |
16.8bps V.32terbo |
LOCAL ANALOG LOOPBACK | |
Type: |
Register |
Format: |
AT [cmds] S52=n [cmds] |
Example: |
AT S52=0 &W <CR> |
Description: |
Modem executes local analog loopback on receipt of CT140 signal from DTE |
Command |
Function |
í S52=0 |
Loopback disabled. |
S52=1 |
Loopback enabled. |
LOCK SERIAL PORT | |
Type: |
Register |
Format: |
AT [cmds] S90=n [cmds] |
Example: |
AT S90=0 <CR> |
Description: |
Sets operation of serial port speed. |
Command |
Function |
í S90=0 |
Disabled. |
S90=1 |
Serial speed follows connect speed. |
MI/MIC | |
Type: |
Register |
Format: |
AT [cmds] S83=n [cmds] |
Example: |
AT S83=0 &W <CR> |
Description: |
Configures the Mode Indicate/Mode Indicate Common (MI/MIC) interface. |
Command |
Function |
í S83=0 |
Disabled. |
S83=1 |
Enabled. |
PASSWORD REMOTE ACCESS | |
Type: |
Register |
Format: |
AT [cmds] S56=n [cmds] |
Example: |
ATS56=6 <CR> |
Default: |
None |
Range: |
00-99 |
Unit: |
Password digits |
Description: |
Allows entry of the first two digits of remote access password. |
PASSWORD REMOTE ACCESS | |
Type: |
Register |
Format: |
AT [cmds] S57=n [cmds] |
Example: |
ATS57=6 <CR> |
Default: |
None |
Range: |
00-99 |
Unit: |
Password digits |
Description: |
Allows entry of the second two digits of remote access password. |
PASSWORD REMOTE ACCESS | |
Type: |
Register |
Format: |
AT [cmds] S58=n [cmds] |
Example: |
ATS58=6 <CR> |
Default: |
None |
Range: |
00-99 |
Unit: |
Password digits |
Description: |
Allows entry of the third two digits of remote access password. |
PASSWORD REMOTE ACCESS | |
Type: |
Register |
Format: |
AT [cmds] S59=n [cmds] |
Example: |
ATS59=6 <CR> |
Default: |
None |
Range: |
00-99 |
Unit: |
P4assword digits |
Description: |
Allows entry of the fourth two digits of remote access password. |
REMOTE CONFIGURATION | |
Type: |
Register |
Format: |
AT [cmds] S55=n [cmds] |
Example: |
AT S55=0 &W <CR> |
Description: |
Allows remote configuration by 3800 series modem. |
Command |
Function |
í S55=0 |
Remote configuration enabled. |
S55=1 |
Remote configuration disabled. |
REMOTE DIGITAL LOOPBACK | |
Type: |
Register |
Format: |
AT [cmds] S51=n [cmds] |
Example: |
AT S51=0 &W <CR> |
Description: |
Modem executes remote digital loopback on receipt of CT140 signal from DTE |
Command |
Function |
í S51=0 |
Loopback disabled. |
S51=1 |
Loopback enabled. |
REPORT INFORMATION | |
Type: |
Immediate |
Format: |
AT [cmds] In [cmds] |
Example: |
AT I1 O <CR> |
Description: |
Displays modem properties. |
Command |
Function |
I0 |
Display product code. |
I1 |
Display 3 digit firmware revision number. |
I2 |
Reports current EPROM checksum. |
I3 |
Display serial number. |
I4 |
Display model number. |
I5 |
Display hardware part number. |
I6 |
Display firmware release number. |
I9 |
Display 3 digit firmware revision number. |
I10 |
Changes value displayed by I0 |
I10=0 |
Display 144 |
I10=1 |
Display 240 |
I10=2 |
Display 480 |
I10=3 |
Display 960 |
I10=4 |
Display 120 |
I11 |
Reports RAM checksum result. |
!19 |
Display complete firmware revision number. |
RESET MODEM TO STORED PROFILE | |
Type: |
Configuration |
Format: |
AT [cmds] Zn [cmds] |
Example: |
AT Z0 <CR> |
Description: |
Restores modem profiles previously saved in non-volatile RAM using the &W command. |
Command |
Function |
Z0 |
Restore profile 0. |
Z1 |
Restore profile 1. |
Z2 |
Restore profile 2. |
Z3 |
Restore profile 3. |
Z9 |
Restore factory defaults and use them as power-on defaults. |
RESULT CODES | |
Type: |
Configuration |
Format: |
AT [cmds] Xn [cmds] |
Example: |
AT X5 &W <CR> |
Description: |
Enables extended result codes, EC and V.42, MNP suffix, dial tone and busy signal detect |
Command |
Function |
X0 |
Disabled. |
X1 |
Enable extended result codes. |
X2 |
Enable extended result codes and dial tone detect. |
X3 |
Enable extended result codes and busy signal detect |
í X4 |
Enable extended result codes, dial tone detect and busy signal detect |
X5 |
Enable extended result codes, EC suffix, dial tone detect and busy signal detect |
X6 |
Enable extended result codes, V.42, MNP suffix, dial tone detect and busy signal detect |
X7 |
Display DTE rate. Enable dial tone detect and busy signal detect |
RJ11 CELLULAR ADAPT | |
Type: |
Register |
Format: |
AT [cmds] S93=n [cmds] |
Example: |
AT S93=0 &W <CR> |
Description: |
Adds support for RJ11 connection during cellular operation |
Command |
Function |
í S93=0 |
Disabled. |
S93=1 |
Enabled. |
STORED PROFILE | |
Type: |
Register |
Format: |
AT [cmds] S88=n [cmds] |
Example: |
AT S88=0 &W <CR> |
Description: |
Loads stored profile on disconnect. |
Command |
Function |
í S88=0 |
Disabled. |
S88=231 |
Disabled. |
S88=1 |
Enabled. |
S88=232 |
Enabled. |
TRANSMISSION LEVEL | |
Type: |
Configuration |
Format: |
AT [cmds] &In [cmds] |
Example: |
AT &I26 &W <CR> |
Default: |
0 |
Range: |
10-32, 99, 100 |
Unit: |
-1 dBm |
Description: |
Sets the signal level for transmission |
Note: Set to 99 for autoadjust ETC1.0 specification. Set to 100 for autoadjust ETC1.1 specifucation |
V.25bis CODE SET | |
Type: |
Register |
Format: |
AT [cmds] S62=n [cmds] |
Example: |
AT S62=0 &W <CR> |
Description: |
Sets coding type used in V.25bis mode. |
Command |
Function |
í S62=0 |
ASCII |
S62=1 |
EBCDIC |
V.25bis NEW LINE CHARACTER | |
Type: |
Register |
Format: |
AT [cmds] S64=n [cmds] |
Example: |
AT S64=0 &W <CR> |
Description: |
Sets V.25 new line character. |
Command |
Function |
í S64=0 |
Carriage return and line feed. |
S64=1 |
Carriage return. |
S64=2 |
Line feed. |
V.32bis AUTO-RETRAIN | |
Type: |
Register |
Format: |
AT [cmds] S76=n [cmds] |
Example: |
AT S76=0 &W <CR> |
Description: |
Selects action the modem will take during bad line quality on 32bis connection. |
Command |
Function |
í S76=0 |
Auto retrain enabled. |
S76=1 |
Auto retrain disabled. |
S76=2 |
Auto retrain started at 4800bps. |
S76=3 |
Auto retrain started at 9600bps |
V.32bis/PBX AUTOMODE | |
Type: |
Register |
Format: |
AT [cmds] S78=n [cmds] |
Example: |
AT S78=0 &W <CR> |
Description: |
Selects allowed modulations. |
Command |
Function |
í S78=0 |
Use any supported modulation. |
S78=1 |
Use modulation specified in S41 |
S78=2 |
Use PBX modulation. |
V.42bis COMPRESSION CONTROL | |
Type: |
Configuration |
Format: |
AT [cmds] "Hn [cmds] |
Example: |
AT "H3 &W <CR> |
Description: |
Controls V.42bis data compression |
Command |
Function |
"H0 |
V.42bis disabled. |
"H1 |
V.42bis when transmitting enabled. |
"H2 |
V.42bis when receiving enabled. |
í "H3 |
V.42bis when transmitting/receiving enabled. |
V.54 ADDRESS | |
Type: |
Register |
Format: |
AT [cmds] S53=n [cmds] |
Example: |
ATS53=6 <CR> |
Default: |
0 |
Range: |
0-34 |
Unit: |
Address of modem. 0 is disable. |
Description: |
Identifies modem in loopback test. |
V.54 DEVICE TYPE | |
Type: |
Register |
Format: |
AT [cmds] S54n [cmds] |
Example: |
AT S54=0 &W <CR> |
Description: |
Identifies modem’s network position. |
Command |
Function |
í S54=0 |
Peripheral |
S54=1 |
Intermediate |
XON/XOFF PASS-THROUGH | |
Type: |
Configuration |
Format: |
AT [cmds] \Xn [cmds] |
Example: |
AT \X7 O <CR> |
Description: |
Selects whether XON/XOFF signals are sent to remote modem. |
Command |
Function |
í \X0 |
XON/XOFF signals trapped by local modem. |
\X1 |
XON/XOFF passed through local modem. |