RAD DATA COMMUNICATIONS
CMN-CF6A (FC)
Card Type |
Modem (asynchronous) |
Chipset |
Unidentified |
Wire Type |
Fiber optic cable |
Maximum Data Rate |
19.2Kbps x 2 |
Data Modulation |
Unidentified |
Data Bus |
Proprietary |
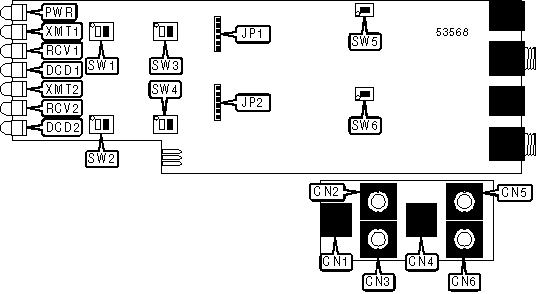
CONNECTIONS | |||
Function |
Label |
Function |
Label |
Serial data port 1 |
CN1 |
Serial data port 2 |
CN4 |
Fiber optic FC transmit cable 1 |
CN2 |
Fiber optic FC transmit cable 2 |
CN5 |
Fiber optic FC receive cable 1 |
CN3 |
Fiber optic FC receive cable 2 |
CN6 |
USER CONFIGURABLE SETTINGS | ||
Setting |
Label |
Position |
í CN3 is DCE |
SW6 |
On |
CN3 is DTE |
SW6 |
Off |
í RTS to CTS delay set to 2mS on modem 1 |
SW1/1 |
Off |
RTS to CTS delay set to 15mS on modem 1 |
SW1/1 |
On |
í DCD forced high on modem 1 |
SW1/2 |
On |
DCD follows DTR on modem 1 |
SW1/2 |
Off |
í RTS to CTS delay set to 2mS on modem 2 |
SW2/1 |
Off |
RTS to CTS delay set to 15mS on modem 2 |
SW2/1 |
On |
í DCD forced high on modem 2 |
SW2/2 |
On |
DCD follows DTR on modem 2 |
SW2/2 |
Off |
í Cable shield 1 connected to signal ground |
SW3/1 |
On |
Cable shield 1 not connected to signal ground |
SW3/1 |
Off |
í Signal ground 1 not connected to chassis ground |
SW3/2 |
Off |
Signal ground 1 connected to chassis ground |
SW3/2 |
On |
í Cable shield 2 connected to signal ground |
SW4/1 |
On |
Cable shield 2 not connected to signal ground |
SW4/1 |
Off |
USER CONFIGURABLE SETTINGS (CON'T) | ||
Setting |
Label |
Position |
í Signal ground 2 not connected to chassis ground |
SW4/2 |
Off |
Signal ground 2 connected to chassis ground |
SW4/2 |
On |
í CN1 is DCE |
SW5 |
On |
CN1 is DTE |
SW5 |
Off |
í CN3 is DCE |
SW6 |
On |
CN3 is DTE |
SW6 |
Off |
DIAGNOSTIC LED(S) | |||
LED |
Color |
Status |
Condition |
PWR |
Green |
On |
Power is on |
PWR |
Green |
Off |
Power is off |
XMT1 |
Yellow |
On |
Modem 1 is transmitting data |
XMT1 |
Yellow |
Off |
Modem is 1 not transmitting data |
RCV1 |
Yellow |
On |
Modem 1 is receiving data |
RCV1 |
Yellow |
Off |
Modem 1 is not receiving data |
DCD1 |
Yellow |
On |
Carrier signal detected on line 1 |
DCD1 |
Yellow |
Off |
Carrier signal not detected on line 1 |
XMT2 |
Yellow |
On |
Modem 2 is transmitting data |
XMT2 |
Yellow |
Off |
Modem is 2 not transmitting data |
RCV2 |
Yellow |
On |
Modem 2 is receiving data |
RCV2 |
Yellow |
Off |
Modem 2 is not receiving data |
DCD1 |
Yellow |
On |
Carrier signal detected on line 1 |
DCD1 |
Yellow |
Off |
Carrier signal not detected on line 1 |
MISCELLANEOUS TECHNICAL NOTE |
This card is intended for use in the CMN-16 rack-mount system. The bus is used only for supplying power for the card. All other card functions are accessed through the serial ports. |