RAD DATA COMMUNICATIONS

FOM-E1/T1 (AC POWER, ST CONNECTORS)

Card Type

T1/E1 interface converter

Chipset

Unidentified

Wire Type

Fiber optic cable

T1/E1 Transfer Rate

1.544Mbps/2.048Mbps

T1/E1 Protocol

B8ZS, HDB3

Frame Type

Unidentified

Data Bus

N/A

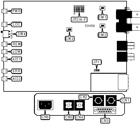
CONNECTIONS

Function

Label

Function

Label

Unbalanced T1 signal in via coaxial cable connector

CN1

T1 fiber optic receive ST connector

CN4

Unbalanced T1 signal out via coaxial cable connector

CN2

T1 fiber optic transmit ST connector

CN5

Balanced T1 signal in/out via DB-15 connector

CN3

AC power in

CN6

Note:Either connector CN3 or connectors CN1 and CN2 may be used, but not both.

USER CONFIGURABLE SETTINGS

Setting

Label

Position

»

Signal ground connected to chassis ground

JP1

Pins 1 & 2 closed

 

Signal ground not connected to chassis ground

JP1

Pins 2 & 3 closed

»

CN1 shield not connected to chassis ground

SW1

On

 

CN1 shield connected to chassis ground

SW1

Off

»

CN2 shield not connected to chassis ground

SW2

On

 

CN2 shield connected to chassis ground

SW2

Off

»

Device will transmit All Ones Signal when major alarm is detected

SW3

On

 

Device will transmit nothing when major alarm is detected

SW3

Off

ELECTRICAL CABLE TYPE SELECTION

Setting

JP2/A

JP2/B

JP2/C

JP2/D

JP2/E

JP2/F

 

Unbalanced 75 ohm

Pins 3 & 4

Pins 3 & 4

Pins 3 & 4

Pins 3 & 4

Pins 3 & 4

Pins 3 & 4

 

Balanced 100 ohm

Pins 1 & 2

Pins 1 & 2

Pins 1 & 2

Pins 1 & 2

Pins 1 & 2

Pins 1 & 2

»

Balanced 120 ohm

Pins 2 & 3

Pins 2 & 3

Pins 2 & 3

Pins 2 & 3

Pins 2 & 3

Pins 2 & 3

Note:Pins designated are in closed position.

TEST MODE

Setting

SW4

»

Normal operation

Position 2

 

Local loopback test

Position 1

 

Remote loopback test

Position 3

DIAGNOSTIC LED(S)

LED

Color

Status

Condition

PWR

Green

On

Power is on

PWR

Green

Off

Power is off

LOC

Yellow

On

Device is in local loopback test mode

LOC

Yellow

Off

Device is not in local loopback test mode

REM

Yellow

On

Device is in remote loopback test mode

REM

Yellow

Off

Device is not in remote loopback test mode

LOW

Red

On

Electrical input signal is below valid signal level

LOW

Red

Off

Electrical input signal is within valid signal levels

AIS1

Yellow

On

All Ones Signal received on electrical interface

AIS1

Yellow

Off

All Ones Signal not received on electrical interface

ERR

Red

On

Bit Error Rate of optical interface is 10 -6 or worse

ERR

Red

Off

Bit Error Rate of optical interface is better than 10 -6

AIS2

Yellow

On

All Ones Signal received on fiber optic interface

AIS2

Yellow

Off

All Ones Signal not received on fiber optic interface