PROMETHEUS
HOME OFFICE 144I
Card Type |
Fax, Modem (asynchronous), Voice |
Chip Set |
Unidentified |
I/O Options |
Speakerphone, Voice-mail |
Maximum Data Rate |
14.4Kbps |
Maximum Fax Rate |
14.4Kbps |
Data Bus |
8-bit ISA |
Fax Class |
Class I & II |
Data Modulation Protocol |
Bell 103/212A ITU-T V.21, V.22, V.22bis, V.23, V.32, V.32bis |
Fax Modulation Protocol |
ITU-T V.17, V.21CH2, V.27ter, V.29 |
Error Correction/Compression |
MNP5, V.42, V.42bis |
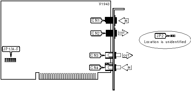
CONNECTIONS | ||||||
Function |
Label |
Function |
Label | |||
Line in |
CN1 |
Speaker out |
CN3 | |||
Line out |
CN2 |
Microphone in |
CN4 |
USER CONFIGURABLE SETTINGS | ||
Function |
Label |
Position |
Speaker plug - normal |
JP2 |
Closed |
Speaker plug - monaural |
JP2 |
Open |
SERIAL PORT ADDRESS | ||
Setting |
JP1/A |
JP1/B |
COM1 (3F8h) |
Open |
Open |
í COM2 (2F8h) |
Closed |
Open |
COM3 (3E8h) |
Open |
Closed |
COM4 (2E8h) |
Closed |
Closed |
INTERRUPT | ||||
Setting |
JP1/C |
JP1/D |
JP1/E |
JP1/F |
2 |
Closed |
Open |
Open |
Open |
í 3 |
Open |
Closed |
Open |
Open |
4 |
Open |
Open |
Closed |
Open |
5 |
Open |
Open |
Open |
Closed |
Proprietary AT Command Set
AUTO-RELIABLE FALLBACK CHARACTER | |
Type: |
Configuration |
Format: |
AT [cmds] %An [cmds] |
Default: |
Unidentified |
Range: |
0-127 |
Unit: |
ASCII |
Description: |
Sets the character used as the auto-reliable fallback character; %A0 will disable this function. |
AUTO-RELIABLE TIME BUFFER CONFIGURATION | |
Type: |
Configuration |
Format: |
AT [cmds] \Cn [cmds] |
Description: |
Controls the handling of incoming data during auto-reliable time period |
Command |
Function |
í \C0 |
Data is discarded |
\C1 |
Data is buffered |
\C2 |
Data is discarded; modem returns to normal mode on receiving auto-reliable fallback character. |
AUTO-RETRAIN | |
Type: |
Configuration |
Format: |
AT [cmds] %En [cmds] |
Description: |
Controls auto-retrain mode |
Command |
Function |
%E0 |
Auto-retrain disabled |
í %E1 |
Auto-retrain enabled |
BREAK TYPE | |
Type: |
Configuration |
Format: |
AT [cmds] \Kn [cmds] |
Default: |
5 |
Range: |
0-5 |
Description: |
Configures action of break signal |
COMPRESSION | |
Type: |
Configuration |
Format: |
AT [cmds] %Cn [cmds] |
Description: |
Selects data compression |
Command |
Function |
%C0 |
Data compression disabled |
í %C1 |
MNP5 enabled |
CONNECT MODE | |
Type: |
Configuration |
Format: |
AT [cmds] \Nn [cmds] |
Description: |
Controls the type of connection the modem will operate in |
Command |
Function |
\N0 |
Normal mode enabled |
\N1 |
Direct mode enabled |
\N2 |
MNP reliable mode enabled |
\N3 |
Auto-reliable mode enabled |
\N4 |
V.42 reliable mode enabled |
\N5 |
V.42 auto-reliable mode enabled |
í \N6 |
Reliable mode enabled |
DICTIONARY SIZE | |
Type: |
Configuration |
Format: |
AT [cmds] %Dn [cmds] |
Description: |
Select dictionary size |
Command |
Function |
%D0 |
Select 1/2K dictionary |
%D1 |
Select 1K dictionary |
í %D2 |
Select 2K dictionary |
FLOW CONTROL | |
Type: |
Configuration |
Format: |
AT [cmds] \Gn [cmds] |
Description: |
Selects modem port flow control |
Command |
Function |
í \G0 |
Flow control disabled |
\G1 |
Flow control enabled |
FLOW CONTROL TYPE | |
Type: |
Configuration |
Format: |
AT [cmds] \Qn [cmds] |
Description: |
Sets type of flow control used by modem |
Command |
Function |
\Q0 |
Flow control disabled |
\Q1 |
Bidirectional XON/XOFF flow control enabled |
\Q2 |
CTS flow control by DCE enabled |
í \Q3 |
Bidirectional RTS/CTS flow control enabled |
\Q4 |
Unidirectional XON/XOFF flow control by DCE enabled |
INACTIVITY TIMER | |
Type: |
Configuration |
Format: |
AT [cmds] \Tn [cmds] |
Default: |
0 |
Range: |
0-90 |
Unit: |
1 minute |
Description: |
Sets the length of time that the modem does not receive information before it disconnects. \T=0 will disable timer. |
MNP RESULT CODES | |
Type: |
Configuration |
Format: |
AT [cmds] \Vn [cmds] |
Description: |
Selects MNP result codes |
Command |
Function |
í \V0 |
MNP result codes disabled |
\V1 |
MNP result codes enabled |
REPORT INFORMATION | |
Type: |
Immediate |
Format: |
AT [cmds] In [cmds] |
Description: |
Displays information requested |
Command |
Function |
I0 |
Reports 3 digit product code |
I1 |
Reports ROM checksum |
I2 |
Reports OK |
I3 |
Reports firmware revision level |
I4 |
Reports configuration settings |
XON/XOFF PASS-THROUGH | |
Type: |
Configuration |
Format: |
AT [cmds] \Xn [cmds] |
Description: |
Selects whether XON/XOFF signals are sent to remote modem |
Command |
Function |
í \X0 |
XON/XOFF signals trapped by local modem |
\X1 |
XON/XOFF passed through local modem |