PROMETHEUS PRODUCTS, INC.
PC CYBERPORT PRO 288EV (PC288EV)
MAC CYBERPORT PRO 288EV (M288EV)
Card Type |
Fax, Modem (synchronous/asynchronous), Voice |
Chip Set |
Unidentified |
I/O Options |
Speakerphone, Voice-mail |
Maximum Data Rate |
28.8Kbps |
Maximum Fax Rate |
14.4Kbps |
Data Bus |
External |
Fax Class |
Class I & II |
Data Modulation Protocol |
Bell 103A/212A ITU-T V.21, V.22, V.22bis, V.23, V.32, V.32bis, V.34 |
Fax Modulation Protocol |
ITU-T V.17, V.21CH2, V.27ter, V.29, V.33 |
Error Correction/Compression |
MNP5, V.42, V.42bis |
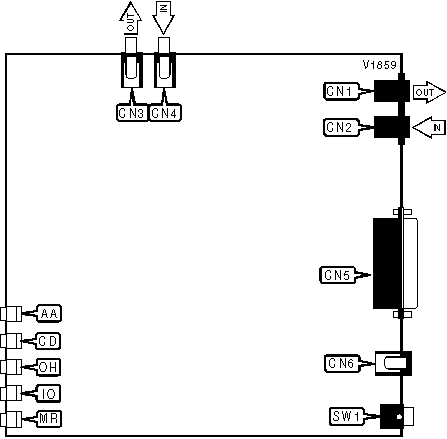
CONNECTIONS | ||||||
Function |
Label |
Function |
Label | |||
Line out |
CN1 |
RS-232/422 |
CN5 | |||
Line in |
CN2 |
DC power |
CN6 | |||
Speaker out |
CN3 |
Power switch |
SW1 | |||
Microphone in |
CN4 |
DIAGNOSTIC LED(S) | |||
LED |
Color |
Status |
Condition |
AA |
Red |
On |
Auto-answer enabled |
AA |
Red |
Off |
Auto-answer disabled |
AA |
Red |
Blinking |
Phone is ringing |
CD |
Red |
On |
Carrier signal detected |
CD |
Red |
Off |
Carrier signal not detected |
OH |
Red |
On |
Modem is off-hook |
OH |
Red |
Off |
Modem is on-hook |
IO |
Red |
On |
Modem is transmitting or receiving data |
IO |
Red |
Off |
Modem is not transmitting or receiving data |
MR |
Red |
On |
Power is on |
MR |
Red |
Off |
Power is off |
Proprietary AT Command Set
ASYNCHRONOUS - CONNECT MODE | |
Type: |
Configuration |
Format: |
AT [cmds] \Nn [cmds] |
Description: |
Sets the type of connection used for asynchronous operation |
Command |
Function |
\N0 |
Wire mode enabled |
\N1 |
Direct V.14 asynchronous mode enabled |
\N2 |
MNP reliable mode enabled |
\N3 |
Auto-reliable mode enabled |
\N4 |
V.42 reliable mode enabled |
\N5 |
V.42 auto-reliable mode or MNP mode enabled |
\N6 |
V.13 - simulated controlled carrier mode enabled |
AUTO-FALLBACK/FALL-FORWARD | |
Type: |
Configuration |
Format: |
AT [cmds] &An [cmds] |
Description: |
Selects auto-fallback/fall-forward |
Command |
Function |
&A0 |
Auto-fallback/fall-forward disabled |
&A1 |
Auto-fallback/fall-forward enabled |
AUTO-RELIABLE FALLBACK CHARACTER | |
Type: |
Configuration |
Format: |
AT [cmds] %An [cmds] |
Default: |
Unidentified |
Range: |
0-127 |
Unit: |
ASCII |
Description: |
Sets the character used as the auto-reliable fallback character; %A0 will disable this function. |
BREAK TYPE | ||
Type: |
Configuration | |
Format: |
AT [cmds] \Kn [cmds] | |
Description: |
Configures action of break signal | |
Command |
Function | |
\K0 |
Break sent to remote modem and buffered cleared | |
\K1 |
Break sent to remote modem and buffered saved | |
\K2 |
Timed break to remote modem and buffered saved | |
\K3 |
Break ignored | |
\K4 |
Timed break until no break character and buffered saved | |
\K5 |
Timed break until no break character and buffered saved |
BUSY OUT | ||
Type: |
Configuration | |
Format: |
AT [cmds] %Bn [cmds] | |
Description: |
Sends busy signal when modem is in a test mode. | |
Command |
Function | |
%B0 |
Do not send busy signal when modem is in test mode | |
%B1 |
Send busy signal on loss of DTR | |
%B2 |
Send busy signal when modem is in analog loopback | |
%B3 |
Send busy signal when modem is in analog loopback or on loss of RTS or DTR | |
%B4 |
Send busy signal on loss of RTS |
CHARACTER ABORT | ||
Type: |
Configuration | |
Format: |
AT [cmds] %Kn [cmds] | |
Description: |
Controls character abort | |
Command |
Function | |
%K0 |
2 second delay until character abort | |
%K1 |
Character abort disabled |
CHARACTER LENGTH | ||
Type: |
Configuration | |
Format: |
AT [cmds] \Bn [cmds] | |
Description: |
Controls character length | |
Command |
Function | |
\B0 |
6N1 | |
\B1 |
7N1 | |
\B2 |
7P1, control is set by \P command for parity type | |
\B3 |
8N1 | |
\B4 |
7P2, control is set by \P command for parity type | |
\B5 |
8P1, control is set by \P command for parity type |
COMPRESSION | |
Type: |
Configuration |
Format: |
AT [cmds] %Cn [cmds] |
Description: |
Selects data compression |
Command |
Function |
%C0 |
Data compression disabled |
%C1 |
Transmit and receive path enabled |
%C2 |
Transmit path enabled in V.42bis |
%C3 |
Receive path enabled in V.42bis |
CONNECT MESSAGE | |
Type: |
Configuration |
Format: |
AT [cmds] \Vn [cmds] |
Description: |
Selects connect message type reporting |
Command |
Function |
\V0 |
CONNECT reported as VF speed upon data mode, link message after link negotiation |
\V1 |
CONNECT reported as DTE speed after link negotiation |
\V2 |
CONNECT reported as VF speed after link and MNP negotiation |
\V3 |
CONNECT reported as DTE speed after protocol negotiation |
DATA CARRIER DETECT (DCD) | |
Type: |
Configuration |
Format: |
AT [cmds] &Cn [cmds] |
Description: |
Selects the DCD options |
Command |
Function |
&C0 |
DCD enabled |
&C1 |
Real mode enabled; follow modem energy detection. |
&C2 |
DCD enabled after carrier signal detected |
DATA SET READY (DSR) - TEST MODE | |
Type: |
Configuration |
Format: |
AT [cmds] %Dn [cmds] |
Description: |
Selects DSR options in test mode |
Command |
Function |
%D0 |
DSR forced high during analog loopback |
%D1 |
DSR low during this test |
DIAL | |
Type: |
Immediate |
Format: |
AT [cmds] D<#> [cmds] |
Description: |
Dials telephone number according to any modifiers included in the string |
Note: |
Any combination of modifiers can be used to produce the desired dial functions in sequence. |
Command |
Function |
! or & |
Flash function initiated. Modem commanded to go off-hook for ½ second before returning on-hook. |
, or < |
Dialing paused for amount of time specified in S8 register |
: n |
Redial for n times until data mode is established |
; |
Modem returned to Command state after dialing. The semicolon can only be placed at the end of the dial command. |
@ |
Wait for Quite Answer function enabled. Modem waits until a "quiet answer," a ring-back signal followed by silence up to the time specified in S7, is received prior to executing the rest of the dial string. |
Ln |
Link to cell n when modem cannot establish data mode |
P |
Pulse dialing enabled |
R |
Answer mode enabled; originate mode disabled following handshake initiation. |
S |
Dial stored telephone number |
T |
Tone dialing enabled/Pulse dialing disabled |
W |
Dialing resumed following dial tone detection; for amount of time specified in S6 register |
DTE INTERFACE-CONTROLLED TEST | ||
Type: |
Configuration | |
Format: |
AT [cmds] %En [cmds] | |
Description: |
Controls DTE interface-controlled tests | |
Command |
Function | |
%E0 |
Tests controlled by DTE interface pins disabled | |
%E1 |
Tests controlled by DTE interface pins enabled |
DTE SPEED | |
Type: |
Configuration |
Format |
AT [cmds] \Tn [cmds] |
Description: |
Sets the maximum allowable DTE speed |
Command |
Function |
\T0 |
Autobaud |
\T1 |
Last AT speed |
\T2 |
300bps |
\T3 |
1200bps |
\T4 |
2400bps |
\T5 |
4800bps |
\T6 |
7200bps |
\T7 |
9600bps |
\T8 |
12.0Kbps |
\T9 |
14.4Kbps |
\T10 |
16.8Kbps |
\T11 |
19.2Kbps |
\T12 |
21.6Kbps |
\T13 |
24Kbps |
\T14 |
26.4Kbps |
\T15 |
28.8Kbps |
\T16 |
38.4Kbps |
\T17 |
57.6Kbps |
\T18 |
76.8Kbps |
\T19 |
115.2Kbps |
\T20 |
128Kbps |
DTR DIALING | ||
Type: |
Configuration | |
Format: |
AT [cmds] %Zn [cmds] | |
Description: |
Controls DTR dialing | |
Command |
Function | |
%Z0 |
DTR is ignored | |
%Z1=n |
Dial from cell n | |
%Z2 |
Go off-hook and attempt to handshake |
FIXED PROFILES | ||
Type: |
Configuration | |
Format: |
AT [cmds] &Fn [cmds] | |
Description: |
Controls active profile to values found in fixed profile | |
Command |
Function | |
&F0 |
PSTN, asynchronous, V.42, V.42bis | |
&F1 |
PSTN, synchronous |
FLOW CONTROL | |
Type: |
Configuration |
Format: |
AT [cmds] \Gn [cmds] |
Description: |
Selects modem port flow control |
Command |
Function |
\G0 |
Flow control disabled |
\G1 |
XON/XOFF signals trapped by local modem |
\G2 |
Flow control enabled in transmit path |
\G3 |
Transmit and receive path enabled with pass-through |
FLOW CONTROL TYPE | |
Type: |
Configuration |
Format: |
AT [cmds] \Qn [cmds] |
Description: |
Sets type of flow control used by modem |
Command |
Function |
\Q0 |
Flow control disabled |
\Q1 |
Bi-directional XON/XOFF flow control enabled |
\Q2 |
CTS flow control by DCE enabled |
\Q3 |
Bi-directional RTS/CTS flow control enabled |
\Q4 |
Unidirectional XON/XOFF flow control by DCE enabled |
HANDSHAKE MODE - PSTN | ||
Type: |
Configuration | |
Format: |
AT [cmds] &Hn [cmds] | |
Description: |
Set the handshake mode when originating | |
Command |
Function | |
&H0 |
GDC fast auto (28.8Kbps - 300bps) | |
&H1 |
GDC fast only (28.8Kbps - 9600bps) | |
&H2 |
V.32bis automatic (14.4Kbps - 300bps) | |
&H3 |
V.32bis only (14.4Kbps - 4800bps) | |
&H4 |
V.32 automatic (9600bps - 300bps) | |
&H5 |
V.32 only (9600bps - 4800bps) | |
&H6 |
V.22bis only (2400bps - 1200bps) | |
&H7 |
V.22 only (1200bps) | |
&H8 |
Bell 212A only (1200bps) | |
&H9 |
Bell 103 only (300bps) | |
&H10 |
V.21 only (300bps) |
MESSAGE RESPONSE SPEED | |
Type: |
Configuration |
Format |
AT [cmds] %Rn [cmds] |
Description: |
Sets the maximum allowable message speed |
Command |
Function |
%R0 |
Autobaud |
%R1 |
Speed of last connection |
%R2 |
300bps |
%R3 |
1200bps |
%R4 |
2400bps |
%R5 |
4800bps |
%R6 |
7200bps |
%R7 |
9600bps |
%R8 |
12.0Kbps |
%R9 |
14.4Kbps |
%R10 |
16.8Kbps |
%R11 |
19.2Kbps |
%R12 |
21.6Kbps |
%R13 |
24Kbps |
%R14 |
26.4Kbps |
%R15 |
28.8Kbps |
%R16 |
38.4Kbps |
%R17 |
57.6Kbps |
%R18 |
76.8Kbps |
%R19 |
115.2Kbps |
%R20 |
128Kbps |
OVERSPEED CORRECTION | |
Type: |
Configuration |
Format: |
AT [cmds] \An [cmds] |
Description: |
Controls overspeed correction |
Command |
Function |
\A0 |
1.25% asynchronous overspeed correction enabled |
\A1 |
2.5% overspeed correction enabled |
PARITY CONTROL | ||
Type: |
Configuration | |
Format: |
AT [cmds] \Pn [cmds] | |
Description: |
Controls Parity | |
Command |
Function | |
\P0 |
Parity even | |
\P1 |
Space Parity | |
\P2 |
Parity odd | |
\P3 |
Mark Parity | |
\P4 |
Last AT command (automatic) |
PRE-LINK DATA BUFFER/FALLBACK CONTROL | |
Type: |
Configuration |
Format: |
AT [cmds] \Cn [cmds] |
Description: |
Sets the handling of pre-link data buffer and fallback |
Command |
Function |
\C0 |
Time-out and fallback, speed buffer, no data buffer |
\C1 |
Time-out and fallback, speed buffer, buffer received data |
\C2 |
Auto-reliable, fallback with fallback character speed buffer, no receive data buffer |
\C3 |
Time-out and fallback, V.14, buffer received data |
\C4 |
Time-out or fallback with fallback character, V.14, no data buffer |
REPORT INFORMATION | |
Type: |
Immediate |
Format: |
AT [cmds] In [cmds] |
Description: |
Displays information requested |
Command |
Function |
I0 |
Reports product code |
I1 |
Reports ROM checksum |
I2 |
Tests and reports ROM checksum |
I3 |
Reports firmware revision level (A-) |
I4 |
Displays settings of all S-registers |
REQUEST STORED NUMBERS | |
Type: |
Immediate |
Format: |
AT [cmds] &V [cmds] |
Description: |
Displays the list of stored numbers; only 4 can be stored. |
RETRAIN - LINE SIGNAL QUALITY | ||
Type: |
Configuration | |
Format: |
AT [cmds] %Qn [cmds] | |
Description: |
Controls retrain function if poor line quality is detected | |
Command |
Function | |
%Q0 |
Retrain disabled | |
%Q1 |
3 retraining attempts enabled, hang-up if not successful | |
%Q2 |
Retrain enabled until line quality is good |
RETRANSMISSION COUNTER | |
Type: |
Register |
Format: |
AT [cmds] S70=n [cmds] |
Default: |
100 |
Range: |
Unidentified |
Unit: |
Unidentified |
Description: |
Counts the number of retries to make a connection |
SIMULATED CONTROLLED CARRIER | ||
Type: |
Configuration | |
Format: |
AT [cmds] &En [cmds] | |
Description: |
Controls simulated controlled carrier (ITU-T V.13) | |
Command |
Function | |
&E0 |
Transmit and receive path enabled | |
&E1 |
Transmit path enabled | |
&E2 |
Receive path enabled |
SYNCHRONOUS - CONNECT MODE | |
Type: |
Configuration |
Format: |
AT [cmds] \Nn [cmds] |
Description: |
Sets the type of protocol used for synchronous operation |
Command |
Function |
\M0 |
Normal synchronous mode enabled |
\M1 |
V.13 synchronous mode enabled, simulated controlled carrier |