POWERCOM AMERICA, INC.
9624 POCKET
Card Type |
Fax, Modem (asynchronous) |
Chip Set |
Unidentified |
Maximum Data Rate |
2400bps |
Maximum Fax Rate |
9600bps |
Data Bus |
External |
Fax Class |
Class I |
Data Modulation Protocol |
Bell 103/212A ITU-T V.21, V.22, V.22bis, V.23 |
Fax Modulation Protocol |
ITU-T V.21CH2, V.27ter, V.29 |
Error Correction/Compression |
MNP5, V.42bis |
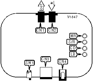
CONNECTIONS | ||||||
Function |
Label |
Function |
Label | |||
Line out |
CN1 |
DC power |
CN4 | |||
Line in |
CN2 |
Power switch |
SW1 | |||
RS-232D |
CN3 |
DIAGNOSTIC LED(S) | |||
LED |
Color |
Status |
Condition |
LB |
Red |
On |
9VDC battery power exhausted |
LB |
Red |
Off |
9VDC battery power OK |
CD |
Red |
On |
Carrier signal detected |
CD |
Red |
Off |
Carrier signal not detected |
S/R |
Red |
On |
Modem is receiving or transmitting data |
S/R |
Red |
Off |
Modem is not receiving or transmitting data |
MR |
Red |
On |
Power is on |
MR |
Red |
Off |
Power is off |
MISCELLANEOUS TECHNICAL NOTES |
Note: On US models; V.23, MNP5, V.42, V.42bis is not applicable. |
Proprietary AT Command Set
See document V1833 for a full command summary.