RAD DATA COMMUNICATIONS
ASM-20 V.35
Modem Type |
Data (Synchronous) |
Maximum Data Rate |
144Kbps |
Data Bus |
External |
Data Modulation Protocol |
Proprietary |
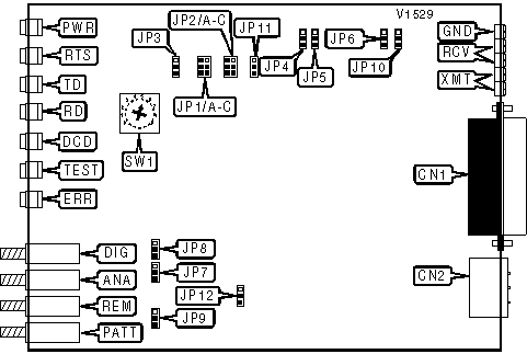
CONNECTIONS | |||
Purpose |
Location |
Purpose |
Location |
V.35 |
CN1 |
Diagnostic test switch |
DIG |
AC power |
CN2 |
Analog loopback switch |
ANA |
Ground |
GND |
Remote loopback switch |
REM |
Receive |
RCV |
Test pattern |
PATT |
Transmit |
XMT |
ANALOG LOOPBACK | |
Setting |
JP7 |
» Enabled |
Pins 1 & 2 closed |
Disabled |
Pins 2 & 3 closed |
BAUD RATE | |
Setting |
SW1 |
128Kbps |
0 |
112Kbps/144Kbps |
1 |
» 64Kbps |
2 |
56Kbps/72Kbps |
3 |
48Kbps |
4 |
32Kbps |
5 |
CD SIGNAL | |
Setting |
JP3 |
CD normal |
Pins 1 & 2 closed |
» CD forced high |
Pins 2 & 3 closed |
CHASSIS TO SIGNAL GROUND | |
Setting |
JP10 |
» Connected |
Pins 2 & 3 closed |
Disconnected |
Pins 1 & 2 closed |
CLOCK SOURCE | |||
Setting |
JP1/A |
JP1/B |
JP1/C |
» Internal |
Closed |
Open |
Open |
External |
Open |
Closed |
Open |
Receive |
Open |
Open |
Closed |
ENABLE PUSHBUTTONS | |
Setting |
JP9 |
» DIG, ANA, REM, PATT enabled |
Pins 1 & 2 closed |
Disabled |
Pins 2 & 3 closed |
RECEIVE IMPEDANCE | |
Setting |
JP6 |
» 135omhs |
Pins 1 & 2 closed |
Low |
Pins 2 & 3 closed |
REMOTE LOOPBACK | |
Setting |
JP8 |
» Enabled |
Pins 1 & 2 closed |
Disabled |
Pins 2 & 3 closed |
REMOTE POWER FAILURE | |
Setting |
JP12 |
» Transmit RPF tone |
Pins 1 & 2 closed |
Doesn’t transmit RPF tone |
Pins 2 & 3 closed |
RTS/CTS DELAY | |||
Setting |
JP2/A |
JP2/B |
JP2/C |
0ms |
Closed |
Open |
Open |
» 9ms |
Open |
Closed |
Open |
70ms |
Open |
Open |
Closed |
TRANSMIT IMPEDANCE | |
Setting |
JP5 |
» 135omhs |
Pins 1 & 2 closed |
Low |
Pins 2 & 3 closed |
TRANSMIT LEVEL | |
Setting |
JP4 |
» 0dBm |
Pins 1 & 2 closed |
-6dBm |
Pins 2 & 3 closed |
V.54 DELAY | |
Setting |
JP11 |
» On |
Pins 2 & 3 closed |
Off |
Pins 1 & 2 closed |
DIAGNOSTIC LED(S) | |||
LED |
Color |
Status |
Condition |
PWR |
Green |
On |
Power is on |
PWR |
Green |
Off |
Power is off |
RTS |
Yellow |
On |
Request to Send enabled |
RTS |
Yellow |
Off |
Request to Send disabled |
TD |
Yellow |
On |
Modem is transmitting steady SPACE |
TD |
Yellow |
Off |
Modem is not transmitting data |
TD |
Yellow |
Blinking |
Modem is transmitting data |
RD |
Yellow |
On |
Modem is receiving steady SPACE |
RD |
Yellow |
Off |
Modem is not receiving data |
RD |
Yellow |
Blinking |
Modem is receiving data |
DCD |
Yellow |
On |
Carrier signal detected |
DCD |
Yellow |
Off |
Carrier signal not detected |
TEST |
Red |
On |
Modem in test mode |
TEST |
Red |
Off |
Modem not in test mode |
ERR |
Yellow |
On |
Errors in test pattern |
ERR |
Yellow |
Off |
Good test pattern |