RAD DATA COMMUNICATIONS
FOM-T1
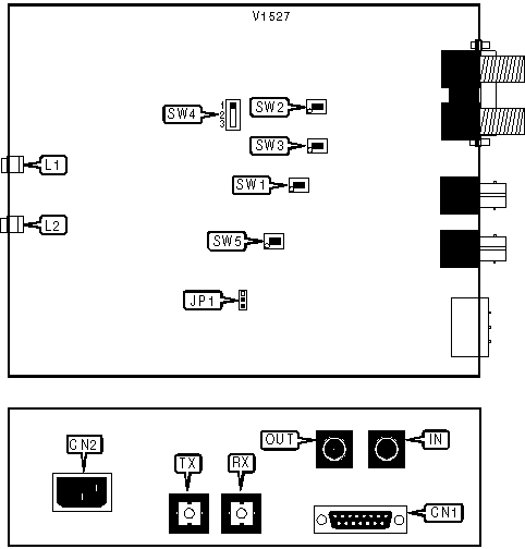
Modem Type |
Data (synchronous/asynchronous) |
Maximum Data Rate |
2.048Mbps |
Data Bus |
External |
Data Modulation Protocol |
Proprietary |
CONNECTIONS | |||
Purpose |
Location |
Purpose |
Location |
DB-15 |
CN1 |
Receive fiber |
RX |
AC power |
CN2 |
Coaxial connector out |
OUT |
Transmit fiber |
TX |
Coaxial connector in |
IN |
CHASSIS TO ELECTRICAL GROUND | |
Setting |
JP1 |
» Connected |
Pins 1 & 2 closed |
Disconnected |
Pins 2 & 3 closed |
INPUT | |
Setting |
SW2 |
Grounded |
Off |
» Floating |
On |
INTERFACE | |
Setting |
SW4 |
» 100 Omhs-(DB-15) T1 |
Position 1 on |
» 120 Omhs-(DB-15) E1 |
Position 2 on |
75 Omhs-(BNC) E1 |
Position 3 on |
OPTICAL AIS SIGNAL | |
Setting |
SW5 |
» Off |
Off |
On |
On |
OUTPUT | |
Setting |
SW3 |
Grounded |
Off |
» Floating |
On |
RANGE | |
Setting |
SW1 |
» Short |
Off |
Long |
On |
DIAGNOSTIC LED(S) | |||
LED |
Color |
Status |
Condition |
L1 |
Red |
On |
Power is on |
L1 |
Red |
Off |
Power is off |
L2 |
Red |
On |
Optical signal below -43dBm |
L2 |
Red |
Off |
All link equipment operating |