PATTON ELECTRONICS COMPANY
1080A
Modem Type |
Data (synchronous/asynchronous) |
Maximum Data Rate |
57.6Kbps |
Data Bus |
External |
Data Modulation Protocol |
Proprietary |
CONNECTIONS | |||
Purpose |
Location |
Purpose |
Location |
Line in |
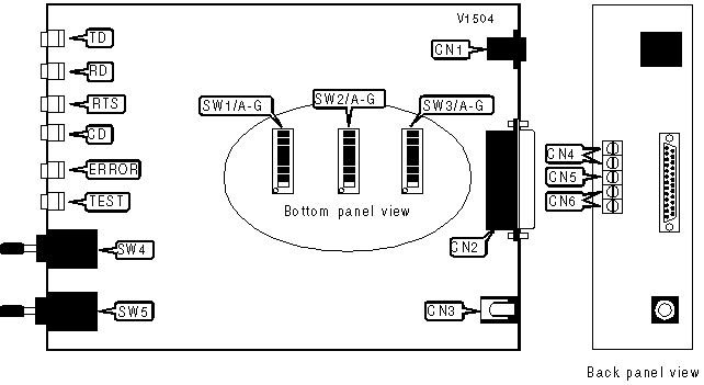
CN1 |
Transmit |
CN4 |
RS-232/422 |
CN2 |
Ground |
CN5 |
DC power |
CN3 |
Receive |
CN6 |
ANTISTREAMING | ||
Setting |
SW3/G |
SW3/H |
» Disabled |
Off |
Off |
12.5 seconds |
Off |
On |
50 seconds |
On |
Off |
12.5 seconds |
On |
On |
CARRIER SIGNAL | |
Setting |
SW1/H |
» Forced high |
Off |
Carrier signal follows RTS |
On |
CLOCK SOURCE | ||
Setting |
SW1/E |
SW1/F |
» Internal transmit |
On |
On |
Receive recover |
Off |
On |
External Transmit |
On |
Off |
DATA RATE FLUCTUATION ALLOWED | |
Setting |
SW2/C |
» -2.5% to +1% |
Off |
-2.5% to +2.3% |
On |
DEVICE TYPE | |
Setting |
SW3/D |
» On |
Point to point |
On |
Multipoint master |
Off |
Multipoint slave |
IMPEDANCE | ||
Setting |
SW3/A |
SW3/B |
130 Ohms |
On |
On |
» 200 Ohms |
Off |
On |
320 Ohms |
Off |
On |
Minimum 2K ohms |
Off |
Off |
LOCAL ANALOG LOOPBACK TEST | |
Setting |
SW3/E |
Enabled |
On |
» Disabled |
Off |
LOOPBACK TEST SELCET | |
Setting |
SW5 |
Local analog loopback |
Up |
Normal operation |
Horizontal |
Remote digital loopback |
Down |
LOOPBACK TEST | |
Setting |
SW2/F |
» Loopback test enabled |
Off |
Loopback test disabled |
On |
REMOTE DIGITAL LOOPBACK TEST | |
Setting |
SW3/F |
Enabled |
On |
» Disabled |
Off |
RTS/CTS DELAY | ||
Setting |
SW2/D |
SW2/E |
» 7ms |
On |
On |
53ms |
Off |
On |
Disabled |
On |
Off |
Disabled |
Off |
Off |
SPEED | ||||
Setting |
SW1/A |
SW1/B |
SW1/C |
SW1/D |
1.2Kbps |
On |
On |
On |
On |
1.8kbps |
Off |
On |
On |
On |
2.4Kkbps |
On |
Off |
On |
On |
3.6kbps |
Off |
Off |
On |
On |
4.8kbps |
On |
On |
Off |
On |
7.2kbps |
Off |
On |
Off |
On |
» 9.6kbps |
On |
Off |
Off |
On |
14.4kbps |
Off |
Off |
Off |
On |
19.2kbps |
On |
On |
On |
Off |
28.8kbps |
Off |
On |
On |
Off |
38.4kbps |
On |
On |
Off |
Off |
57.6kbps |
Off |
On |
Off |
Off |
SYNCHRONOUS/ASYNCHRONOUS MODE | |
Setting |
SW1/G |
» Asynchronous |
On |
Synchronous |
Off |
TEST PATTERN | |
Setting |
SW4 |
Generate 511 test pattern |
Up |
Normal operation |
Horizontal |
Test 511E test pattern generator |
Down |
WIRE TYPE | |
Setting |
SW2/G |
» 4 wire |
Off |
2 wire |
On |
WORD LENGTH | ||
Setting |
SW2/A |
SW2/B |
8 bit |
Off |
On |
9 bit |
On |
On |
» 10 bit |
Off |
Off |
11 bit |
On |
Off |
FACTORY CONFIGURED SETTINGS | |
Jumper |
Setting |
SW3/C |
Not used |
SW2/H |
Not used |
DIAGNOSTIC LED(S) | |||||
LED |
Color |
Status |
Condition | ||
TD |
Red/Green |
Blinking |
Modem is transmitting data | ||
TD |
Red |
Off |
Modem connection is broken | ||
TD |
Red |
On |
Modem is not transmitting data | ||
RD |
Red/Green |
Blinking |
Modem is receiving data | ||
RD |
Green |
Off |
Modem connection is broken | ||
RD |
Red |
On |
Modem is not receiving data | ||
RTS |
Red |
On |
RTS signal is low | ||
RTS |
Green |
Off |
RTS signal is high | ||
CD |
Red |
On |
Carrier signal not detected | ||
CD |
Green |
Off |
Carrier signal detected | ||
In Test Mode |
Not In Test Mode | ||||
ERROR |
Red |
On |
Bit errors detected |
RTS streaming error | |
ERROR |
Red |
Off |
No bit errors |
No streaming error | |
TEST |
Red |
Off |
Modem is not in test mode | ||
TEST |
Red |
On |
Modem is in test mode |