MOTOROLA, INC.
FT100 M
Card Type |
T1 CSU/DSU, Ethernet |
Chip Set |
Unidentified |
I/O Options |
Monitor ports, alarm port |
Network Transfer Rate |
10Mbps |
Topology |
Star |
Wiring Type |
Unshielded twisted pair |
Transfer Rate |
1.544Mbps |
Data Bus |
Serial |
Protocol |
AMI, B8ZS |
Frame Type |
SF, ESF |
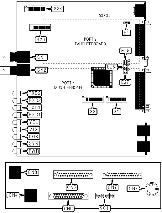
CONNECTIONS | |||
Function |
Label |
Function |
Label |
Monitor receive |
CN1 |
Serial control port |
CN6 |
Monitor transmit |
CN2 |
DSX-1, RS-232, RS-449, RS-530, or V.35 serial data port 2 (on daughterboard) |
CN7 |
T1 interface |
CN3 |
DC power in |
CN8 |
UTP connector |
CN4 |
Alarm port (see pinout below) |
SC1 |
DSX-1, RS-232, RS-449, RS-530, or V.35 serial data port 1 (on daughterboard) |
CN5 | ||
Note:Standard serial ports are provided on included adapter cables. |
SC1 PINOUT | |||
Function |
Pin |
Function |
Pin |
Normally closed connection |
1 |
Signal common |
3 |
Normally open connection |
2 |
Not used |
4 |
USER CONFIGURABLE SETTINGS | |||
Setting |
Label |
Position | |
» |
Signal ground connected to chassis ground |
E1 |
Pins 2 & 3 closed |
Signal ground not connected to chassis ground |
E1 |
Pins 1 & 2 closed | |
» |
Factory configured - do not alter |
S1/1 |
Unidentified |
» |
Factory configured - do not alter |
S1/2 |
Unidentified |
» |
Factory configured - do not alter |
S1/3 |
Unidentified |
» |
Factory configured - do not alter |
S1/4 |
Unidentified |
» |
Factory configured - do not alter |
S1/5 |
Unidentified |
» |
Factory configured - do not alter |
S1/6 |
Unidentified |
» |
Factory configured - do not alter |
S1/7 |
Unidentified |
» |
Factory configured - do not alter |
S1/8 |
Unidentified |
» |
Factory configured - do not alter |
S2/1 |
Unidentified |
» |
Factory configured - do not alter |
S2/2 |
Unidentified |
» |
Factory configured - do not alter |
S2/3 |
Unidentified |
» |
Factory configured - do not alter |
S2/4 |
Unidentified |
» |
Factory configured - do not alter |
S2/5 |
Unidentified |
» |
Factory configured - do not alter |
S2/6 |
Unidentified |
» |
Factory configured - do not alter |
S2/7 |
Unidentified |
» |
Factory configured - do not alter |
S2/8 |
Unidentified |
» |
Factory configured - do not alter |
S28/1 |
On |
» |
Factory configured - do not alter |
S28/2 |
On |
» |
Factory configured - do not alter |
S28/3 |
On |
» |
Factory configured - do not alter |
S28/4 |
On |
» |
Factory configured - do not alter |
S28/5 |
On |
» |
Factory configured - do not alter |
S28/6 |
On |
» |
Factory configured - do not alter |
S28/7 |
On |
» |
Factory configured - do not alter |
S28/8 |
Off |
USER CONFIGURABLE SETTINGS (CON’T) | |||
Setting |
Label |
Position | |
» |
One stop bit selected |
S29/5 |
On |
Two stop bits selected |
S29/5 |
Off | |
» |
8 data bits selected |
S29/6 |
On |
7 data bits selected |
S29/6 |
Off |
CONTROL PORT CONFIGURATION | ||||
Setting |
E25 |
E26 |
E27 | |
» |
DCE |
Pins 1 & 2, 3 & 4 closed |
Pins 1 & 2, 3 & 4 closed |
Pins 1 & 2, 3 & 4 closed |
DTE |
Pins 1 & 3, 2 & 4 closed |
Pins 1 & 3, 2 & 4 closed |
Pins 1 & 3, 2 & 4 closed |
SERIAL PORT SPEED SELECTION | |||
Setting |
S29/1 |
S29/2 | |
2400bps |
Off |
Off | |
4800bps |
Off |
On | |
9600bps |
On |
Off | |
» |
19.2Kbps |
On |
On |
DATA PARITY SELECTION | |||
Setting |
S29/3 |
S29/4 | |
» |
Disabled |
On |
N/A |
Even |
Off |
On | |
Odd |
Off |
Off |
FLOW CONTROL SELECTION | |||
Setting |
S29/7 |
S29/8 | |
» |
Flow control disabled |
On |
On |
XON/XOFF flow control enabled |
On |
Off | |
RTS/CTS flow control enabled |
Off |
On |
DIAGNOSTIC LED(S) | |||
LED |
Color |
Status |
Condition |
TXD2 |
Green |
On |
Data is being transmitted to port 2 |
TXD2 |
Green |
Off |
Data is not being transmitted to port 2 |
RXD2 |
Green |
On |
Data is being received from port 2 |
RXD2 |
Green |
Off |
Data is not being received from port 2 |
TXD1 |
Green |
On |
Data is being transmitted to port 1 |
TXD1 |
Green |
Off |
Data is not being transmitted to port 1 |
RXD1 |
Green |
On |
Data is being received from port 1 |
RXD1 |
Green |
Off |
Data is not being received from port 1 |
YEL |
Red |
On |
Yellow alarm condition detected |
YEL |
Red |
Off |
Yellow alarm condition not detected |
AIS |
Red |
On |
All Ones Signal detected |
AIS |
Red |
Off |
All Ones Signal not detected |
DIAGNOSTIC LED(S) (CON’T) | |||
LED |
Color |
Status |
Condition |
LOS |
Red |
On |
Loss of signal detected |
LOS |
Red |
Off |
Loss of signal not detected |
SYN |
Green |
On |
Valid framing pattern received from T1 interface |
SYN |
Green |
Off |
Valid framing pattern not received from T1 interface |
PWR |
Green |
On |
Power is on |
PWR |
Green |
Off |
Power is off |
USER CONFIGURABLE SETTINGS | |||
Setting |
Label |
Position | |
» |
Factory configured - do not alter |
SW1 |
Off |
» |
Factory configured - do not alter |
SW2 |
Off |
» |
Factory configured - do not alter |
SW3 |
On |
» |
Factory configured - do not alter |
SW4 |
On |
» |
Factory configured - do not alter |
SW5 |
Off |
» |
Factory configured - do not alter |
SW6 |
On |
» |
Factory configured - do not alter |
SW7 |
Off |
» |
Factory configured - do not alter |
SW8 |
Off |
MISCELLANEOUS TECHNICAL NOTES |
Diagram not available. |
FT100 M (RS-449/530 INTERFACE)
MISCELLANEOUS TECHNICAL NOTES |
Diagram not available. The card's jumper(s) must be set for Test Mode operation. |