MULTI-TECH SYSTEMS, INC.
MT1432MK-MAC, MT1432MU-MAC, MT1432MUI-MAC
Card Type |
Modem (asynchronous) |
Chipset |
Multi-Tech Systems, Inc. |
Maximum Data Rate |
14.4Kbps |
Maximum Fax Rate |
14.4Kbps |
Data Modulation |
Bell 103A, 113, 212A ITU-T V.21 (MT1432MUI only), V.22, V.22bis, V.23, V.32, V.32bis |
Fax Modulation |
ITU-T V.17, V.21CH2, V.27ter, V.29 |
Error Correction/Compression |
MNP5, V.42, V.42bis |
Fax Class |
Class II |
Data Bus |
Serial |
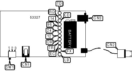
CONNECTIONS | |||
Function |
Label |
Function |
Label |
9V DC power in |
CN1 |
Telephone line out |
CN3 |
Macintosh serial port |
CN2 |
AUTO-ANSWER CONFIGURATION | |
Setting |
SW1 |
Standby, wait for incoming call |
Position 3 |
Off |
Position 2 |
On |
Position 1 |
DIAGNOSTIC LED(S) | |||
LED |
Color |
Status |
Condition |
TD |
Red |
On |
Modem is transmitting data |
TD |
Red |
Off |
Modem is not transmitting data |
RD |
Red |
On |
Modem is receiving data |
RD |
Red |
Off |
Modem is not receiving data |
CD |
Red |
On |
Carrier signal detected |
CD |
Red |
Off |
Carrier signal not detected |
DIAGNOSTIC LED(S) (CON'T) | |||||||
14 Status |
Color |
96 Status |
Color |
Condition | |||
On |
Red |
On |
Red |
Modem connected at 12Kbps in V.32bis | |||
Off |
Red |
On |
Red |
Modem connected at 9600bps | |||
On |
Red |
Off |
Red |
Modem connected at 14.4Kbps | |||
Off |
Red |
Off |
Red |
Modem connected at slower than 9600bps | |||
LED |
Color |
Status |
Condition | ||||
24 |
Red |
On |
Modem connected at 2400bps | ||||
24 |
Red |
Off |
Modem not connected at 2400bps | ||||
12 |
Red |
On |
Modem connected at 1200bps | ||||
12 |
Red |
Off |
Modem not connected at 1200bps | ||||
OH |
Red |
On |
Modem is off-hook | ||||
OH |
Red |
Blinking |
Modem is dialing in pulse mode | ||||
OH |
Red |
Off |
Modem is on-hook | ||||
TR |
Red |
On |
DTR signal is high | ||||
TR |
Red |
Off |
DTR signal is low | ||||
EC |
Red |
On |
Error correction enabled | ||||
EC |
Red |
Blinking |
Data compression enabled | ||||
EC |
Red |
Off |
Error correction disabled | ||||
FX |
Red |
On |
Modem is connected in FAX mode | ||||
FX |
Red |
Off |
Modem is not connected in FAX mode | ||||
LB |
Red |
On |
Battery is low (approx. 10 minutes left) | ||||
LB |
Red |
Off |
Battery is good |
SUPPORTED STANDARD COMMANDS |
Basic AT Commands |
+++, A/ |
A, B, D, E, H, M, O, P, T, V, X, Y, Z |
&D, &G, &P, &T |
S-Registers |
S0, S1, S2, S3, S4, S5, S6, S7, S8, S9, S10, S11, S25, S30 |
Note: See MHI help file for complete information. |
Proprietary AT Command Set
See MULTI-TECH SYSTEMS, INC. MT1432MU for a full command summary.