NEWCOM, INC.
33600 EFX EXTERNAL
Card Type |
Modem (asynchronous/synchronous) |
Chipset |
Rockwell |
Maximum Data Rate |
33.6Kbps |
Maximum Fax Rate |
14.4Kbps |
Data Modulation |
Bell 103A/212A ITU-T V.21, V.22, V.22bis, V.23, V.32, V.32bis, V.34 Rockwell V.FC |
Fax Modulation |
ITU-T V.17, V.21CH2, V.27ter, V.29 |
Error Correction/Compression |
MNP5, MNP10, V.42, V.42bis |
Fax Class |
Class II |
Data Bus |
Serial |
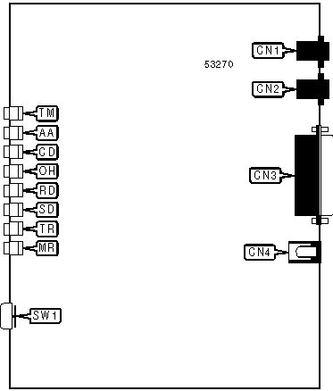
CONNECTIONS | |||
Function |
Label |
Function |
Label |
Telephone line |
CN1 |
DC power in |
CN4 |
Telephone line |
CN2 |
Power switch |
SW1 |
Serial port |
CN3 |
DIAGNOSTIC LED(S) | |||
LED |
Color |
Status |
Condition |
TM |
Red |
On |
Modem is performing diagnostic test |
TM |
Red |
Off |
Modem is not performing diagnostic test |
AA |
Red |
On |
Auto-answer enabled |
AA |
Red |
Off |
Auto-answer disabled |
AA |
Red |
Blinking |
Phone is ringing |
CD |
Red |
On |
Carrier signal detected |
CD |
Red |
Off |
Carrier signal not detected |
DIAGNOSTIC LED(S) (CON'T) | |||
LED |
Color |
Status |
Condition |
OH |
Red |
On |
Modem is off-hook |
OH |
Red |
Off |
Modem is on-hook |
RD |
Red |
On |
Modem is receiving data |
RD |
Red |
Off |
Modem is not receiving data |
SD |
Red |
On |
Modem is transmitting data |
SD |
Red |
Off |
Modem is not transmitting data |
TR |
Red |
On |
DTR signal is high |
TR |
Red |
Off |
DTR signal is low |
MR |
Red |
On |
Power is on |
MR |
Red |
Off |
Power is off |
SUPPORTED STANDARD COMMANDS |
Basic AT Commands |
+++, ‘comma’, A/ |
A, E, H, L, M, N, O, P, Q, T, V, W, X, Y, Z |
&C, &D, &F, &G, &J, &K, &L, &M, &P, &Q, &R, &S, &T, &V, &W, &X, &Y, &Z |
Extended AT Commands |
\A, \B, \J, \K, \L, \N |
%C, %E, %L, %Q, %TT |
Special AT Commands |
+MS |
S-Registers |
S0, S1, S2, S3, S4, S5, S6, S7, S8, S9, S10, S11, S12, S14, S16, S18, S21, S22, S23, S24, S25 |
S26, S27, S29, S30, S31, S32, S33, S36, S38, S39, S46, S48, S82, S86, S91, S92, S95 |
Note: See MHI help file for complete information. |
Proprietary AT Command Set
See NEWCOM, INC 33600 IFX INTERNAL for a full command summary.