MOTOROLA, INC.
6520/6560 MPROUTER SERVICE MODEM
Card Type |
Modem (asynchronous) |
Chip Set |
Unidentified |
I/O Options |
Unidentified |
Maximum Data Rate |
2400bps |
Data Bus |
8-bit ISA |
Data Modulation Protocol |
V.22bis |
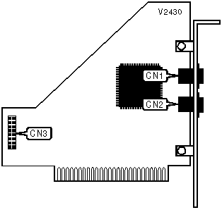
CONNECTIONS | ||||||
Function |
Label |
Function |
Label | |||
Line out |
CN1 |
Unidentified |
CN3 | |||
Line in |
CN2 |
MISCELLANEOUS TECHNICAL NOTE |
This card is designed for use in Motorola’s 6520/6560 MPRouter system and will not function in another system. See documents M3596 and M3597 for more information. |