MOTOROLA, INC.
RM201C
Card Type |
Modem (synchronous/asynchronous) |
Chip Set |
Unidentified |
Maximum Data Rate |
2400bps |
Data Bus |
External |
Data Modulation Protocol |
Unidentified |
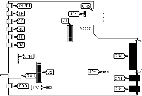
CONNECTIONS | ||||||
Function |
Label |
Function |
Label | |||
Line out |
CN1 |
Eye Pattern connector |
CN4 | |||
Line in |
CN2 |
AC power in |
CN5 | |||
RS-232/422 |
CN3 |
Power/Error switch |
SW1 |
USER CONFIGURABLE SETTINGS | ||
Setting |
Label |
Position |
Chassis ground connected to signal ground |
JP1 |
Pins 2 & 3 closed |
Chassis ground not connected to signal ground |
JP1 |
Pins 1 & 2 closed |
Transmit level set to -9 (permissive) |
JP2 |
Pins 1 & 2 closed |
Transmit level set to programmable |
JP2 |
Pins 2 & 3 closed |
Long haul equalization |
JP3 |
Pins 1 & 2 closed |
Short haul equalization |
JP3 |
Pins 2 & 3 closed |
Internal clock source |
S1/3 |
Off |
External clock source |
S1/3 |
On |
Factory configured - do not alter |
S1/4 |
N/A |
Factory configured - do not alter |
S1/5 |
N/A |
CD normal |
S1/6 |
Off |
CD forced high |
S1/6 |
On |
Factory configured - do not alter |
S1/7 |
N/A |
Factory configured - do not alter |
S1/8 |
N/A |
Squelch receiver for 8ms during carrier detection |
S2/3 |
Off |
Squelch receiver for 110ms during carrier detection |
S2/3 |
On |
Auto-answer enabled |
S2/4 |
On |
Auto-answer disabled |
S2/4 |
Off |
CD signal level set to -30dBm |
S2/5 |
Off |
CD signal level set to -45dBm |
S2/5 |
On |
Factory configured - do not alter |
S2/6 |
N/A |
Use Type A modulation |
S2/7 |
On |
Use Type B modulation |
S2/7 |
Off |
Factory configured - do not alter |
S2/8 |
N/A |
CTS ECHO SUPPRESION DELAY | ||
Setting |
S1/1 |
S1/2 |
0ms |
On |
Off |
9ms |
Off |
On |
25ms |
Off |
Off |
150ms |
On |
On |
DISCONNECT DETECTION TIME | ||
Setting |
S2/1 |
S2/2 |
í Disabled |
Off |
Off |
50ms disconnect |
On |
Off |
100ms disconnect |
Off |
On |
200ms disconnect |
On |
On |
ANSWER-BACK TONE ECHO SUPPRESION | ||
Setting |
S2/9 |
S2/10 |
í Disabled |
Off |
Off |
1000ms |
On |
Off |
200ms |
Off |
On |
400ms |
On |
On |
DIAGNOSTIC LED(S) | |||
LED |
Color |
Status |
Condition |
OH/RI |
Red |
On |
Modem is off-hook |
OH/RI |
Red |
Off |
Modem is on-hook |
OH/RI |
Red |
Blinking |
Phone is ringing |
TR |
Red |
On |
DTR signal is high |
TR |
Red |
Off |
DTR signal is low |
CD |
Red |
On |
Carrier signal has been detected |
CD |
Red |
Off |
Carrier signal has not been detected |
RD |
Red |
On |
Modem is receiving data |
RD |
Red |
Off |
Modem is not receiving data |
TD |
Red |
On |
Modem is transmitting data |
TD |
Red |
Off |
Modem is not transmitting data |
RS |
Red |
On |
RTS signal is high |
RS |
Red |
Off |
RTS signal is low |