MOTOROLA, INC.
212AT/D
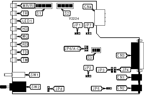
Card Type |
Modem (synchronous/asynchronous) |
Chip Set |
Unidentified |
Maximum Data Rate |
1200bps |
Data Bus |
External |
Data Modulation Protocol |
Bell 212A |
CONNECTIONS | ||||||
Function |
Label |
Function |
Label | |||
Line out |
CN1 |
AC power in |
CN4 | |||
Line in |
CN2 |
Talk/data switch |
SW1 | |||
RS-232/422 |
CN3 |
300/1200bps switch |
SW2 |
USER CONFIGURABLE SETTINGS | ||
Setting |
Label |
Position |
í Transmit level set to -9 (permissive) |
JP2 |
Pins 2 & 3 closed |
Transmit level set to programmable |
JP2 |
Pins 1 & 2 closed |
í Factory configured - do not alter |
JP5 |
Pins 1 & 2 closed |
í Audio circuit enabled |
JP8 |
Pins 1 & 2 closed |
Audio circuit disabled |
JP8 |
Pins 2 & 3 closed |
í Modem operates in answer mode when forced to manual |
S1/1 |
On |
Modem operates in originate mode when forced to manual |
S1/1 |
Off |
í Modem auto-detects answer/originate mode |
S1/2 |
Off |
Manual answer/originate mode |
S1/2 |
On |
í Line will not be set busy during test modes |
S1/3 |
Off |
Line will be set busy during test modes |
S1/3 |
On |
í Disconnect after 150ms loss of carrier |
S1/4 |
On |
Disconnect after 10s loss of carrier |
S1/4 |
Off |
í Auto-answer disabled |
S1/5 |
Off |
Auto-answer enabled |
S1/5 |
On |
í Load profile indicated by &Y command on startup |
S1/6 |
Off |
Load profile 0 on startup |
S1/6 |
On |
í Disconnect modem on receipt of long space if indicated by Y command |
S1/7 |
Off |
Disconnect modem on receipt of long space |
S1/7 |
On |
í Switched-line mode |
S1/8 |
Off |
Leased-line mode |
S1/8 |
On |
í DTR normal |
S2/1 |
Off |
DTR used for off/on hook in manual answer/originate |
S2/1 |
On |
í DCD normal |
S2/2 |
Off |
DCD forced high |
S2/2 |
On |
í CTS normal |
S2/3 |
Off |
CTS forced high |
S2/3 |
On |
í AT command set enabled |
S2/4 |
On |
AT command set disabled |
S2/4 |
Off |
í Result code format set by V command |
S2/5 |
Off |
Numeric result codes |
S2/5 |
On |
í DSR normal |
S2/6 |
Off |
DSR forced high |
S2/6 |
On |
í Dumb mode uses 10-bit characters |
S2/7 |
Off |
Dumb mode uses 11-bit characters |
S2/7 |
On |
í Sync/async mode set by &M command |
S2/8 |
Off |
Synchronous mode |
S2/8 |
On |
í DTR normal |
S3/1 |
Off |
DTR forced high |
S3/1 |
On |
í Pin 23 of RS-232 port ignored |
S3/2 |
Off |
Speed set to 1200bps when pin 23 of RS-232 port is high |
S3/2 |
On |
í Pin 12 of RS-232 port has no function |
S3/3 |
Off |
Pin 12 of RS-232 port high indicates speed set to 1200bps |
S3/3 |
On |
í Analog loopback test performed when pin 25 of RS-232 port is high |
S3/4 |
On |
Pin 25 of RS-232 port ignored |
S3/4 |
Off |
CHASSIS GROUND | ||
Setting |
JP1 |
JP7 |
í Disconnected |
Pins 2 & 3 closed |
Pins 2 & 3 closed |
Connected |
Pins 1 & 2 closed |
Pins 1 & 2 closed |
HANDSET POLARITY | ||
Setting |
JP3 |
JP4 |
í Normal |
Pins 2 & 3 closed |
Pins 2 & 3 closed |
Reversed |
Pins 1 & 2 closed |
Pins 1 & 2 closed |
CLOCK SOURCE | |||
Setting |
JP6/A |
JP6/B |
JP6/C |
Slave |
Open |
Open |
Closed |
Internal |
Open |
Closed |
Open |
External |
Closed |
Open |
Open |
DIAGNOSTIC LED(S) | |||
LED |
Color |
Status |
Condition |
MR/RI |
Red |
On |
Power is on |
MR/RI |
Red |
Off |
Power is off |
MR/RI |
Red |
Blinking |
Phone is ringing |
TR |
Red |
On |
DTR signal is high |
TR |
Red |
Off |
DTR signal is low |
HS |
Red |
On |
Modem is operating at 1200bps |
HS |
Red |
Off |
Modem is operating at 300bps |
RD |
Red |
On |
Modem is receiving data |
RD |
Red |
Off |
Modem is not receiving data |
TD |
Red |
On |
Modem is transmitting data |
TD |
Red |
Off |
Modem is not transmitting data |
TM |
Red |
On |
Modem is in test mode |
TM |
Red |
Off |
Modem is not in test mode |
Note: The functions of MC and LED1 are unidentified. |