MAXTECH CORPORATION

MAXTECH 9424H

Card Type

Modem(asynchronous)

Chip Set

Unidentified

Maximum Data Rate

2400bps

Maximum Fax Rate

9600bps

Data Bus

8 bit ISA

Fax Class

Class I

Data Modulation Protocol

Bell 103A/212A

ITU-T V.21, V.22, V.22bis

Fax Modulation Protocol

ITU-T V.21CH2, V.27ter, V.29

Error Correction/Compression

MNP5, V.42, V.42bis

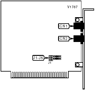
CONNECTIONS

Function

Label

Function

Label

Line in

CN1

Line out

CN2

SERIAL PORT ADDRESS

Setting

J1

J2

COM1 (3F8h)

Pins 1 & 2 closed

Pins 1 & 2 closed

COM2 (2F8h)

Pins 2 &3 closed

Pins 1 & 2 closed

COM3 (3E8h)

Pins 1 & 2 closed

Pins 2 &3 closed

COM4 (2E8h)

Pins 2 &3 closed

Pins 2 &3 closed

INTERRUPT

Setting

J3

J4

J5

J6

2

On

Off

Off

Off

3

Off

On

Off

Off

4

Off

Off

On

Off

5

Off

Off

Off

On

Proprietary AT Command Set

BIT-MAPPED REGISTER S14

Format

AT [cmds] S14=n [cmds]

Default:

170

Range:

0 - 174

Unit:

Bit-mapped

Description:

Controls command echo, result codes, dialing mode, and answer/originate mode

Bit

Value

Function

0

0

Not used

1

0

í 1

Command echo off

Command echo on

2

í 0

1

Result codes enabled

Result codes disabled

3

0

í 1

Numeric result codes

Verbose result codes

4

0

Not used

5

0

í 1

Tone dialing selected

Pulse dialing selected

6

0

Not used

7

0

í 1

Answer mode selected

Originate mode selected

BIT-MAPPED REGISTER S21

Format

AT [cmds] S21=n [cmds]

Default:

0

Range:

0 - 249

Unit:

Bit-mapped

Description:

Selects jack type, low DTR action, DCD signal, DSR signal, and the Long Space Disconnect function

Bit

Value

Function

0

í 0

1

Selects RJ-11jack

Selects RJ-12 or RJ-13 jack

1

0

Not used

2

0

Not used

4, 3

í 00

01

10

11

DTR signal ignored

Modem goes to command mode on low DTR

Modem disconnects on low DTR

Modem is initialized on low DTR

5

í 0

1

DCD forced high

DCD normal

6

í 0

1

DSR forced high

DSR normal

7

í 0

1

Long Space Disconnect function disabled

Long Space Disconnect function enabled

BIT-MAPPED REGISTER S22

Format

AT [cmds] S22=n [cmds]

Default:

118

Range:

0 - 255

Unit:

Bit-mapped

Description:

Controls volume and speaker settings, result codes, and make/break pulse ratio

Bit

Value

Function

1, 0

00

í 01

10

11

Not used

Low volume setting

Medium volume setting

Highest volume setting

3, 2

00

í 01

10

11

Speaker disabled

Speaker enabled until carrier signal detected

Speaker enabled

Speaker off during dialing

6, 5 ,4

000

001

010

011

100

101

110

í 111

Busy and dialtone detection disabled, result codes 0-4 enabled

Not used

Not used

Not used

Busy and dialtone detection disabled, result codes 0-5, 10 enabled

Busy tone detection disabled, dialtone detection enabled, result codes 0-6, 10 enabled

Busy tone detection enabled, dialtone detection disabled, result codes 0-5, 7, 10 enabled

Busy and dialtone detection enabled, all result codes enabled

7

í 0

1

39/61ms at 10pps (North America)

33/67ms at 10pps (Europe)

BIT-MAPPED REGISTER S23

Format

AT [cmds] S23=n [cmds]

Default:

7

Range:

0-247

Unit:

Bit-mapped

Description:

Grants/denies remote digital loopback, connect speed, parity and guard tone

Bit

Value

Function

0

0

í 1

Remote digital loopback denied

Remote digital loopback allowed

2, 1

00

01

10

í 11

Connect at 0-300bps

Not used

Connect at 1200bps

Connect at 2400bps

3

0

Not used

5,4

í 00

01

10

11

Parity even

Space parity

Parity odd

No Parity

7, 6

í 00

01

10

11

Guard tone disabled

Guard tone 550Hz enabled

Guard tone 1800Hz enabled

Not used

BIT-MAPPED REGISTER S27

Format:

AT [cmds] S27=n [cmds]

Default:

64

Range:

0-127

Description:

Asynchronous operation, leased/switched line, ITU-U/Bell operation

Bit

Value

Function

3, 1, 0

í 0x00

Asynchronous operation

2

í 0

1

Switched line

Leased line

4

0

Not used

5

0

Not used

6

0

í 1

V.21/V.22

Bell 212A

TEST STATUS

Format

AT [cmds] S16=n [cmds]

Default:

0

Range:

0 - 122

Unit:

Bit-mapped

Description:

Contains status of loopback tests

Bit

Value

Function

0

í 0

1

Local analog loopback test disabled

Local analog loopback test enabled

1

0

Not used

2

í 0

1

Local digital loopback test disabled

Local digital loopback test enabled

3

í 0

1

Remote digital loopback test disabled

Remote digital loopback test enabled

4

í 0

1

Remote digital loopback test not in progress

Remote digital loopback test in progress

5

í 0

1

Remote digital loopback test with test and error disabled

Remote digital loopback test with test and error enabled

6

í 0

1

Local digital loopback test with self test disabled

Local digital loopback test with self test enabled