INTERLOGIC INDUSTRIES

A104-VFM

Modem Type

Data/Fax/Voice

Maximum Data Rate

2400 bps

Maximum Fax Rate

9600 bps

Data Bus

PC/104

Fax Class

Unidentified

Data Modulation Protocol

Bell 103A & 212A, CCITT V.22

Fax Modulation Protocol

Unidentified

Error Correction/Compression

CCITT V.42 & V.42bis, MNP 5

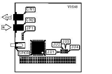
CONNECTIONS

Purpose

Location

Purpose

Location

Line out

CN1

Speaker jack

SPKR

Line in

CN2

   

COM PORT SETTINGS

COM

JU1

JU2

JU3

JU4

COM1

Open

Open

Closed

Open

COM2

Closed

Open

Open

Closed

COM3

Open

Closed

Closed

Open

COM4

Closed

Closed

Open

Closed

CONNECTOR JP1

Purpose

Location

Pair 2 Tip & Ring

JP1 Pins 1 & 4

Pair 1 Tip & Ring

JP1 Pins 2 & 3

S14 -BIT MAPPED CONFIGURATION REGISTER

Value Range:

Bit-mapped

Default:

1

Type:

Read/Write

In Stored Profile?:

Yes

Description:

Bit Mapped Configuration Register

Bit

Value

Function

0

0

Not used

1

í 1

0

Enable: Command echo (E1)

Disable: Command echo (E0)

2

í 0

1

Enable: Result codes (Q0)

Disable: Result codes (Q1)

3

í 1

0

Set result codes to word (V1)

Set result codes to digit (V0)

4

0

Not used

5

í 1

0

Set to Pulse dial (P)

Set to Tone Dial (T)

6

0

Not used

7

í 1

0

Enable: Originate mode

Enable: Answer mode

S21 -BIT MAPPED CONFIGURATION REGISTER

Value Range:

Bit-mapped

Default:

1

Type:

Read/Write

In Stored Profile?:

Yes

Description:

Bit Mapped Configuration Register

Bit

Value

Function

0

0

Not used

1

0

Not used

2

0

Not used

3 & 4

í 00

01

10

11

Sets modem to ignore DTR (&D0)

ON-to-OFF transition on DTR forces the modem to enter the command mode (&D1)

ON-to-OFF transition on DTR forces the modem to hang up (&D2)

ON-to-OFF transition on DTR forces the modem to reset (&D3)

5

í 0

1

Enable: DCD always ON (&C0)

DCD checks the actual state of the data carrier (&C1)

6

0

Not used

7

í 0

1

Disable: Long Space Disconnect (Y0)

Enable: Long Space Disconnect (Y1)

S22 -BIT MAPPED CONFIGURATION REGISTER

Value Range:

Bit-mapped

Default:

1

Type:

Read/Write

In Stored Profile?:

Yes

Description:

Bit Mapped Configuration Register

Bit

Value

Function

0 & 1

í 10

00

01

11

Speaker volume set to medium (l1)

Speaker volume set to low (l0)

Speaker volume set to low (l1)

Speaker volume set to high (l3)

2 & 3

í 01

00

10

11

Enable: Speaker on until carrier detected (M1)

Disable: Speaker (M0)

Enable: Speaker always on (M2)

Enable: Speaker on until carrier detected but Off during dialing (M3)

4 & 5 & 6

í 111

000

100

101

110

Enable: fourth extended result code set (X4)

Enable: basic result code set (x0)

Enable: first extended result code set (X1)

Enable: second extended result code set (X2)

Enable: third extended result code set (X3)

7

í 0

1

Set Make/Break ratio is 39/61 for USA (&P0)

Set Make/Break ratio is 33/67 for UK/HK (&P1)

S23 - BIT MAPPED CONFIGURATION REGISTER

Value Range:

Bit-mapped

Default:

1

Type:

Read/Write

In Stored Profile?:

Yes

Description:

Bit Mapped Configuration Register

Bit

Value

Function

0

í 1

0

Disable: Accept request from remote modem for a remote digital loopback (&T5)

Enable: Accept request from remote modem for a remote digital loopback (&T4)

1 & 2 & 3

000

001

010

011

100

101

300 bps

600 bps

1200 bps

2400 bps

4800 bps

9600 bps

4 & 5

00

01

10

11

Enable: Even parity.

Enable: Space parity.

Enable: Odd parity.

Enable: Mark parity.

6

í 00

01

10

11

Disable: Guard tone (&G0)

Enable: 550 Hz guard tone (&G2)

Enable: 1800 Hz guard tone (&G2)

Not used

S27 -BIT MAPPED CONFIGURATION REGISTER

Value Range:

Bit-mapped

Default:

1

Type:

Read/Write

In Stored Profile?:

Yes

Description:

Bit Mapped Configuration Register

Bit

Value

Function

0

0

Not used

1

0

Not used

2

0

Not used

3

0

Not used

4

0

Not used

5

0

Not used

6

í 1

0

Enable: Bell 212A with 1200bps, Bell 103 with 300bps (B1)

Enable: CCITT V.22 with 1200bps; V.21 with 300bps (B0)

7

0

Not used