ELSA, INC.
MICROLINK 14.4TQ
Card Type |
Modem (asynchronous) |
Chipset |
Unidentified |
Maximum Data Rate |
14.4Kbps |
Maximum Fax Rate |
14.4Kbps |
Data Modulation |
Bell 103A, 212A ITU-T V.21, V.22bis, V.23, V.32, V.32bis |
Fax Modulation |
ITU-T V.17, V.27ter, V.29, V.33 |
Error Correction/Compression |
MNP5, V.42, V.42bis |
Fax Class |
Class I & II |
Data Bus |
Serial |
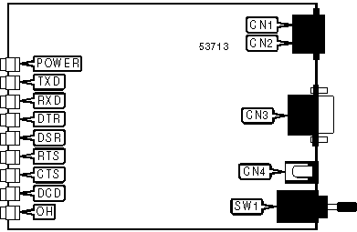
CONNECTIONS | |||
Function |
Label |
Function |
Label |
Telephone line in |
CN1 |
DC power in |
CN4 |
Telephone line out |
CN2 |
Power switch |
SW1 |
Serial port |
CN3 |
DIAGNOSTIC LED(S) | |||
LED |
Color |
Status |
Condition |
POWER |
Red |
On |
Power is on |
POWER |
Red |
Off |
Power is off |
TXD |
Red |
On |
Modem is transmitting data |
TXD |
Red |
Off |
Modem is not transmitting data |
RXD |
Red |
On |
Modem is receiving data |
RXD |
Red |
Off |
Modem is not receiving data |
DTR |
Red |
On |
DTR signal is high |
DTR |
Red |
Off |
DTR signal is low |
DSR |
Red |
On |
DSR signal is high |
DSR |
Red |
Off |
DSR signal is low |
RTS |
Red |
On |
RTS signal is high |
RTS |
Red |
Off |
RTS signal is low |
DIAGNOSTIC LED(S) (CON'T) | |||
LED |
Color |
Status |
Condition |
CTS |
Red |
On |
CTS signal is high |
CTS |
Red |
Off |
CTS signal is low |
DCD |
Red |
On |
Carrier signal detected |
DCD |
Red |
Off |
Carrier signal not detected |
OH |
Red |
On |
Modem is off-hook |
OH |
Red |
Off |
Modem is on-hook |
SUPPORTED STANDARD COMMANDS |
Basic AT Commands |
+++, ‘comma’, A/ |
A, B, E, H, L, M, O, P, T, V, X, Z |
&D, &F, &S, &T, &V, &W, &Y, &Z |
Extended AT Commands |
\C, \J, \K, \N, \Q, \T, \X |
%A, %C, %E |
Special AT Commands |
-J |
S-Registers |
S0, S1, S2, S3, S4, S5, S6, S7, S8, S10, S11, S12, S16, S21, S22, S25, S30, S38 |
Note: See MHI help file for complete information. |
Proprietary AT Command Set
See ELSA, INC. MICROLINK 33.6TQV for a full command summary.